034.Логических элементы с тремя состояниями на выходе _ РадиоЛекторий (1085102)
Текст из файла
Логических элементы с тремя состояниями на выходе
Типовые элементы ТТЛ - типа имеют на выходе два состояния : 1) -соответствует 1 , при этом нагрузка элемента практически подключена к положительному напряжения питания. 2)- состояние 0 , при этом нагрузка как бы заземлена. Эти оба состояния характеризуются тем, что цепь нагрузки всегда замкнута. В некоторых случаях, особенно в вычислительных устройствах, требуется иногда вообще отключать выход элемента от нагрузки, чтобы цепь нагрузки не замыкалась через выходную цепь элемента ни на напряжение ни на землю. Такое состояние логического элемента называется высокоимпедансным. При этом его выходное сопротивление стремится к бесконечности. Такое состояние и называют третьим состоянием , а элементы , которые позволяют его получить - элементами с тремя состояниями на выходе. Для перевода логического элемента в третье состояние он имеет специальный управляющий вход, подав сигнал на который мы отключаем выход элемента от нагрузки.
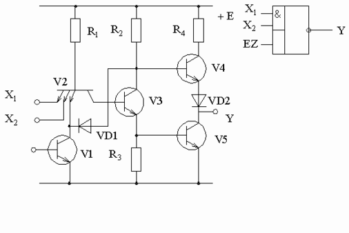
Рис.9.9. Принципиальная схема элемента И-НЕ с 3-мя состояниями
Если EZ=0, то V1 будет закрыт и не будет оказывать никакого влияния на работу схемы , и она будет работать как обычная схема “И-НЕ”. Если же управляющий сигнал будет высокого уровня, то V1 будет открыт. При этом на одном из эмиттеров транзистора V2 , к которому подключен коллектор V1, будет нулевой уровень напряжения , при этом V2 независимо от X1 и X2 будет открыт и на базе V3 будет напряжение, близкое к нулю. При этом V3 будет закрыт, на R3 будет низкий уровень напряжения , V5 в результате будет закрыт. В результате наличия в цепи VD1 коллектор V3 через VD1 и открытый V1 будет подключен на землю, т.е. на V3 коллектора будет низкий уровень напряжения, как и на его эмиттере. Низкий уровень напряжения будет и на базе V4 . В результате V4 будет закрыт , также , как и V5 , т.е. выходная цепь с закрытыми V4 и V5 будет вообще отключена от логического элемента.
логических элементы с тремя состояниями на выходе применяются в тех случаях, когда множество таких элементов работает на общую нагрузку и необходимо формировать выходной сигнал только одним или несколькими элементами, а остальные не должны оказывать влияние на выход. Т.е. с помощью управляющего сигнала и нагрузки можно подключать любой логический элемент или несколько элементов.
Тремя состояниями могут обладать логических элементы , выполняющие какие угодно типы.
Развитие логических элементов идет по пути повышения быстродействия и снижения потребляемой мощности .В этом плане перспективным является построение логических элементов на полевых транзисторах.
Характеристики
Тип файла документ
Документы такого типа открываются такими программами, как Microsoft Office Word на компьютерах Windows, Apple Pages на компьютерах Mac, Open Office - бесплатная альтернатива на различных платформах, в том числе Linux. Наиболее простым и современным решением будут Google документы, так как открываются онлайн без скачивания прямо в браузере на любой платформе. Существуют российские качественные аналоги, например от Яндекса.
Будьте внимательны на мобильных устройствах, так как там используются упрощённый функционал даже в официальном приложении от Microsoft, поэтому для просмотра скачивайте PDF-версию. А если нужно редактировать файл, то используйте оригинальный файл.
Файлы такого типа обычно разбиты на страницы, а текст может быть форматированным (жирный, курсив, выбор шрифта, таблицы и т.п.), а также в него можно добавлять изображения. Формат идеально подходит для рефератов, докладов и РПЗ курсовых проектов, которые необходимо распечатать. Кстати перед печатью также сохраняйте файл в PDF, так как принтер может начудить со шрифтами.















