031.Логические элементы (1085098)
Текст из файла
Логические элементы
Логическим элементом называется электрическая схема, выполняющая какую-либо логическую операцию (операции) над входными данными, заданными в виде уровней напряжения, и возвращающая результат операции в виде выходного уровня напряжения. Так как операнды логических операций задаются в двоичной системе счисления, то логический элемент воспринимает входные данные в виде высокого и низкого уровней напряжения на своих входах. Соответственно, высокий уровень напряжения (напряжение логической 1) символизирует истинное значение операнда, а низкий (напряжение логического 0) - ложное. Значения высокого и низкого уровней напряжения определяются электрическими параметрами схемы логического элемента и одинаковы как для входных, так и для выходных сигналов. Обычно, логические элементы собираются как отдельная интегральная микросхема. К числу логических операций, выполняемых логическими элементами относятся конъюнкция (логическое умножение, И), дизъюнкция (логическое сложение, ИЛИ), отрицание (НЕ) и сложение по модулю 2 (исключающее ИЛИ). Рассмотрим основные типы логических элементов.
Элемент И
Логический элемент И выполняет операцию логического умножения (конъюнкция) над своими входными данными и имеет от 2 до 8 входов и один выход (как правило, выпускаются элементы с двумя, тремя, четырьмя и восемью входами). На рис. 1. изображены условные графические обозначения (УГО) логических элементов И с двумя, тремя и четырьмя входами соответственно. Элементы И обозначаются как NИ, где N - количество входов логического элемента (например, 2И, 3И, 8И и т.д.).
|
|
| Рис. 1 |
Элемент ИЛИ
Логический элемент ИЛИ выполняет операцию логического сложения (дизъюнкция) над своими входными данными и, также как и логический элемент И, имеет от 2 до 8 входов и один выход. На рис. 2. изображены УГО логических элементов ИЛИ с двумя, тремя и четырьмя входами соответственно. Элементы ИЛИ обозначаются также, как и элементы И (2ИЛИ, 4ИЛИ и т.д.).
|
|
| Рис. 2 |
Элемент НЕ (инвертор)
Логический элемент НЕ выполняет операцию логического отрицания над своими входными данными и имеет один вход и один выход. Иногда его называют инвертор, так как он инвертирует входной сигнал. На рис. 3 изображено УГО элемента НЕ.
|
|
| Рис. 3 |
Элемент И-НЕ
Логический элемент И-НЕ выполняет операцию логического умножения над своими входными данными, а затем инвертирует (отрицает) полученный результат и выдаёт его на выход. Таким образом, можно сказать, что логический элемент И-НЕ - это элемент И с инвертором на выходе. УГО элемента 3И-НЕ приведено на рис. 4.
|
|
| Рис. 4 |
Элемент ИЛИ-НЕ
Логический элемент ИЛИ-НЕ выполняет операцию логического сложения над своими входными данными, а затем инвертирует (отрицает) полученный результат и выдаёт его на выход. Таким образом, можно сказать, что логический элемент ИЛИ-НЕ - это элемент ИЛИ с инвертором на выходе. УГО элемента 3ИЛИ-НЕ приведено на рис. 5.
|
|
| Рис. 5 |
Элемент сложения по модулю 2
Этот логический элемент выполняет логическую операцию сложения по модулю 2 и, как правило, имеет 2 входа и один выход. Такой элемент, в основном, используется в схемах аппаратного контроля. УГО элемента приведено на рис. 6.
|
|
| Рис. 6 |
Комбинационные логические элементы
Существуют и более сложные логические элементы, выполняющие несколько логических операций над своими входными данными. Например, элемент 2И-ИЛИ, УГО и схема которого приведено на рис. 7, сначала выполняет операцию логического умножения над парами операндов x1, x2 и x3, x4, а затем выполняет операцию логического сложения над полученными результатами, т.е. y = x1x2 + x3x4. Можно придумать и более сложные комбинационные логические элементы, например 3-2И-ИЛИ-НЕ (рис. 8).
|
|
| Рис. 7 |
|
|
| Рис. 8 |
Универсальные логические элементы
Универсальные логические элементы могут использоваться для выполнения разнообразных операций над своими входными данными. Конкретная операция зависит от того, какие сигналы поданы на управляющие входы. Чтобы синтезировать такой универсальный логический элемент, обычно пользуются СКНФ или СДНФ, как и в синтезе комбинационных логических схем.
Электрические принципиальные схемы логических элементов
При рассмотрении электрических принципиальных схем логических элементов пользуются термином тип логики. Тип логики определяет элементную базу, на которой собран логический элемент, а также отражает некоторые особенности отдельных элементов этой элементной базы и характеристики самого логического элемента. Наиболее распространены следующие типы логик: ТТЛ, ДТЛ, МОП, КМОП, также существуют типы логик ЭСЛ, РЕТЛ и некоторые другие. Тип логики ТТЛ (транзисторно-транзисторная логика) определяет элементную базу, на которой собран логический элемент, как состоящую преимущественно из транзисторов, причём транзисторы используются и на входе, и на выходе логического элемента (отсюда и название - транзисторно-транзисторная). Тип логики ДТЛ (диодно-транзисторная логика) определяет элементную базу как состоящую преимущественно из транзисторов и диодов (диоды на входе, транзисторы - на выходе). Типы логик МОП (металл-оксид-полупроводник) и КМОП определяет элементную базу как состоящую из транзисторов МДП (металл-диэлектрик-полупроводник), причём микросхемы этого типа имеют очень низкую потребляемую мощность, засчёт особенностей МДП транзисторов оперировать малыми токами и имеющими очень малый ток утечки.
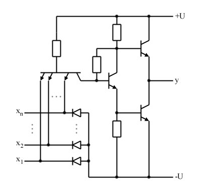
Рассмотрим электрические принципиальные схемы логического элемента И-НЕ с n входами - ДТЛ (рис. 9) и логического элемента И-НЕ с n входами - ТТЛ (рис. 10).
|
|
| Рис. 9 |
|
|
| Рис. 10 |
На рисунках +U обозначает положительный потенциал источника питания, а -U - отрицательный.
Рассмотрим сначала работу схемы на рис. 9. Если к одному из входных диодов приложено напряжение логического 0, то этот диод открыт и на базу транзистора подаётся напряжение логического 0. Транзистор закрывается и на выходе y устанавливается напряжение логической 1. Только когда ко всем входным диодам будет приложено напряжение логической 1 транзистор откроется и на выходе установится напряжение логического 0. Оставшиеся каскады на транзисторах выполняют функцию усиления сигнала и инвертирования. При подаче на вход второго транзистора напряжения логического 0, он закроется, подключив базы транзисторов оконечного каскада через резисторы к плюсу и к минусу источника питания. Один из транзисторов оконечного каскада откроется, а другой - закроется и на выходе установится напряжение логической 1. При подаче на второй транзистор напряжения логической 1, он откроется. Теперь открытый и закрытый транзисторы оконечного каскада поменяются местами и на выходе установится напряжение логического 0.
Теперь рассмотрим работу схемы на рис. 10. Вызывает некоторый интерес необычный транзистор на входе и схема его включения. Такие многоэмиттерные транзисторы всегда используются на входах логических элементов ТТЛ. Сам транзистор выполняет логическую операцию И. При подаче на один из входов напряжения логического нуля, транзистор открывается и, таким образом, на коллекторе устанавливается напряжение логического 0. Напряжение логической 1 будет на коллекторе только тогда, когда на всех входах будет напряжение логической 1. Подобный транзистор можно рассматривать как много n-p переходов, а соответственно, как много диодов. Таким образом такое включение транзистора в цепь эквивалентно диодной сборке на входе логического элемента И на рис. 9.
Применение логических элементов
Логические элементы могут использоваться как самостоятельные части схемы, так и входить в состав более сложной цифровой комбинационной схемы или схемы с памятью. Как самостоятельные части схемы, логические элементы могут применяться в качестве управляющей логики какого-либо устройства, а также в качестве генератора прямоугольных импульсов с подключённой ёмкостью или кварцевым резонатором. В качестве комбинационных схем логические элементы используются в составе микросхем БИС и СБИС, а также в дешифраторах и шифраторах, выполненных в виде отдельных микросхем. Также, логические элементы могут входить в состав схем с памятью (триггеры, регистры, счётчики и т.д.), выполненных в виде отдельной микросхемы или в составе других микросхем.
Характеристики
Тип файла документ
Документы такого типа открываются такими программами, как Microsoft Office Word на компьютерах Windows, Apple Pages на компьютерах Mac, Open Office - бесплатная альтернатива на различных платформах, в том числе Linux. Наиболее простым и современным решением будут Google документы, так как открываются онлайн без скачивания прямо в браузере на любой платформе. Существуют российские качественные аналоги, например от Яндекса.
Будьте внимательны на мобильных устройствах, так как там используются упрощённый функционал даже в официальном приложении от Microsoft, поэтому для просмотра скачивайте PDF-версию. А если нужно редактировать файл, то используйте оригинальный файл.
Файлы такого типа обычно разбиты на страницы, а текст может быть форматированным (жирный, курсив, выбор шрифта, таблицы и т.п.), а также в него можно добавлять изображения. Формат идеально подходит для рефератов, докладов и РПЗ курсовых проектов, которые необходимо распечатать. Кстати перед печатью также сохраняйте файл в PDF, так как принтер может начудить со шрифтами.















