met324 (1084951), страница 2
Текст из файла (страница 2)
- физические процессы в модуляторах с емкостным накопителем и накопителем в виде искусственной длинной линии.
- зависимость формы; напряжения на нагрузке от режима работы и параметров схем импульсных модуляторов.
-
Описание лабораторной установки
Структурная схема установки для исследования импульсных модуляторов приведена на рис.6.1. Запускающие импульсы поступают на лабораторный макет от генератора импульсов, позволяющего регулировать длительность τ запускающего импульса, его амплитуду U и частоту F. К клеммам "Выход" подключается осциллограф для наблюдения формы напряжения на нагрузке.
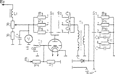
Принципиальная схема макета импульсного модулятора с емкостным накопителем и ключом на электронной лампе приведена на рис.6.2. Она содержит зарядные сопротивления (R3 ÷ R7), накопительные емкости (С3 ÷ С7), ключ на электронной лампе V1 и импульсный трансформатор Т1 к вторичной обмотке которого с помощью переключателя S3 могут переключаться либо активная нагрузка (R10 ÷ R12), либо комплексная (R13C8, R14C9, R15С10).
Переключателем S1 могут подключаться зарядные сопротивления, а переключателем S2 - значения накопительных емкостей
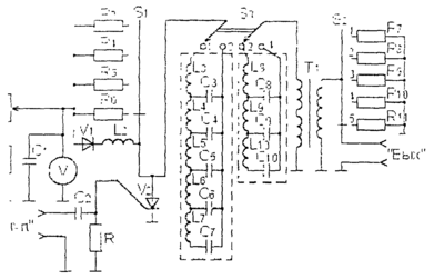
Принципиальная схема импульсного модулятора с накопителем в виде искусственной длинной линии и ключом на тиристоре приведена на рис.6.3. Она содержит зарядные сопротивления (R3 ÷ R6) и цепочку, состоящую из последовательно соединенных диода V1 и индуктивности L2. В качестве накопителей используется искусственная длинная линия. К вторичной обмотке импульсного трансформатора переключателем S2 могут быть подсоединены нагрузочные сопротивления (R7 ÷ R11). Значения элементов схемы (рис.6.3.).
-
Задание.
-
Выполняется при подготовке
-
Изучить рекомендуемую литературу. Продумать порядок выполнения работы.
-
Изучить схемы модуляторов с емкостным накопителем и накопителем в виде искусственной длинной линии
-
Ответить на контрольные вопросы.
-
-
Рис. 6.1
Рис. 6.2
Рис. 6.3
-
Выполняется в лаборатории.
-
Подключить генератор и осциллограф к импульсному модулятору с емкостным накопителем, согласно рис.6.1.
-
Установить параметры импульсного модулятора: длительность запускающего импульса τ = 5 мкс, частоту F = 10 кГц, амплитуду U = 2.5 В. Установить значение зарядного сопротивления Rзар=1,6 кОм, зарядную емкость Сзар = 300 пФ, нагрузочное сопротивление RH = Rs = 2 кОм.
-
Исследовать влияние на форму и амплитуду выходных импульсов изменение:
- зарядных сопротивлений;
- зарядных емкостей;
- сопротивлений нагрузки. -
Изменяя длительность запускающего импульса от 2 до 10 мкс через 2 мкс наблюдать за амплитудой и формой выходного сигнала.
-
Установить напряжение на генераторе импульсов U = 30 В, подключить его и осциллограф к модулятору с накопителем в виде искусственной длинной линии (рис.6.3 ).
-
Установить переключатель S1 в положение "5", S3 на макете в положение "1" и S2 в положение "4" (RH = R10 = 220 Ом).
-
Исследовать влияние изменения зарядных сопротивлений и нагрузки на форму и амплитуду выходных импульсов.
-
-
Содержание отчета.
-
Упрощенные принципиальные схемы исследуемых импульсных модуляторов.
-
Осциллограммы импульсов, снятых при эксперименте.
-
Выводы, содержащие оценку результатов.
-
-
Контрольные вопросы.
-
Перечислите типы накопителей, используемые в импульсных модуляторах.
-
Требования к форме модулирующего импульса.
-
Какие элементы наиболее существенно влияют на форму импульса?
-
Какие требования предъявляются к коммутирующим элементам?
-
БИБЛИОГРАФИЧЕСКИЙ СПИСОК
-
Устройства генерирования и формирования радиосигналов Под ред. Уткина Г.М. - М.; Сов. радио, 1982.
Литературный редактор Н.К.Костыгина
Подписано в печать 23.07.2003. Формат 60x84 1/16.
Бумага офсетная. Печать офсетная.
Усл.печ. л. 0,93. Усл.кр. - отт. 3,72. Уч.- изд.л. 1,0.
Тираж 150. Заказ 394. За бабло
Московский государственный институт радиотехники,
электроники и автоматики (технический университет)
117454, Москва, просп. Вернадского, 78
















