Пункт 3 (1084641)
Текст из файла
3. Принципиальная электрическая схема разрабатываемого узла
3.1. Расчет потребляемой мощности
Потребляемая мощность схемы будет равняться сумме потребляемых мощностей всех элементов, входящих в схему. Мощность одного элемента вычисляется по формуле: средний ток потребления умножить на напряжение питания, т.е. P=Ucc*Icc
| Серия ИМС | P*4(ТМ2), Вт | P*8(ЛР9), Вт | P*2(ЛИ1), Вт | P*4(ЛН1), Вт | P(общая), Вт |
| 530 | 0,52 | 1,04 | 0,26 | 0,52 | 2,34 |
| КР531 | 0,52 | 1,04 | 0,26 | 0,52 | 2,34 |
| КМ531 | 0,52 | 1,04 | 0,26 | 0,52 | 2,34 |
| КР1531 | 0,13 | 0,26 | 0,065 | 0,13 | 0,585 |
3.2 Расчет максимального времени установки сигнала
на выходе устройства
Расчёт выполним, исходя из максимально возможного пути прохождения сигнала через устройство.
tЛЭ= tPHL +tPLH
В 530, КР531, КМ531 сериях tЛЭ=4,74 нс
В КР1531 серии tЛЭ=5,58 нс
Расчет для серий: 530, КР531, КМ531
tmax = 2*tЛН1+tЛИ1+tЛР9+tТМ2=(2*4,74+4,74+4,74+4,74)∙10-6 ≈ 23,7 нс
Расчет для серии: КР1531
tmax = 2*tЛН1+tЛИ1+tЛР9+tТМ2=(2*5,58+5,58+5,58+5,58)∙10-6 ≈ 27,9 нс
Вывод: для построения электрической принципиальной схемы подходит 530, КР531 и КМ531 серии, т.к. они удовлетворяют требованиям курсового проекта, а именно подходят по расчету мощности и частоты работы устройства.
Следовательно, выберем микросхемы 530ТМ2, 530ЛР9, 530ЛН1, 530ЛИ1
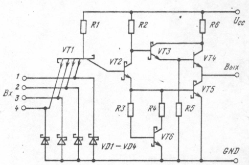
3.3 Базовый логический элемент ИС 530
В качестве базового логического элемента ИС 530 использован логический элемент типа И – НЕ. Схема логического элемента содержит три основных каскада маломощных ТТЛШ серий. Входной каскад выполнен на многоэмитторном транзисторе VT1, фазоразделительный – на транзисторах VT2, VT3, VT6 и резисторах R2-R5. Выходной каскад включает транзисторы VT4, VT5 и резистор R6.
При одновременной подаче на все входы многоэмитторного транзистора напряжения высокого уровня ток резистора R1 потечет через база-коллекторный переход транзистора VT1 в базу транзистора VT2. Транзисторы VT2 и VT5 открыты, и на выходе схемы устанавливается низкий уровень напряжения.
Если хотя бы на один из входов схемы подан низкий уровень напряжения, то транзисторы VT2 и VT5 закрыты. Через резистор R2 течет базовый ток транзистора VT3, и на выходе микросхемы устанавливается напряжение высокого уровня.
Включение в базу выходного транзистора VT5 корректирующей цепочки (VT6 R3 R4), как и в маломощных сериях, позволяет повысить помехозащищенность микросхемы в выключенном состоянии в результате передаточной характеристики. А использование каскада Дарлингтона на транзисторах VT3 и VT4 обеспечивает почти одинаковые значения выходного сопротивления микросхемы при ее включении и выключения, что позволяет получить симметричную задержку входного сигнала.
Высокое быстродействие схемы обеспечивается выбором номинала резисторов, уменьшением топологических размеров диодов, транзисторов, толщин эпитаксиальных пленок и использованием диффузионных процессов с более мелкими диффузионными слоями.
3.4. Описание работы и временная диаграмма
разрабатываемого узла
Разработанная схема состоит из восьми микросхем по ЛЭ 4-2-3-2И-4ИЛИ-НЕ (530ЛР9), четырех микросхем по 2 D-триггера со сбросом и установкой (530ТМ2), двух микросхем по 6 инверторов (530ЛН1) и четырех микросхем по 4 ЛЭ 2И (530ЛИ1).
Принцип работы устройства не отличается от описанного выше для функциональной схемы, однако, следует отметить, что для корректной работы устройства необходимо понимать, что логическая «1» - это входное напряжение высокого уровня, а логический «0» - это входное напряжение низкого уровня.
Младший разряд – D1, старший разряд – D8.
DL, DR – сдвиги влево и вправо соответственно
S0, S1 – управляющие режимы
Сброс – установка в ноль регистра
Q1…Q8 – выходы
Для построения временной диаграммы воспользуемся простым примером:
По управляющим режимам будем манипулировать исходным числом - 01011010
Вспомним еще раз режимы работы регистра:
| S0 | S1 | Режим |
| 0 | 0 | Хранение |
| 0 | 1 | Сдвиг влево |
| 1 | 0 | Сдвиг вправо |
| 1 | 1 | Параллельный ввод |
Характеристики
Тип файла документ
Документы такого типа открываются такими программами, как Microsoft Office Word на компьютерах Windows, Apple Pages на компьютерах Mac, Open Office - бесплатная альтернатива на различных платформах, в том числе Linux. Наиболее простым и современным решением будут Google документы, так как открываются онлайн без скачивания прямо в браузере на любой платформе. Существуют российские качественные аналоги, например от Яндекса.
Будьте внимательны на мобильных устройствах, так как там используются упрощённый функционал даже в официальном приложении от Microsoft, поэтому для просмотра скачивайте PDF-версию. А если нужно редактировать файл, то используйте оригинальный файл.
Файлы такого типа обычно разбиты на страницы, а текст может быть форматированным (жирный, курсив, выбор шрифта, таблицы и т.п.), а также в него можно добавлять изображения. Формат идеально подходит для рефератов, докладов и РПЗ курсовых проектов, которые необходимо распечатать. Кстати перед печатью также сохраняйте файл в PDF, так как принтер может начудить со шрифтами.
















