Пункт 2 (1084640), страница 2
Текст из файла (страница 2)
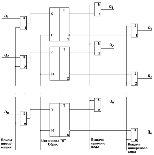
Информация в регистрах данного типа заносится по линиям a1, a2,..., an только при подаче активного сигнала на вход "Прием информации". Записанный код числа будет храниться в регистре до тех пор, пока не будет сброса регистра или записи новой информации. Регистр позволяет выдавать данные в прямом коде, инверсном и парафазном коде.
В итоге регистр имеет несколько режимов работы: установка нуля (сброс), прием информации, выдача информации в прямом и инверсном коде, а также выдача информации в парафазном коде, т.е. выдается прямое значение и инверсное.
Что касается микроопераций, выполняемых регистрами, то современные регистры мало приспособлены для выполнения этих операций, однако при необходимости их можно выполнить, пользуясь регистрами на RS-триггерах. Для выполнения операции «ИЛИ» на S-входы статического регистра с исходным нулевым состояниям подается первое слово «А», единичные разряды которого устанавливают соответствующие триггеры. Затем без сброса регистра на S-выходы подается второе слово «В». В результате получим результат Q=A V B.
При выполнении поразрядной операции «И» в первом такте на S-входы регистра подается слово «А», устанавливающее те разряды регистра, в которых слово «А» имеет единицы. Затем следует подать на регистр слово «В». Чтобы в регистре сохранились единицы только в тех разрядах, в которых единицы имеют оба слова, слово «В» подается на входы R-триггеров в инверсном виде.
Сложение по модулю 2 может быть выполнено схемой с триггерами типа «Т» в разрядах путем последовательной во времени подачи на неё двух слов «А» и «В».
Исходя из анализа схемотехнического решения курсового проекта, приступим к реализации главного задания курсового проекта – универсальный регистр.
2.1. Разработка структурной схемы
2.2. Разработка функциональной схемы
При разработке функциональной схемы универсального регистра будем отталкиваться от построения ее готовых интегральных микросхемах. Универсальный реверсивный сдвиговый регистр ИР11 удовлетворяет требованиям задания. Он реализует следующие режимы работы, а именно: хранение четырехразрядного кода, сдвиг кода влево, сдвиг кода вправо, параллельный и последовательный ввод и вывод кода. Режимы работы задаются двухразрядным кодом, подаваемым на входы управления S0,S1. Режимы работы регистра при определенных значениях сигналов на входах S0,S1 обозначены в таблице ниже.
| S0 | S1 | Режим |
| 0 | 0 | Хранение |
| 0 | 1 | Сдвиг влево |
| 1 | 0 | Сдвиг вправо |
| 1 | 1 | Параллельный ввод |
При подаче логического «0» на вход R происходит установка триггеров регистра в 0. При подаче логической «1» на входе R режим работы определяется управляющими сигналами на входах S0 и S1. При логической «1» на входе S0 и логического «0» на входе S1 по спадам импульсов отрицательной полярности на входе С происходит последовательный прием информации с входа DR и сдвиг вправо. При подаче логической «1» на входе S1 и логического «0» на входе S1 происходит последовательный прием информации с входа DL и сдвиг влево.
При логической «1» на обоих входа S0 и S1 по спаду импульса отрицательной полярности на входе С произойдет параллельная запись информации со входов A, B, C, D. Если на входах S0 и S1 логический «0», переключение триггеров регистра при изменении информации на входе С не происходит.
Полная таблица истинности регистра ИР11:
Режимработы | Вход | Выход | ||||||||||||
| R | Режим работы | C | DL | D R | Параллельная запись | QA | QB | QC | QD | |||||
| S1 | S0 | A | B | C | D | |||||||||
| Установка “0” | 0 | X | X | X | X | X | X | X | X | X | 0 | 0 | 0 | 0 |
| Хранение | 1 | X | X | 0 | X | X | X | X | X | X | QA0 | QB0 | QC0 | QD0 |
| | 1 | 1 | 1 | X | X | A | B | C | D | A | B | C | D | |
| 1 1 | 0 0 | 1 1 | X X | 0 1 | X X | X X | X X | X X | 0 1 | QAn QAn | QBn QBn | QCn QCn | |
| | 1 1 | 1 1 | 0 0 | 0 1 | X X | X X | X X | X X | X X | QBn QBn | QCn QCn | QDn QDn | 0 1 | |
Хранение | 1 | 0 | 0 | X | X | X | X | X | X | X | QA0 | QB0 | QC0 | QD0 |
Ниже представлена функциональная схема универсально 8-ми разрядного регистра соединенного из двух 4х разрядных регистров ИР11.
















