LB-PR_VU_Op (1084431), страница 2
Текст из файла (страница 2)
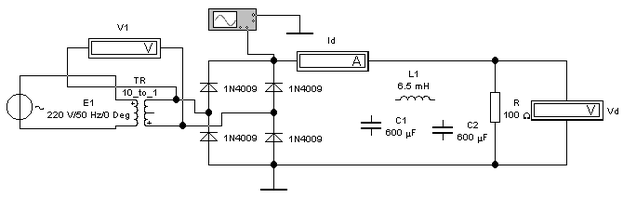
3.3. Опыт №3. Двухполупериодный мостовой выпрямитель.
3.3.1. Схема двухполупериодного мостового выпрямителя (Рис.15).
Рис.15
3.3.2. Используя в качестве нагрузки сопротивление R, снимите три внешние характеристики выпрямителя Ud = f(Id) (смотрите методику снятия внешних характеристик):
- для выпрямителя без фильтра;
- для выпрямителя c C-фильтром (фрагмент схемы представлен на Рис.13а);
- для выпрямителя c CLC-фильтром (фрагмент схемы представлен на Рис.13б).
3.3.3. Для R=100 Ом зарисуйте три осциллограммы выходного напряжения
с учетом масштаба (смотрите методику работы с осциллографом).
-
Постройте внешние характеристики выпрямительных устройств в единой системе координат и сделайте выводы по работе.
4. Методики проведения опытов.
4.1. Методика снятия внешних характеристик.
При снятии внешних характеристик выпрямительных устройств необходимо изменять сопротивление резистора Rн в цепи нагрузки. Для этого открываем диалоговое окно резистора при помощи правой кнопки мыши. В следующих окнах нажимаем кнопки Component Properties и Value, чем и устанавливаем необходимое сопротивление.
Нажав в правом верхнем углу клавишу
, получаем показания приборов и записываем в соответствующую таблицу.
Таблица
| R (Ом) | | 100 | 80 | 60 | 40 | 20 |
| Id (A) | ||||||
| Ud (B) |
4.2. Методика работы с осциллографом.
Для получения формы кривых напряжения в любой точке схемы в программе EWB используется осциллограф. Открываем диалоговое окно осциллографа двойным нажатием левой кнопки мыши. При этом появляется уменьшенное изображение панели осциллографа. Осциллограф имеет четыре клеммы: Ground (Земля), Trigger (Синхронизация), Channel A (Канал А), Channel B (Канал B).
Развертка по времени (Time base) задается соответствующими клавишами.
В данном конкретном случае имеем 5,00ms/div, т.е. 5,00миллисекунд на 1деление.
Вертикальная развертка задается отдельно по каждому каналу.
В данном конкретном случае имеем 20V/div, т.е. 20 вольт на 1деление.
На экране осциллографа изображены две кривые отображающие входное и выходное напряжения однополупериодного выпрямителя.
Для того, чтобы производить измерения с помощью осциллографа необходимо нажать кнопку Expand и тогда появится увеличенное изображение панели осциллографа, которое имеет дополнительные элементы для измерения.
На экране осциллографа появляются две вертикальные черты, которые можно передвигать с помощью левой кнопки мыши, тем самым, устанавливая место измерения. В дополнительных окнах появляются координаты отмеченных позиций.
В данном конкретном случае имеем:
T1=12.4765s, VA1=27.2384v, VB1=25.4764v и
T2=12.5116s, VA2=14.4222v, VB2=13.1085v.
Третье окно дает разность показаний
T2-T1=35.1250ms, VA2-VA1=-12.8163v, VB2-VB1=-12.3679v.
Канал А, Y position = -1.00.
Канал В, Y position = 1.00.
11
















