В.В. Филинов, А. В. Филинова - Электроника и основы измерений (1084406), страница 24
Текст из файла (страница 24)
Как известно, мощность любой трехфазной системы (вне зависимости от схемы соединения приемников) равна сумме мощностей отдельных фаз или мощности источника питания (генератора, трансформатора). Для мгновенных значений мощности трёхпроводной трехфазной цепи будет справедливо выражение:
где
,
,
— мгновенные значения мощностей отдельных фаз;
,
,
,
,
,
, — мгновенные значения фазных напряжений и токов источника питания, фазы которого будем считать соединенными звездой, так что фазные токи равны линейным.
Выразив согласно закону Кирхгофа значения фазных токов
,
,
в виде
,
,
и подставив эти значения поочерёдно в вышеприведённое уравнение, после преобразований получим
, где
,
,
- мгновенные значения линейных напряжений.
Переходя к средней, т. е. активной, мощности источника и равной активной мощности приемника, имеем
где
,
,
- углы сдвига фаз между линейными напряжениями и токами;
,
,
,
,
,
- действующие значения линейных токов и напряжений.
Таким образом, активная мощность трёхфазной системы равна алгебраической сумме показаний двух ваттметров:
. На рис. 4.12 представлена одна из трёх возможных схем включения двух приборов для измерения активной мощности. Метод двух ваттметров применяется для измерения активной мощности в несимметричных трехпроводных трехфазных цепях.
4.8. Методы построения приборов сравнения (компенсации)
В большой группе измерительных приборов реализуется метод сравнения измеряемой величины с ее мерой (мерой называется образец, представляющий собой техническое средство, служащее для вещественного воспроизведения единицы определенной физической величины). Чаще всего применяются приборы с дифференциальным или нулевым методом сравнения. При дифференциальном методе сравнения измеряемая величина непосредственно или косвенно сравнивается с мерой, а о результате сравнения судят по разности одновременно производимых этими величинами эффектов. При нулевом методе сравнения измеряемая величина сравнивается с мерой, а результирующий эффект воздействия этих величин на индикатор доводится до нуля. К приборам, реализующим этот метод измерения, относятся потенциометры (компенсаторы) и мосты. Эти приборы широко применяются как для измерения напряжения и тока, так и для измерения параметров электрических цепей (
,
,
).
У приборов, работающих по методу сравнения, большая чувствительность, чем у других типов приборов, что обеспечивает наименьшую погрешность измерения.
Потенциометр постоянного тока (компенсатор). Принципом работы потенциометра постоянного тока является уравновешивание (компенсация) поверяемого напряжения или ЭДС известным с высокой степенью точности напряжением. В качестве компенсирующего обычно используют падение напряжения на образцовом резисторе, сопротивление которого известно с относительной погрешностью, не превышающей ±(0,01—0,001) %.
Принцип компенсационного метода измерения наиболее просто можно понять при анализе схемы, приведенной на рис. 13, где
— нормальный элемент, ЭДС которого точно известна;
— измеряемая ЭДС; НИ — нуль-индикатор (обычно магнитоэлектрический гальванометр);
— образцовый резистор;
— резистор с точно известным регулируемым сопротивлением;
— реостат; ВБ — вспомогательный источник питания.
Методика измерения ЭДС
заключается в следующем. Сначала устанавливается определенное для потенциометра значение рабочего тока. Для этого переключатель
ставят в положение
и сопротивление реостата
изменяют до тех пор, пока гальванометр НИ не покажет отсутствия тока
. Это будет при
, т.е. при рабочем токе
Затем переключатель
ставят в положение и при этом перемещением движка
реостата
добиваются отсутствия тока в гальванометре. При этом искомое значение ЭДС
. Значение рабочего тока во время
измерений должно быть, очевидно, постоянным.
Высокая точность компенсационного метода измерения обеспечивается высокой чувствительностью гальванометра, высокой точностью параметров нормального элемента и резисторов, а также высокой стабильностью вспомогательного источника питания. Погрешность измерения у современных потенциометров с ручным и полуавтоматическим уравновешиванием не превышает ±0,02 %. Погрешность измерения автоматических компенсаторов несколько хуже, но не превышает
(0,1—0,5) %.
Потенциометр не потребляет энергии от поверяемой цепи и не вызывает нарушений режима ее работы, что является большим достоинством компенсационного метода измерения.
При помощи потенциометра можно также измерять токи и сопротивления. Для определения тока
в цепь включается образцовый резистор с сопротивлением
на котором измеряется напряжение
. Затем по формуле
вычисляется ток.
Для измерения сопротивления резистора
его включают в цепь последовательно с источником постоянного напряжения
и образцовым резистором
(рис. 4.14). При помощи переключателя
поочередно измеряют потенциометром на сопротивлениях
и
падение напряжения
и
(во время измерений ток I должен оставаться неизменным).
Сопротивление резистора
По значению сопротивления рабочей цепи потенциометры постоянного тока делятся на две группы: низкоомные и высокоомные. К низкоомным относятся компенсаторы, имеющие суммарное сопротивление контура рабочего тока, равное 50—1500 Ом. Компенсаторы, сопротивление контура рабочего тока которых превышает 10 кОм, относятся к высокоомным.
Следует отметить, что существуют потенциометры и для измерений в цепях переменного тока с определением не только значений токов и напряжений, но и сдвига фаз между ними. Потенциометры переменного тока по точности измерений значительно уступают потенциометрам постоянного тока в основном из-за отсутствия меры ЭДС переменного тока, аналогичной нормальному элементу.
Мостовые измерительные схемы. Мостовые схемы, реализующие метод сравнения, широко применяются для измерения параметров пассивных элементов электрических цепей. На рис. 4.15 представлена простейшая мостовая цепь, к которой могут быть приведены мостовые цепи более сложной конфигурации.
Пусть
,
,
,— комплексные сопротивления плеч моста. Если ток индикатора НИ равен нулю - подобный режим называется режимом равновесия моста, топотенциалы точек
и
равны и одинаковы токи
,
. Поэтому
и
откуда следует условие равновесия
При известных сопротивлениях трех плеч уравновешенного
моста сопротивление четвертого плеча (например,
) определяется из равенства
Широко применяемые при измерении относительно больших величин мостовые схемы имеют существенные ограничения по точности при малых значениях активных сопротивлений, емкостей и индуктивностей.
4.9. Измерение параметров электрических цепей
Основными параметрами электрических цепей являются: для цепи постоянного тока сопротивление R, для цепи переменного тока активное сопротивление
, индуктивность
, емкость
, комплексное сопротивление
.
Наиболее часто для измерения этих параметров приме
няют следующие методы: омметра, амперметра - вольтметра, мостовой. Применение компенсаторов для измерения со
противлений
уже рассматривалось в п. 4.1.8. Рассмотрим
другие методы.
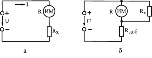
Омметры. Непосредственно и быстро сопротивления элементов цепи постоянного тока можно измерить при помощи омметра. В схемах, представленных на рис. 16 ИМ — магнитоэлектрический измерительный механизм.
При неизменном значении напряжения питания
показания измерительного механизма зависят только от значения измеряемого сопротивления
. Следовательно, шкала может быть отградуирована в единицах сопротивления.
Для последовательной схемы включения элемента с сопротивлением
(Рис. 4.16,
) угол отклонения стрелки















