LB-PR05_TR_Bl (1083309)
Текст из файла
ЛАБОРАТОРНО-ПРАКТИЧЕСКАЯ РАБОТА №5
«Исследование однофазных трансформаторов»
Опыт №1
Измерение параметров холостого хода трансформатора
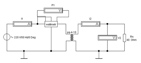
Схема включения
Таблица №1
| | |
| U1н, B I1х, A Pх, Вт Uх, B | K Zх, Ом Rх, Ом Xх, Ом |
Расчетные формулы:
Опыт №2
Измерение параметров короткого замыкания трансформатора
Схема включения
Таблица №2
| ИЗМЕРЕНИЕ | РАСЧЕТ |
|
U1К, B I1Н, A PК, Вт I2Н, A |
K ZК, Ом RК, Ом XК, Ом |
Расчетные формулы:
Опыт №3
Основные характеристики трансформатора из опыта нагрузки
Схема включения
Таблица №3
| № п/п | ИЗМЕРЕНИЕ | РАСЧЕТ |
|
U1, B I1, A P1, Вт U2, B I2, A |
P2, Вт , % | |
| 1 | ||
| 2 | ||
| 3 | ||
| 4 | ||
| 5 |
Расчетные формулы:
Внешняя характеристика трансформатора U2 = f(I2)
и коэффициент полезного действия %) = f(I2).
U2, B , %
100
80
60
40
20
0
I2 ( )
Характеристики
Тип файла документ
Документы такого типа открываются такими программами, как Microsoft Office Word на компьютерах Windows, Apple Pages на компьютерах Mac, Open Office - бесплатная альтернатива на различных платформах, в том числе Linux. Наиболее простым и современным решением будут Google документы, так как открываются онлайн без скачивания прямо в браузере на любой платформе. Существуют российские качественные аналоги, например от Яндекса.
Будьте внимательны на мобильных устройствах, так как там используются упрощённый функционал даже в официальном приложении от Microsoft, поэтому для просмотра скачивайте PDF-версию. А если нужно редактировать файл, то используйте оригинальный файл.
Файлы такого типа обычно разбиты на страницы, а текст может быть форматированным (жирный, курсив, выбор шрифта, таблицы и т.п.), а также в него можно добавлять изображения. Формат идеально подходит для рефератов, докладов и РПЗ курсовых проектов, которые необходимо распечатать. Кстати перед печатью также сохраняйте файл в PDF, так как принтер может начудить со шрифтами.
















