LB-PR02_PerT_Op (1083307)
Текст из файла
ЛАБОРАТОРНО-ПРАКТИЧЕСКАЯ РАБОТА №2
«Исследование электрических цепей однофазного переменного тока»
1. Цель работы:
1. Ознакомление с методикой построения схем и моделирования работы устройств в компьютерной лаборатории электротехники и электроники.
2. Исследование различных схем соединения электрических цепей
переменного тока.
2. Краткие теоретические сведения.
-
Электрическая цепь переменного синусоидального тока с последовательным соединением элементов R, L, C (Рис.1).
-
R
Рис.1
На практике электрическую цепь можно представить как последовательное соединение трёх идеальных элементов: сопротивление, индуктивность и емкость.
Согласно II закону Кирхгофа для этой цепи имеем следующее уравнение в комплексной форме
Откуда
- полное комплексное сопротивление [Ом].
Анализируя полученную формулу, можно констатировать, что ток I и все напряжения UR, UL, UC зависят от разности
. То есть существуют три соотношения элементов для данной цепи:
Рассмотрим их по порядку.
Построим на комплексной плоскости диаграмму напряжений (Рис.2).
+j
Рис.2
По теореме Пифагора модули напряжений и тангенс угла определены в виде формул:
Так как угол > 0, то можно рассматривать характер цепи как активно- индуктивный и заключить, что ток отстает от напряжения на угол .
Коэффициент мощности получается 0 < cos <1.
Диаграмма напряжений представлена на Рис.3.
-j
Рис.3.
Согласно теореме Пифагора формулы для модулей напряжений и тангенс угла остаются такими же как и в предыдущем случае.
Однако угол < 0 , и тогда можно рассматривать характер цепи как активно- емкостной, а ток опережает напряжение на угол .
Коэффициент мощности получается 0 < cos <1.
На комплексной плоскости имеем диаграмму напряжений (Рис.4):
= 0
-j
Рис.4.
Угол = 0 и поэтому cos = 1 , а ток в цепи будет максимальный
Основное равенство
называется условие резонанса, и этот случай называется резонанс напряжений
.
Зная, что
и
, можно вывести формулу для резонансной частоты
и так как пульсация
, формула для резонансной частоты будет
Анализируя такую электрическую цепь, заключаем, что её характер можно менять, варьируя частоту, индуктивность или емкость, переходя от индуктивного характера к активному (резонанс) и далее к емкостному. График изменения тока в цепи i = f(L или C или f), в зависимости от этих параметров, представлен на рисунке 5.
i
С (L или f)
Cрез
Рис.5.
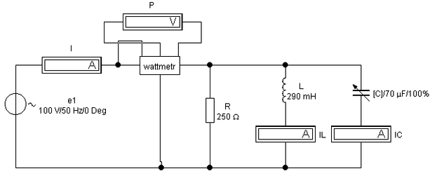
2.2. Электрическая цепь переменного синусоидального тока с параллельным соединением элементов R, L, C (Рис.6).
I
U R IR L IL C IC
Рис.6
Можно представить также реальную электрическую цепь в виде трех идеальных элементов сопротивления, индуктивности и емкости соединённых параллельно. В этом случае I закон Кирхгофа дает следующую формулу в комплексной форме
где
- комплексная, полная проводимость [1/Ом].
Из анализа полученной формулы видно, что все величины зависят от разности
и что существует три соотношения:
Изучим эти три случая один за другим.
Диаграмма токов на комплексной плоскости иллюстрирует основные формулы (Рис.7).
По теореме Пифагора модули токов и тангенс угла определены в виде этих формул:
+j
IL
IC
I
IR U +1
Рис.7
Так как ток опережает напряжение на угол , можно заключить, что электрическая цепь имеет активно-емкостной характер, и коэффициент мощности будет 0 < cos <1.
Диаграмма токов представлена на рисунке 8.
IR U +1
I
IL
IC
-j
Рис.8
Согласно теореме Пифагора формулы для модулей токов и тангенса угла остаются такими же, как и в предыдущем случае.
Так как ток отстает от напряжения на угол , можно заключить, что электрическая цепь имеет активно-индуктивный характер, и коэффициент мощности будет 0 < cos <1.
На комплексной плоскости представлена диаграмма токов (Рис.9):
Угол = 0 и поэтому cos = 1, а ток достигает своего минимального значения
IR = I U +1
= 0
IL IC
-j
Рис.9
Главное равенство
называется условием резонанса, и этот случай носит имя резонанс токов
.
Зная, что
и
, запишем уравнение для резонансной частоты:
Пульсация
, и тогда окончательное уравнение будет
.
Анализируя эту электрическую цепи заключаем, что её характер можно менять, варьируя частоту, индуктивность или емкость, переходя от индуктивного характера к активному (резонанс) и далее к емкостному.
График изменения тока в цепи i = f(L или C или f), в зависимости от этих параметров, представлен на рисунке 10.
i
С (L или f)
Cрез
Рис.10
3. Порядок выполнения работы.
-
Моделирование схемы исследования электрической цепи переменного тока с последовательным соединением элементов R,L и C.
Рис.11
-
Опыт№1. Исследование характеристик электрической цепи переменного тока с последовательным соединением элементов R,L и C при изменении емкости конденсатора С.
смотрите методику снятия характеристик).
-
Моделирование схемы исследования электрической цепи переменного тока с параллельным соединением элементов R, L и C.
Рис.12
-
Опыт№2. Исследование характеристик электрической цепи переменного тока с параллельным соединением элементов R, L и C при изменении емкости конденсатора С.
смотрите методику снятия характеристик).
4. Методики проведения опытов.
4.1. Методика снятия характеристик при исследовании электрической цепи переменного тока.
При снятии характеристик электрической цепи переменного тока, как с последовательным, так и с параллельным соединением элементов R, L и C необходимо изменять емкость конденсатора С. Для этого открываем диалоговое окно элемента С при помощи правой кнопки мыши.
В следующих окнах нажимаем кнопки Component Properties и Value, чем и устанавливаем необходимую емкость.
Нажав в правом верхнем углу клавишу
, получаем показания приборов и записываем в соответствующую таблицу.
Так как ток в данных схемах соединения имеет максимум (или минимум), то процедура заполнения таблицы начинается с величины С, соответствующей максимуму (или минимуму). Эта величина емкости называется резонансной.
Поэтому сначала подбирается Срез при которой ток равен максимальному (или минимальному) значению и при этом показания приборов записываются в средний столбец (третий).
| C (Ф) | С1 | С2 | Срез | С4 | С5 | ||||||||
| I (A) | |||||||||||||
| UС (B) | |||||||||||||
| UL (B) | |||||||||||||
| P (Вт) | |||||||||||||
| cos | |||||||||||||
Далее повторяем измерения для различных значений емкости конденсатора, так, чтобы получить все данные о характере зависимостей, и тем самым заполняем таблицу.
Расчет коэффициента мощности cos проводим по известной формуле:
где: P - показания ваттметра;
U - напряжение питания;
I - показания амперметра в общей цепи.
37
Характеристики
Тип файла документ
Документы такого типа открываются такими программами, как Microsoft Office Word на компьютерах Windows, Apple Pages на компьютерах Mac, Open Office - бесплатная альтернатива на различных платформах, в том числе Linux. Наиболее простым и современным решением будут Google документы, так как открываются онлайн без скачивания прямо в браузере на любой платформе. Существуют российские качественные аналоги, например от Яндекса.
Будьте внимательны на мобильных устройствах, так как там используются упрощённый функционал даже в официальном приложении от Microsoft, поэтому для просмотра скачивайте PDF-версию. А если нужно редактировать файл, то используйте оригинальный файл.
Файлы такого типа обычно разбиты на страницы, а текст может быть форматированным (жирный, курсив, выбор шрифта, таблицы и т.п.), а также в него можно добавлять изображения. Формат идеально подходит для рефератов, докладов и РПЗ курсовых проектов, которые необходимо распечатать. Кстати перед печатью также сохраняйте файл в PDF, так как принтер может начудить со шрифтами.
C
















