Задача 3.1 для всех вариантов (1082798)
Текст из файла
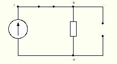
| E=100, L=10-3, C=10-6, R=10 Найти: iL(t), uL(t), ic(t), uc(t), iR(t) |
| А. Докоммутационный |
| 1 iL(0-)=0 uc(0-)=0 |
| Б. Послекоммутационный режим
|
| 2. Характеристическое уравнение и его корни: Разрываем у схемы любую величину Zac(p)=R+ p2 +105p+109 =0 p p1= p2= Проверка корней 10 |
| 3. Искомое решение iL (t) = iL пр + A1ep1t + A2ep2t uL (t) = L uc (t) = iL пр + B1ep1t + B2ep2t ic (t) = C
|
| 4. Режим t(0+): iL(0+) = iL(0-) = JL = 0 A uc(0+) = uc(0-) = Ec = 0 B uLab(0+) = E = 100 B ic(0+) = 0, iR(0+) = 0
|
| 5 iL пр = iR пр = uc пр=uR пр=umn пр=100 B ic пр=0 |
| 6. Постоянные интегрирования: |
| 7. Ответ
|
| Операторный метод. |
| А. Докоммутационный режим: 1.Величины, подчиняющиеся законам коммутации: iL(0-)=0 uc(0-)=0 |
| 2 E(p)= Внутренний эдс отсутствует EL(p) = Li(0) Ec(p) = |
| 3.Расчёт операторного изображения искомой величины Здесь нужно найти токи IL(p),Ip(p),Ic(p) и напряжения UL(p)=Uab(p),uc(p)=Uab(p) Расчёт делаем методом 2х узлов, примем φв(p)=0,расчитаем uc(p)
φа(p)= б) Приняв M(p)=0 p3=0 В классическом методе соответствует постоянной составляющий в) M`(p)=3p2 г) Cравним коэфиценты с классическим методом |
Характеристики
Тип файла документ
Документы такого типа открываются такими программами, как Microsoft Office Word на компьютерах Windows, Apple Pages на компьютерах Mac, Open Office - бесплатная альтернатива на различных платформах, в том числе Linux. Наиболее простым и современным решением будут Google документы, так как открываются онлайн без скачивания прямо в браузере на любой платформе. Существуют российские качественные аналоги, например от Яндекса.
Будьте внимательны на мобильных устройствах, так как там используются упрощённый функционал даже в официальном приложении от Microsoft, поэтому для просмотра скачивайте PDF-версию. А если нужно редактировать файл, то используйте оригинальный файл.
Файлы такого типа обычно разбиты на страницы, а текст может быть форматированным (жирный, курсив, выбор шрифта, таблицы и т.п.), а также в него можно добавлять изображения. Формат идеально подходит для рефератов, докладов и РПЗ курсовых проектов, которые необходимо распечатать. Кстати перед печатью также сохраняйте файл в PDF, так как принтер может начудить со шрифтами.
. t(0-) Значения величин, подчиняющихся законам коммутации:
=
. Принуждённый режим t = ∞
.Операторная схема замещения
соответствует корням классического метода














