Курсовая Работа 4.3 (1082525)
Текст из файла
Московский институт радиотехники,
электроники и автоматики.
(Технический университет)
Кафедра ТОЭ
Задание 4, задача 4.3
Расчёт нелинейной электрической цепи
Вариант 20
Выполнил: Демидов Д.И.
Группа: КА-2-04
Преподаватель: Любарская Т.А.
Москва 2006
Задание
Произвести расчет нелинейных электрических цепей, используя вольт-амперные характеристики по первым гармоникам токов и напряжений, и построить их векторные диаграммы, считая, что источник питания на входе схемы имеет неизменную частоту.
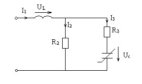
Схема, приведенная на рисунке1 , содержит резисторы сопротивлением R2=R3=100 Ом, индуктивную катушку (сопротивление по первой гармонике XL=100 Ом), конденсатор, ВАХ которого по первой гармонике дана на рисунке 2.
Задаваясь различными значениями тока I3, построить несколько векторных диаграмм для первой гармоники и найти зависимость I2(Uab).
Используя следующий алгоритм, рассчитаем схему для различных значений I1
UC - по графику
UR3 = I3*R3 I2=(I3R3+UC)/R2
UXL = I3*XL I1=|I2+I3|
UR2 = I2*R2
|Uab|=| UR3+ UXL+ UC|
Результаты расчётов приведены в таблице
| I3 | UXC | R2 | R3 | XL | I2 | Uab |
| 0 | 0 | 100 | 100 | 100 | 0 | 0 |
| 0,4 | 10 | 100 | 100 | 100 | 0.5 | 81 |
| 0,8 | 20 | 100 | 100 | 100 | 1 | 162 |
| 1 | 40 | 100 | 100 | 100 | 1.4 | 221 |
| 1,2 | 80 | 100 | 100 | 100 | 2 | 307 |
| 1,4 | 120 | 100 | 100 | 100 | 2,6 | 393 |
| 1,6 | 200 | 100 | 100 | 100 | 3,6 | 534 |
I2
Uab
Зависимость Uab от I3
Характеристики
Тип файла документ
Документы такого типа открываются такими программами, как Microsoft Office Word на компьютерах Windows, Apple Pages на компьютерах Mac, Open Office - бесплатная альтернатива на различных платформах, в том числе Linux. Наиболее простым и современным решением будут Google документы, так как открываются онлайн без скачивания прямо в браузере на любой платформе. Существуют российские качественные аналоги, например от Яндекса.
Будьте внимательны на мобильных устройствах, так как там используются упрощённый функционал даже в официальном приложении от Microsoft, поэтому для просмотра скачивайте PDF-версию. А если нужно редактировать файл, то используйте оригинальный файл.
Файлы такого типа обычно разбиты на страницы, а текст может быть форматированным (жирный, курсив, выбор шрифта, таблицы и т.п.), а также в него можно добавлять изображения. Формат идеально подходит для рефератов, докладов и РПЗ курсовых проектов, которые необходимо распечатать. Кстати перед печатью также сохраняйте файл в PDF, так как принтер может начудить со шрифтами.
















