Расчёт четырёхполюсника (1077737)
Текст из файла
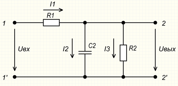
Домашнее задание № 2. Вариант 3.
| R1 | R2 | C2 |
| 10 Ом | 10 Ом | 20 мкФ |
-
Передаточная функция четырёхполюсника.
По первому закону Кирхгофа для узла 2:
По второму закону Кирхгофа:
Из последних двух уравнений найдём:
И подставим в первое:
Найдём из этого уравнения ток
:
Подставляя в уравнение (2) и учитывая, что
, будем иметь:
Перехаточная функция четырёхполюсника:
Подставляя числовые значения, получим:
-
АЧХ и ФЧХ четырёхполюсника. Годограф.
АЧХ чётырёхполюсника имеет вид:
ФЧХ данного четырёхполюсника определяется аргументом
:
Построим графики АЧХ и ФЧХ.
АЧХ:
В логарифмическом масштабе по оси
:
ФЧХ:
В логарифмическом масштабе по оси
:
Построим годогаф для данного четырёхполюсника:
-
Входное сопротивление четырёхполюсника.
Входное сопротивление четырёхполюсника равняется:
Подставляя числовые значения, получим:
Входное сопротивление четырёхполюсника имеет ёмкостный характер.
Таким образом, активная составляющая входного сопротивления четырёхполюсника равняется:
График её зависимости от частоты:
Реактивная составляющая входного сопротивления четырёхполюсника:
Ответ:
Передаточная функция:
АЧХ:
ФЧХ:
Входное сопротивление:
Характеристики
Тип файла документ
Документы такого типа открываются такими программами, как Microsoft Office Word на компьютерах Windows, Apple Pages на компьютерах Mac, Open Office - бесплатная альтернатива на различных платформах, в том числе Linux. Наиболее простым и современным решением будут Google документы, так как открываются онлайн без скачивания прямо в браузере на любой платформе. Существуют российские качественные аналоги, например от Яндекса.
Будьте внимательны на мобильных устройствах, так как там используются упрощённый функционал даже в официальном приложении от Microsoft, поэтому для просмотра скачивайте PDF-версию. А если нужно редактировать файл, то используйте оригинальный файл.
Файлы такого типа обычно разбиты на страницы, а текст может быть форматированным (жирный, курсив, выбор шрифта, таблицы и т.п.), а также в него можно добавлять изображения. Формат идеально подходит для рефератов, докладов и РПЗ курсовых проектов, которые необходимо распечатать. Кстати перед печатью также сохраняйте файл в PDF, так как принтер может начудить со шрифтами.
















