лаба 3 мис (1077155), страница 2
Текст из файла (страница 2)
Следовательно, в диапазоне от
до
транзистор управляется отрицательным входным током.
-
Модели биполярных транзисторов.
-
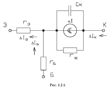
Т-образная модель биполярного транзистора для схемы ОБ.
-
На рис. 1.2.1. приведена простейшая Т-образная модель, основанная на физических процессах протекающих в транзисторе.
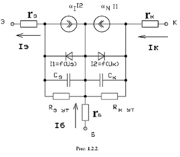
условные обозначения на рис. 1.2.2:
- сопротивление прямо-смещенного перехода эмиттер-база;
- объемное сопротивление области базы;
- сопротивление обратно-смещенного перехода коллектор-база;
- емкость обратно-смещенного перехода коллектор-база;
α - см. (2).
В Т-образной модели коллекторный и эмиттерный переходы представлены их дифференциальными сопротивлениями
и
, а передача эмиттерного тока
в цепь коллектора учитывается генератором
. Направления токов и полярность генератора указаны для транзистора n-p-n типа.
-
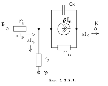
Т-образная модель биполярного транзистора для схемы ОЭ.
-
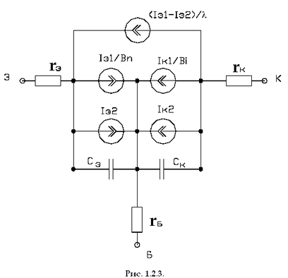
Модель биполярного транзистора Эберса-Молла.
К достоинствам модели Эберса-Молла следует отнести то, что в ней моделируется инверсное включение транзистора и режим двойной инжекции, когда на обоих переходах действуют прямые напряжения. При проведении анализа на постоянном токе из модели убираются конденсаторы
и
. Сопротивлениями
и
также можно пренебречь т.к. их значения велики. Тогда, используя первый закон Кирхгоффа можно записать:
ВАХ p-n описываются следующим выражением:
Подставив токи
и
в (1.2.3.10 получим:
Выражение для тока базы получается подстановкой (1.2.3.3) и (1.2.3.4) в (1.2.3.1).
Выражения (1.2.3.3-1.2.3.5) и есть формулы Эберса-Молла. Эти формулы используются при анализе схем на биполярных транзисторах на постоянном токе. В данной модели:
и
- объемные сопротивления областей транзистора;
и
-сопротивления утечки переходов;
и
- коэффициенты передачи тока при прямом (нормальном) и инверсном включении транзистора;
и
- токи инжектируемых носителей через переходы эмиттер-база и коллектор-база:
и
- токи собираемые коллектором и эмиттером носителей;
- температурный потенциал равный при комнатной температуре 26мВ;
-
Модель биполярного транзистора Гуммеля-Пуна.
-
Н-параметра транзистора.
Считается, что малые изменения напряжений на p-n переходах транзистора вызывают линейные изменения токов. В таком случае можно считать, что транзистор становиться линейным активным четырехполюсником. Активный четырехполюсник состоит из пассивных компонентов (L, C и R) и генераторов ЭДС, и имеет два входных зажима и два выходных зажима (см. рис. 1.3.1.). Входным зажимам соответствует входной ток
и входное напряжение
.. Выходным зажимам – выходной ток
и выходное напряжение
. Можно составить шесть систем уравнений для описания транзистора. Наиболее часто используются системы Z, Y и H – параметров. К преимуществам системы Н-параметров относится простота их измерений и расчетов низкочастотных схем с их применением.
Для Н-параметров
Значения Н-параметров зависят от схемы включения транзистора. Для того, чтобы можно отличить Н-параметры для различных схем включения, к индексам добавляют букву Э – для схемы ОЭ, Б – для схемы ОБ. В справочниках по транзисторам могут быть приведены Н-параметра для какой-то одной схемы включения, поэтому надо знать формулы пересчета параметров. Ниже приведена таблица пересчета Н-параметров из ОБ в ОЭ.
Таблица пересчета Н-параметров из ОЭ в ОБ:
На низких частотах можно перейти от комплексных коэффициентов к вещественным т.к. транзистор не вносит фазовых сдвигов между токами и напряжениями:
Воспользовавшись конечно-разностными эквивалентами переменных токов и напряжений систему (1.3.2) можно записать в виде:
Для определения параметров
или
на выходе четырехполюсника устанавливается режим короткого замыкания: и из (1.3.2) получим:
Для определения параметров
и
на входе четырехполюсника устанавливается режим холостого хода:
или
. Тогда:
-
Задание.
2.1. Используя программу EWB снять семейство входных и выходных ВАХ. Исходные данные взять из таблицы 1.
2.2. По полученным ВАХ определить Н–параметра транзистора.
2.3. Составить отчет.
2.4. Защитить работу.
На рис. 2.1 изображена схема для снятия семейства выходных ВАХ биполярного транзистора.
На рис. 2.2 изображена схема для снятия семейства входных ВАХ биполярного транзистора.
Рис. 2.1.. Схема для снятия семейства выходной ВАХ биполярного транзистора.
Рис. 2.2.. Схема для снятия семейства входных ВАХ.
В EWB отсутствует возможность использовать ток в качестве зависимой переменной. Чтобы преодолеть это ограничение можно воспользоваться зависимыми источниками ЭДС:
- источник напряжения, управляемый напряжением,
- источник тока, управляемый напряжением,
- источник напряжения, управляемый током,
- источник тока, управляемый током.
Рассмотрим источник напряжения управляемый током. Условное графическое обозначение (УГО) этого источника состоит из двух частей: резистора и генератора. Ток, протекающий через резистор, управляет генератором напряжения, поэтому надо установить коэффициент преобразования тока в напряжение. Для этого надо щелкнуть по УГО источника и в открывшемся окне Current-Controlled Voltage Source Properties (см. рис. 2.3) на закладке Value установить значение Transresistance (H).
Значение напряжения на выходе управляемого источника будет равно
, где I – ток, протекающий через резистор управляемого источника. Таким образом, если установить значение H равным одному Ому, то току в один Ампер, протекающему через резистор источника, будет соответствовать один вольт на выходе управляемого генератора, одному миллиамперу – один милливольт и т.д.
-
Контрольные вопросы.
-
Что такое α?
-
Нарисуйте семейство входных ВАХ для схемы ОБ.
-
Нарисуйте семейство входных ВАХ для схемы ОЭ.
-
Нарисуйте семейство выходных ВАХ для схемы ОБ.
-
Нарисуйте семейство выходных ВАХ для схемы ОЭ.
-
Как определяются Н-параметры по входным и выходным ВАХ?
Таблица 1
| № вар | Is(A) | Bn | Bi | rb(Ohm) | re(Ohm) | rk(Ohm) | VA(V) | IS(V) | Тип транзистора | |
| 1 | 20 | 2 | 100 | 1 | 1 | 15 | 1.1 | n-p-n- | ||
| 2 | 20 | 2 | 100 | 1.5 | 1 | 20 | 0.65 | p-n-p | ||
| 3 | 100 | 2 | 400 | 0.5 | 2 | 30 | 1.1 | n-p-n | ||
| 4 | 50 | 1 | 100 | 0.2 | 2 | 40 | 0.65 | p-n-p | ||
| 5 | 200 | 5 | 20 | 0.5 | 1.5 | 10 | 1.1 | n-p-n | ||
| 6 | 150 | 2 | 50 | 1 | 0.5 | 45 | 0.65 | p-n-p | ||
| 7 | 75 | 1 | 120 | 0.3 | 0.2 | 35 | 1.1 | n-p-n | ||
| 8 | 40 | 0.3 | 400 | 0.1 | 0.1 | 25 | 1.1 | n-p-n- | ||
| 9 | 40 | 4 | 100 | 1.5 | 1 | 32 | 0.65 | p-n-p | ||
| 10 | 100 | 2 | 400 | 0.5 | 2 | 14 | 1.1 | n-p-n | ||
| 11 | 50 | 1 | 100 | 0.2 | 2 | 12 | 0.65 | p-n-p | ||
| 12 | 200 | 5 | 20 | 0.5 | 1.5 | 33 | 1.1 | n-p-n | ||
| 13 | 150 | 2 | 50 | 1 | 0.5 | 42 | 0.65 | p-n-p | ||
| 14 | 175 | 1 | 120 | 0.15 | 0.3 | 33 | 1.1 | n-p-n | ||
| 15 | 20 | 2 | 100 | 1 | 1 | 21 | 1.1 | n-p-n- | ||
| 16 | 20 | 2 | 100 | 1.5 | 1 | 55 | 0.65 | p-n-p | ||
| 17 | 100 | 2 | 400 | 0.5 | 2 | 34 | 1.1 | n-p-n | ||
| 18 | 50 | 1 | 100 | 0.2 | 2 | 23 | 0.65 | p-n-p | ||
| 19 | 200 | 5 | 20 | 0.5 | 1.5 | 32 | 1.1 | n-p-n | ||
| 20 | 150 | 2 | 50 | 1 | 0.5 | 44 | 0.65 | p-n-p | ||
| 21 | 75 | 1 | 120 | 0.3 | 0.2 | 17 | 1.1 | n-p-n | ||
| 22 | 40 | 0.3 | 400 | 0.1 | 0.1 | 27 | 1.1 | n-p-n- | ||
| 23 | 40 | 4 | 100 | 1.5 | 1 | 37 | 0.65 | p-n-p | ||
| 24 | 100 | 2 | 400 | 0.5 | 2 | 41 | 1.1 | n-p-n | ||
| 25 | 50 | 1 | 100 | 0.2 | 2 | 38 | 0.65 | p-n-p | ||
| 26 | 200 | 5 | 20 | 0.5 | 1.5 | 17 | 1.1 | n-p-n | ||
| 27 | 150 | 2 | 50 | 1 | 0.5 | 27 | 0.65 | p-n-p | ||
| 28 | 175 | 1 | 120 | 0.15 | 0.3 | 46 | 1.1 | n-p-n | ||
| 29 |
| 400 | 10 | 50 | 1 | 1 | 38 | 1.1 | n-p-n | |
| 30 | 200 | 5 | 75 | 1 | 1 | 212 | 1.1 | n-p-n | ||
Приложение 1. Параметры биполярных транзисторов в EWB.
















