Отчет лаба 6 (1076528)
Текст из файла
Московский Государственный Технический Университет Имени Н.Э.Баумана
Кафедра ИУ5
Отчет по лабораторной работе №7 по предмету “СДУ”
Выполнил:
Зайков С.А.
ИУ5-42
Москва 2014г.
-
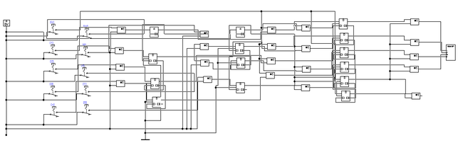
Субблок вычитателя
-
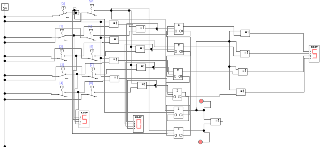
Сумматор и вычитатель
-
Универсальный сумматор-вычитатель
-
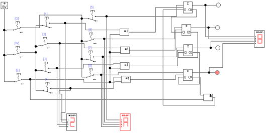
Сумматор модифицированного обратного кода
-
Сумматор модифицированного дополнительного кода
-
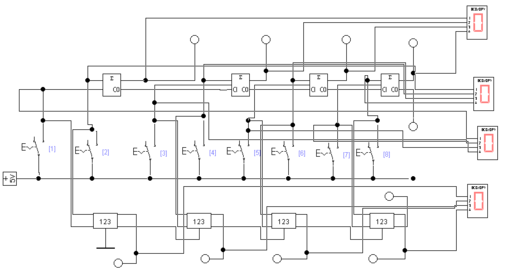
Компаратор
-
Таблица истинности компаратора
| А | B | F A>B | F A=B | F A<B |
| 0 | 0 | 0 | 1 | 0 |
| 0 | 1 | 0 | 0 | 1 |
| 1 | 0 | 1 | 0 | 0 |
| 1 | 1 | 0 | 1 | 0 |
Характеристики
Тип файла документ
Документы такого типа открываются такими программами, как Microsoft Office Word на компьютерах Windows, Apple Pages на компьютерах Mac, Open Office - бесплатная альтернатива на различных платформах, в том числе Linux. Наиболее простым и современным решением будут Google документы, так как открываются онлайн без скачивания прямо в браузере на любой платформе. Существуют российские качественные аналоги, например от Яндекса.
Будьте внимательны на мобильных устройствах, так как там используются упрощённый функционал даже в официальном приложении от Microsoft, поэтому для просмотра скачивайте PDF-версию. А если нужно редактировать файл, то используйте оригинальный файл.
Файлы такого типа обычно разбиты на страницы, а текст может быть форматированным (жирный, курсив, выбор шрифта, таблицы и т.п.), а также в него можно добавлять изображения. Формат идеально подходит для рефератов, докладов и РПЗ курсовых проектов, которые необходимо распечатать. Кстати перед печатью также сохраняйте файл в PDF, так как принтер может начудить со шрифтами.
















