lab7 (1076527)
Текст из файла
МГТУ им. Н.Э. Баумана
Лабораторная работа по дисциплине
«Схемотехника дискретных устройств»
Лабораторная работа № 7
«Сумматоры, вычитатели»
Выполнил: Джураева Э.М.
Группа: ИУ5-42
Дата:
Проверил: Спиридонов С.Б.
Дата:
Москва 2013 г.
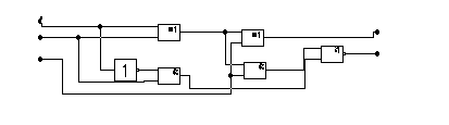
Полный вычитатель в виде субблока:
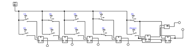
Полный вычитатель на 4 разряда:
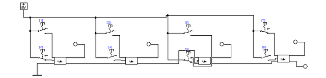
Полный сумматор на 4 разряда:
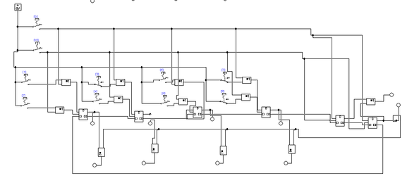
Универсальный сумматор-вычитатель:
Сумматор дополнительного (обратного) кода:
Сумматор модифицированного кода:
2х разрядный компаратор
Характеристики
Тип файла документ
Документы такого типа открываются такими программами, как Microsoft Office Word на компьютерах Windows, Apple Pages на компьютерах Mac, Open Office - бесплатная альтернатива на различных платформах, в том числе Linux. Наиболее простым и современным решением будут Google документы, так как открываются онлайн без скачивания прямо в браузере на любой платформе. Существуют российские качественные аналоги, например от Яндекса.
Будьте внимательны на мобильных устройствах, так как там используются упрощённый функционал даже в официальном приложении от Microsoft, поэтому для просмотра скачивайте PDF-версию. А если нужно редактировать файл, то используйте оригинальный файл.
Файлы такого типа обычно разбиты на страницы, а текст может быть форматированным (жирный, курсив, выбор шрифта, таблицы и т.п.), а также в него можно добавлять изображения. Формат идеально подходит для рефератов, докладов и РПЗ курсовых проектов, которые необходимо распечатать. Кстати перед печатью также сохраняйте файл в PDF, так как принтер может начудить со шрифтами.
















