Отчет лаба 6 (1076513)
Текст из файла
Московский Государственный Технический Университет Имени Н.Э.Баумана
Кафедра ИУ5
Отчет по лабораторной работе №6 по предмету “СДУ”
Выполнил:
Зайков С.А.
ИУ5-42
Москва 2014г.
-
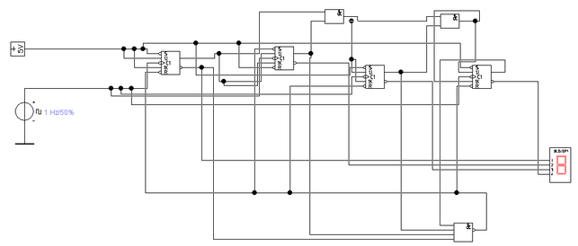
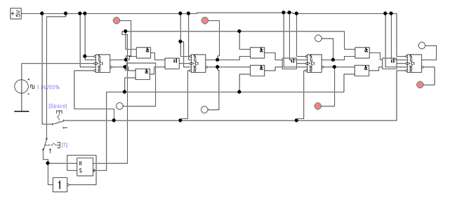
Асинхронный вычитающий на JK-триггерах
-
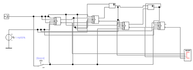
Асинхронный суммирующий на JK-триггерах
-
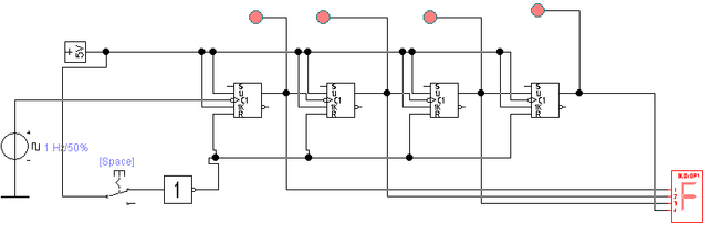
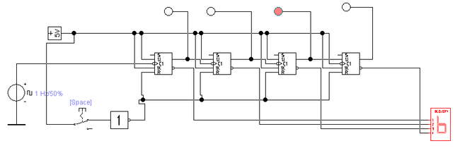
Асинхронный вычитающий на D-триггерах
-
Ограничение от D до 2
-
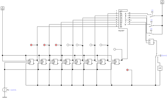
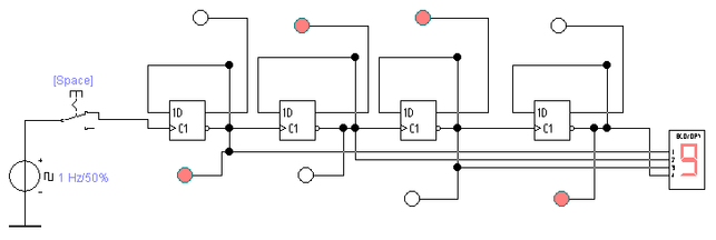
Реверсивный
-
Синхронный вычитающий на JK-триггерах
-
Доп задание
Характеристики
Тип файла документ
Документы такого типа открываются такими программами, как Microsoft Office Word на компьютерах Windows, Apple Pages на компьютерах Mac, Open Office - бесплатная альтернатива на различных платформах, в том числе Linux. Наиболее простым и современным решением будут Google документы, так как открываются онлайн без скачивания прямо в браузере на любой платформе. Существуют российские качественные аналоги, например от Яндекса.
Будьте внимательны на мобильных устройствах, так как там используются упрощённый функционал даже в официальном приложении от Microsoft, поэтому для просмотра скачивайте PDF-версию. А если нужно редактировать файл, то используйте оригинальный файл.
Файлы такого типа обычно разбиты на страницы, а текст может быть форматированным (жирный, курсив, выбор шрифта, таблицы и т.п.), а также в него можно добавлять изображения. Формат идеально подходит для рефератов, докладов и РПЗ курсовых проектов, которые необходимо распечатать. Кстати перед печатью также сохраняйте файл в PDF, так как принтер может начудить со шрифтами.
















