lab6 (1076510)
Текст из файла
| Защищено: Спиридонов С.Б. "__"_____________2013 г. | Демонстрация: Спиридонов С.Б. "__"_____________2013 г. |
Лабораторная работа № 6
по курсу "Схемотехника дискретных устройств"
Исследование счетчиков.
| ИСПОЛНИТЕЛЬ: | |
| студент группы ИУ5-42 | ________________ |
| Джураева Э.М. | "__"_____________2013г. |
Москва - 2013
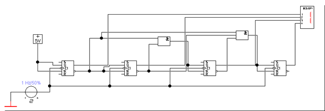
1. Суммирующий счетчик на D-триггерах
Примечание: при замыкании ключа 7 происходит остановка счетчика
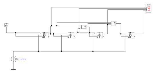
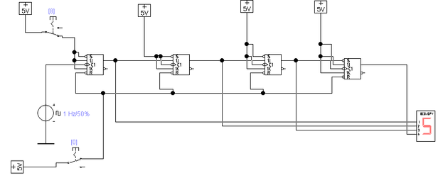
Суммирующий счетчик на J-K-триггерах:
Примечание: если разомкнуть ключ 0 - сброс счетчика в 0, если разомкнуть 8 - счетчик остановится.
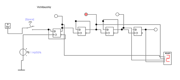
Вычитающий счетчик на D-триггерах:
Примечание: при нажатии на пробел (замкнутый ключ) остановка счетчика.
Вычитающий счетчик на J-K-триггерах:
Примечание: разомкнутый ключ 9 сбрасывает счетчик.
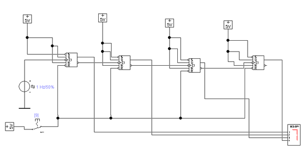
2. Трехразрядный реверсивный счетчик
Примечание: при замкнутом ключе 1 работает суммирующий счетчик, при разомкнутом - вычитающий.
Разомкнутый ключ 0 - сброс счетчика в 0
3. Суммирующий синхронный счетчик
Вычитающий синхронный счетчик
Характеристики
Тип файла документ
Документы такого типа открываются такими программами, как Microsoft Office Word на компьютерах Windows, Apple Pages на компьютерах Mac, Open Office - бесплатная альтернатива на различных платформах, в том числе Linux. Наиболее простым и современным решением будут Google документы, так как открываются онлайн без скачивания прямо в браузере на любой платформе. Существуют российские качественные аналоги, например от Яндекса.
Будьте внимательны на мобильных устройствах, так как там используются упрощённый функционал даже в официальном приложении от Microsoft, поэтому для просмотра скачивайте PDF-версию. А если нужно редактировать файл, то используйте оригинальный файл.
Файлы такого типа обычно разбиты на страницы, а текст может быть форматированным (жирный, курсив, выбор шрифта, таблицы и т.п.), а также в него можно добавлять изображения. Формат идеально подходит для рефератов, докладов и РПЗ курсовых проектов, которые необходимо распечатать. Кстати перед печатью также сохраняйте файл в PDF, так как принтер может начудить со шрифтами.
















