lab.4.счётчики (1076500), страница 3
Текст из файла (страница 3)
5. Как построить суммирующий двоичный счетчик на D-триггерах?
6. Как построить вычитающий двоичный счетчик на D-триггерах?
7. Как построить суммирующий двоичный счетчик на JK-триггерах?
8. Как построить вычитающий двоичный счетчик на JK-триггерах?
9. Определение реверсивного счетчика.
10. Общий принцип построения пересчетных схем.
11. Методика построения пересчетных схем с естественным порядком счета.
12. За счет чего можно сократить число входов элемента “И” в пересчетных схемах.
13. В чём особенность работы синхронного счётчика.
3. Моделирование работы счётчиков с помощью
программы анализа электронных схем
Electronic Workbench, часть 2.
3.1 Используемые элементы программы EWB.
Рис.10. Voltage Source – источник напряжения +5 вольт.
С помощью этого источника на вход триггеров и логических элементов подается логическая единица.
Р
ис.11. Переключатель (Basic->Switch).
Переключение производится нажатием на клавишу, указанную в скобках над этим элементом.
Р
ис.12. Логический элемент "И" (Logic gates->2-Input AND gate).
Р
ис.13. Логический элемент "ИЛИ" (Logic gates->2-Input OR gate).
Р
ис.14. Триггер типа D (Digital->D Flip-Flop)
Р
ис.15. Светоиндикатор (Indicators->red Prob).
При подаче на этот элемент логической единицы светодиод загорается красным цветом.
Р
ис.16. Источник прямоугольных сигналов (Sources->Clock).
Выполняет функцию синхронизатора, который обеспечивает одновременность подачи сигналов на входы триггеров.
Р
ис.17. Универсальный J-K триггер.
Рис.18. Универсальный J-K триггер с установочными входами.
Рис.19. Семисегментный цифровой индикатор.
4. Задание на выполнение лабораторной работы.
4.1. Составить схему асинхронного суммирующего
счётчика на D-триггерах.
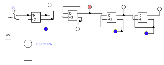
Рис.20. Схема асинхронного суммирующего счётчика на D-триггерах.
4.1.1 Пятивольтовый источник напряжения подсоединяется через переключатель к входу D1 триггера младшего (левого) разряда счетчика.
Для настройки управлением переключателя необходимо назначить клавишу для переключения данного переключателя. Для этого нужно двойным щелчком мыши кликнуть на изображении переключателя и меню настройки в форме KEY указать эту клавишу.
4.1.2 Инверсный выход триггера подключить к D-входу триггера,
чтобы обеспечить работу в счётном режиме. Такое соединение провести на всех триггерах всех разрядов.
4.1.3 К прямым выходам разрядов подключить семисегментный
индикатор с дешифратором.
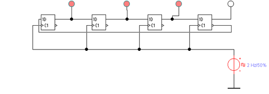
4.1.4. Итоговая схема счетчика может быть такой:
Р
ис.21. Итоговая схема асинхронного вычитающего счётчика.
5. Порядок проведения исследования работы
счетчиков.
5.1. Собрать четырёхразрядный асинхронный суммирующий счётчик на J-K триггерах. К прямым выходам триггеров подсоединить
семисегментный индикатор и светодиодные индикаторы.
Исследовать и зарисовать временную диаграмму работы счётчика.
Переделать схему в вычитающий счётчик. Зарисовать временную диаграмму работы.
5.2. Составить схему суммирующего синхронного
счётчика.
В основе схемы используются J-K триггеры. Из-за того,
что в библиотечных триггерах J-K есть только один J и один К
вход, необходимо реализовать логику управления старшими разрядами на внешних логических элементах.
На синхровходы всех разрядов подать синхроимпульсы
от генератора прямоугольных импульсов. На объединённые входы
J и K младшего разряда подать счетным импульс от пятивольтового источника с помощью переключателя.
Зарисовать временную диаграмму и пояснить с помощью
светодиодов, в какой момент осуществляется передача счётного сигнала старшему разряду.
6. Моделирование работы счетчика Джонсона
Для получения схемы счетчика Джонсона необходимо соединить
инверсный выход старшего разряда регистра с входом младшего.
Изменяя частоту синхроимпульсов, можно добиться разной скорости изменения состояний.
7. Задание для самостоятельной работы.
7.1. Собрать схему реверсивного асинхронного счётчика.
Управление направлением счёта организовать с помощью
управляющего триггера.
7.2. Ограничить модуль счётчика (вычитающего или суммирующего) числом, назначенным преподавателем. Собрать
схему анализа модуля счёта.
7.3. Собрать схему синхронного 4-х разрядного счётчика на универсальных J-K триггерах.
Содержание отчета.
1. Схемы, моделирующие работу счётчиков по всем пунктам
задания.
2. Временные диаграммы, поясняющие работу счётчиков.
3. Проанализировать работу счётчиков с помощью цифрового
индикатора (по выбору).
Контрольные вопросы.
1. Назначение счётчиков в вычислительных устройствах.
2. Признаки классификации счётчиков.
3. Коэффициент пересчёта счётчика.
4. Чем определяется максимальная частота поступления входных
сигналов на счётчик?
5. Какое свойство J-K триггеров позволяет построить на их основе синхронные счётчики?
6. Какое устройство позволяет построить реверсивный счётчик?
7. Поясните временную диаграмму работы счётчика Джонсона.
10. Литература.
1. В.И. Карлащук. Электронная лаборатория на IBM PC.
М., "СОЛОН-Р", 2001.
2. Электротехника и электроника в экспериментах и упражнениях:
Практикум на Electronics Workbench: В 2-х томах /Под общей
редакцией Д.И.Панфилова. М.: ДОДЭКА,2000.
3. Потёмкин И.С. Функциональные узлы цифровой автоматики. - М.: Энергоатомиздат, 1988. - 320 с.
4. Пухальский Г.И., Новосельцева Т.Я. Цифровые устройства: Учебное пособие
для втузов. - СПб.: Политехника, 1996. - 885 с.
5. Савельев А.Я. Арифметические и логические основы цифровых автоматов: Учебник. - М.: Высшая школа, 1980.-255 с.
6. Угрюмов Е.П. Цифровая схемотехника. - СПб.: БХВ - Санкт-Петербург, 2000 - 528 с.: ил.
7. http://spb-lta-kafapp.narod.ru/markich.htm
8. http://www.tstu.ru/education/elib/pdf/2005/chernva.pdf
9. http://workbench.host.net.kg/
10. http://electronics.bntu.edu.by/?page_id=9
















