lab4 (1076501)
Текст из файла
Московский государственный технический
университет им. Н.Э. Баумана
Отчёт по лабораторной работе №4
по курсу «Схемотехника»
| Выполнил: | |||
| студент группы ИУ5-42 | |||
| Строгонова В.И. | |||
| Подпись и дата: |
Москва, 2013 г.
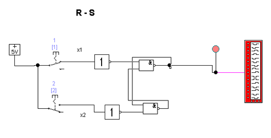
Схема №1(для генератора):
Диаграмма:
Схема №2(синхронный R-S триггер):
Диаграмма:
Схема №3(синхронный R-S триггер):
Диаграмма:
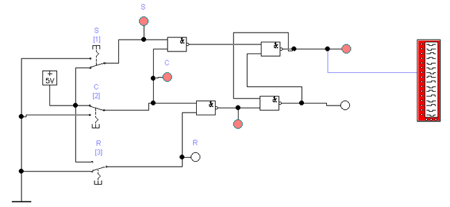
Схема №4(R – S триггер):
Диаграмма:
Схема №5(динамический R – S триггер):
Диаграмма:
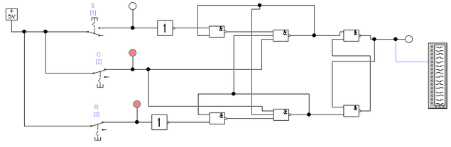
Схема №6 (проверка J – K триггера):
Диаграмма:
Характеристики
Тип файла документ
Документы такого типа открываются такими программами, как Microsoft Office Word на компьютерах Windows, Apple Pages на компьютерах Mac, Open Office - бесплатная альтернатива на различных платформах, в том числе Linux. Наиболее простым и современным решением будут Google документы, так как открываются онлайн без скачивания прямо в браузере на любой платформе. Существуют российские качественные аналоги, например от Яндекса.
Будьте внимательны на мобильных устройствах, так как там используются упрощённый функционал даже в официальном приложении от Microsoft, поэтому для просмотра скачивайте PDF-версию. А если нужно редактировать файл, то используйте оригинальный файл.
Файлы такого типа обычно разбиты на страницы, а текст может быть форматированным (жирный, курсив, выбор шрифта, таблицы и т.п.), а также в него можно добавлять изображения. Формат идеально подходит для рефератов, докладов и РПЗ курсовых проектов, которые необходимо распечатать. Кстати перед печатью также сохраняйте файл в PDF, так как принтер может начудить со шрифтами.
















