[4 семестр - ЭиУ] Лабораторная по регистрам (1076491)
Текст из файла
Министерство образования РФ
Государственное образовательное учреждение высшего профессионального образования «Московский государственный технический университет им. Н. Э. Баумана»
Кафедра ИУ5 «Системы Обработки Информации и Управления»
Лабораторная работа
по предмету: “Элементы и узлы ЭВМ”
на тему: “Синтез логических схем на элементах комбинационного типа”
Выполнил студент группы ИУ5-41:
Сидякин А.А.
Москва 2010
Цель работы: Ознакомление c возможностями моделирования работы схем регистров. Исследование схем регистров различного назначения, исследование преобразования параллельного и последовательного кода.
Регистр - это электронное устройство для запоминания (хранения) слова, а также для выполнения над словами некоторых логических операций.
Регистры выполняют следующие основные операции:
-
установка регистра в нулевое состояние (сброс);
-
приём слова из другого регистра;
-
передача слова в другой регистр;
-
сдвиг вправо и влево на требуемое число разрядов;
-
преобразование последовательного кода в параллельный и параллельного в последовательный.
Регистры, как правило, строятся на D-триггерах, т.к. эти триггеры позволяют производить запись информации однофазным кодом без предварительного "обнуления" по входу D
Различают, сдвигающие регистры, в которых возможен сдвиг хранимого кода и регистры без сдвига с приемом информации параллельным кодом.
Регистр с приёмом информации параллельным кодом. Эти регистры предназначены для приёма, хранения и выдачи информации кода одного m-разрядного слова, т.е. приём и выдача информации осуществляется в параллельном коде, рассматриваемый m-разрядный, регистр можно представить как совокупность одноразрядных регистров, имеющих общие шины управления
В регистрах сдвигающего типа осуществляется сдвиг слова влево или вправо на заданное число разрядов. 3а один такт происходит сдвиг на один разряд. Применяются эти peгистры в основном для преобразования параллельного кода в последовательный и наоборот, а также в арифметических устройствах при выполнении операций над специальными кодами. Сдвигающие регистры выполняются на D-триггерах.
1) Составим схему трехразрядного регистра для занесения слова параллельным кодом и возможностью вывода в прямом и обратном кодах и контролем по индикаторам:
На рисунках приведена возможность вывода в прямом и обратном кодах, и работа индикаторов.
Временная диаграмма:
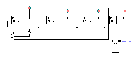
2) Составим схему сдвигающего регистра:
Временная диаграмма для него:
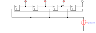
3) Промоделируем работу счётчика Джонсона:
Его работу поясняет временная диаграмма:
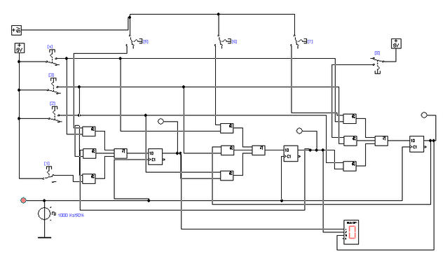
4) Соберём схему реверсивного сдвигающего регистра. Организуем управление направлением сдвига с помощью переключателя и обеспечим индикацию выполнения операций сдвига.
При закрытом ключе 4 и открытых ключах 3,2,1,8 имеем регистр для занесения слова параллельным кодом (входами являются 5,6,7):
При закрытом ключе 3 имеем регистр со сдвигом влево (источником сигнала является ключ 8, синхронизирующий сигнал даёт источник импульсного сигнала):
При закрытом ключе 2 имеем регистр со сдвигом вправо (источником сигнала является ключ 1, синхронизирующий сигнал даёт источник импульсного сигнала):
6
Характеристики
Тип файла документ
Документы такого типа открываются такими программами, как Microsoft Office Word на компьютерах Windows, Apple Pages на компьютерах Mac, Open Office - бесплатная альтернатива на различных платформах, в том числе Linux. Наиболее простым и современным решением будут Google документы, так как открываются онлайн без скачивания прямо в браузере на любой платформе. Существуют российские качественные аналоги, например от Яндекса.
Будьте внимательны на мобильных устройствах, так как там используются упрощённый функционал даже в официальном приложении от Microsoft, поэтому для просмотра скачивайте PDF-версию. А если нужно редактировать файл, то используйте оригинальный файл.
Файлы такого типа обычно разбиты на страницы, а текст может быть форматированным (жирный, курсив, выбор шрифта, таблицы и т.п.), а также в него можно добавлять изображения. Формат идеально подходит для рефератов, докладов и РПЗ курсовых проектов, которые необходимо распечатать. Кстати перед печатью также сохраняйте файл в PDF, так как принтер может начудить со шрифтами.
















