Отчет 4 - Схемы формирования импульсов (1075836)
Текст из файла
Московский Государственный Технический Университет имени Н. Э. Баумана
Отчёт к лабораторной работе №4
по курсу Микроэлектроника и Схемотехника
" Схемы формирования импульсов"
Работу выполнил студент группы ИУ-5-41
___________________ Осипов А.В.
Москва
2010
Цель работы
Исследовать статические режимы и переходные процессы в схеме простого транзисторного ключа.
Теоретическая часть
Формирователем называется схема, позволяющая изменять параметры импульсов: длительность, амплитуду, время фронта и среза импульсов. Типичными представителями этого класса устройств являются ограничитель амплитуды, дифференцирующие и интегрирующие цепи.
Ограничители амплитуды строятся на нелинейном элементе, в качестве которого могут использоваться полупроводниковые диоды и триоды. В зависимости от используемого нелинейного элемента, схемы его включения и режима работы существует большое разнообразие ограничителей (параллельные и последовательные диодные ограничители и т. д.).
Ограничители амплитуды используются:
- для формирования импульсов с плоской вершиной;
- для формирования импульсов нужной амплитуды;
- для селекции импульсов требуемой полярности и амплитуды;
- для формирования квазипрямоугольных (почти прямоугольных) импульсов из синусоидальных колебаний и т.д.
Дифференцирующие и интегрирующие цепи состоят из RC или RL элементов. Первые служат для получения коротких по длительности импульсов из перепадов напряжений; вторые – для расширения импульсов по длительности, в качестве линии задержки и простейшего генератора линейно изменяющегося напряжения.
Ограничитель представляет собой устройство, напряжение на выходе которого остается практически постоянным, при том, что входное напряжение стало больше (ограничение по максимуму) или меньше (ограничение по минимуму) некоторого предельного значения. Предельное напряжение в этом случае называется уровнем или порогом ограничения сверху или снизу. В пределах же порогов ограничения выходной сигнал по форме совпадает с входным.
Таким образом, ограничитель изменяет форму кривой подводимого к нему напряжения, срезая верхнюю или нижнюю кривой (или и ту, и другую). Например, при подаче на вход двустороннего ограничителя напряжения синусоидальной формы на выходе можно получить напряжение трапецеидальной (почти прямоугольной) формы (рис.1)
Входное напряжение в любой момент Uвх=Umsinωt=Umsin2πft
Где Um – максимальное значение амплитуды синусоидальных колебаний; T=1/f – период синусоидальных колебаний; ω, f – соответственно круговая и циклическая частоты синусоидальных колебаний.
Рис. 1. Эпюры напряжений (а) и схема (б) двухстороннего параллельного диодного ограничителя
При верхнем пороге ограничения Uпор1=E1 и нижнем Uпор2 = -E2 имеем Uпор1 – Uпор2 = Umsin2πftф, где tф – время фронта выходного напряжения. Обычно Т = 2πω >> tф
И синус можно заменить его аргументом. Тогда Uпор1 – Uпор2 ≈ Um2πftф.
Отсюда длительность фронта выходного напряжения определится следующим образом:
Выражение (1) позволяет выбрать параметры входного сигнала
Um, f и ограничителя Uпор1 и Uпор2 для получения нужной прямоугольности выходных импульсов.
В данной работе мы ограничимся исследованием последовательного и параллельного диодных ограничителей дифференцирующей и интегрирующей цепей.
Последовательный диодный ограничитель и диаграммы напряжения, поясняющие его работу, представлены на рис. 2.
Рис.2. Эпюры напряжений (а) и схема (б) последовательного ограничителя
Если переключатель П находится в положении 1, то происходит полное ограничение сверху входных сигналов (эпюра Uвых1); в положении 2 схема ограничивает входной сигнал сверху на уровне ЭДС подпора –Е (эпюра Uвых2).
Амплитуда выходного сигнала определяется следующим образом:
-
при положительных полуволнах входного сигнала диод VD практически разрывает цепь между входными и выходными клеммами, поэтому
; -
при отрицательных полуволнах входного сигнала диод открыт и
здесь
- прямое сопротивление диода.
Если изменить полярность включения диода, то получим схему ограничения снизу (по минимуму). Ограничение в схеме наступает за счет обратного смещения диода.
Качество работы в области пропускания и ограничения характеризуется коэффициентами передачи Кп и Ко соответственно. Эти характеристики определяются отношением приращений выходного и входного сигналов:
, где ru – внутреннее сопротивление источника входного сигнала, rд.пр, rд.обр – сопротивление диода при прямом и обратном смещении на нем соответственно.
При ограничениях импульсных сигналов с крутыми фронтами происходит искажение формы выходных сигналов, что обусловлено переходными процессами в схеме, связанными с зарядом емкости нагрузки Сн при формировании среза tc и разрядом емкости при формировании фронта tф (рис.3): tc = 2.2Cн(ru+rд.пр.); tф = 2.2СнR.
Нетрудно видеть, что всегда tф>tc .
Рис.3. Эпюры напряжений (а) и схема (б) последовательного ограничителя прямоугольных двухполярных импульсов
Параллельный диодный ограничитель по максимуму (сверху) и эпюры напряжений, поясняющие его работу, представлены на рис.4.
Если переключатель находится в положении 1, то происходит полное ограничение сверху входных полувершин (эпюра Uвых1); в положении 2 схема ограничивает входной сигнал сверху на уровне +Е (эпюра Uвых2).
Амплитуда выходного сигнала в этих случаях соответственно:
-
при положительных полуволнах входного сигнала диод VD открыт (при Uвх>0 для положения1; при Uвх>Е для положения 2) и
(Rогр - резистор, ограничивающий ток через открытый диод);
=Uвх при Uвх < Е;
= Е при Uвх > Е;
Рис.4. Эпюры напряжений (а) и схема (б) параллельного диодного ограничителя
Если считать, что ограничитель работает на нагрузку, то коэффициенты передачи
Как и в последовательном диодном ограничителе, на форму выходного сигнала в параллельном диодном ограничителе существенно влияет емкость нагрузки Сн (рис. 5).
Рис.5. Эпюры напряжений (а) и схема параллельного ограничителя (б) прямоугольных двухполярных импульсов
Формирование связано с разрядом емкости: tc = 2.2CнRогр.
При формировании фронта емкость нагрузки стремится перезарядиться с уровня –Е до уровня +Е с той же постоянной времени CнRогр. Однако как только напряжение на выходе достигает нулевого значения, открывается диод и дальнейший перезаряд емкости прекращается. Поэтому длительность фронта оказывается меньше длительности среза.
Если амплитуды положительной и отрицательной полуволны входного сигнала равны, то приближенно можно считать tср ≈ 0.7СнRогр.
Дифференцирующей называется цепь, сигнал на выходе которой пропорционален производной входного сигнала. Примеры дифференцирующих цепей представлены на рис. 6.
Дифференцирующие цепи служат для получения коротких импульсов из перепадов напряжений.
Выходное напряжение связано со входным соотношением
, где τ – постоянная времени дифференцирующей цепи.
Форма выходного сигнала зависит от соотношения между длительностью входного импульса tи и постоянной времени цепочки τ. Чем меньше постоянная времени τ =RC;
(τ=L/R), тем более короткие импульсы на выходе можно получить из перепадов напряжения. Цепочка, у которой τ >> tи , называется переходной.
Рис.6. Схемы дифференцирующих цепей (а) и эпюры напряжений (б)
Интегрирующая цепь имеет на выходе сигнал, пропорциональный интегралу входного сигнала. Примеры интегрирующей цепи приведены на рис. 7.
Интегрирующие цепи расширителями импульсов, а также используются в качестве линии задержки и генератора линейно изменяющегося напряжения.
Выходное напряжение связано с входным соотношением
, где τ =RC; (τ=L/R) – постоянная времени интегрирующей цепи. Передний фронт выходного импульса tф = 2.2τ.
Рис.7. Схема интегрирующих цепей (а) и эпюры напряжений (б)
Описание макета
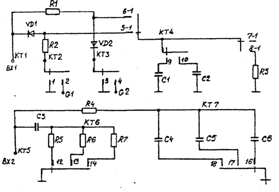
Макет, схема которого представлена рис.8, состоит из двух частей. Верхняя часть схемы включает в себя последовательный диодный ограничитель (VD1, R2), параллельный диодный ограничитель (VD2, R1) и нагрузки емкостную (С1, С2) и активную (R3). С помощью источников G1 и G2 можно изменять порог ограничителя.
Нижняя часть схемы включает в себя дифференцирующую (C3, R5, R6, R7) и интегрирующую (R4, C4, C5, C6) цепи.
Изменяя с помощью переключателей сопротивления в дифференцирующей цепи и конденсаторы в интегрирующей, изменяют постоянные времени соответствующих цепей. В макете использованы диоды KD510A.
Номиналы резисторов и конденсаторов, установленных в макете:
R1=R2=R3=5.1кОм; R4 = 9.1кОм; R5 = 1.1МОм; R6 = 68кОм; R7 = 20кОм; С1 = 6800пФ;
С2 = 3300пФ; С3 = 1000пФ; С4 = 0.047мкФ; С5 = 0.015мкФ; С6 = 6800пФ.
Практическая часть
Последовательный диодный ограничитель:
При подаче синусоидального сигнала на вход, на выходе имеем следующую картину для разных значений напряжения:
Параллельный диодный ограничитель:
Получаем следующую картину на выходе:
Для двух параллельно включенных диодных ограничителей получаем:
Рассмотрим дифференцирующую цепочку:
Проанализируем форму выходного сигнала при различных значениях выходного сопротивления R1:
Рассмотрим интегрирующую цепочку:
Проанализируем форму выходного сигнала при различных значениях выходного сопротивления C2:
10
Характеристики
Тип файла документ
Документы такого типа открываются такими программами, как Microsoft Office Word на компьютерах Windows, Apple Pages на компьютерах Mac, Open Office - бесплатная альтернатива на различных платформах, в том числе Linux. Наиболее простым и современным решением будут Google документы, так как открываются онлайн без скачивания прямо в браузере на любой платформе. Существуют российские качественные аналоги, например от Яндекса.
Будьте внимательны на мобильных устройствах, так как там используются упрощённый функционал даже в официальном приложении от Microsoft, поэтому для просмотра скачивайте PDF-версию. А если нужно редактировать файл, то используйте оригинальный файл.
Файлы такого типа обычно разбиты на страницы, а текст может быть форматированным (жирный, курсив, выбор шрифта, таблицы и т.п.), а также в него можно добавлять изображения. Формат идеально подходит для рефератов, докладов и РПЗ курсовых проектов, которые необходимо распечатать. Кстати перед печатью также сохраняйте файл в PDF, так как принтер может начудить со шрифтами.
















