ЛР 1 (1075825)
Текст из файла
| Защищено: Радюкевич В.В. "__"_____________2013 г. | Демонстрация: Радюкевич В..В "__"_____________2013 г. |
Лабораторная работа №1 по курсу
Электроника.
| ИСПОЛНИТЕЛЬ: |
|
| студент группы ИУ5-41 | ________________ |
| Пупин Константин |
"__"_____________2013 г. |
Москва - 2013
__________________________________________________________
Однополупериодный выпрямитель, работающий на активную нагрузку.
Схема для получения положительного выходного напряжения и осциллограмма к ней:
Схема и осциллограмма для получения отрицательного выходного напряжения:
Н
ахождение коэффициента пульсации:
Схема со сглаживающим фильтром и осциллограмма к ней:
П
осчитаем коэффициенты пульсации на входе и на выходе для этой схемы. Считаем коэффициент пульсации на входе:
Коэффициент сглаживания:
Считаем коэффициент стабилизации для следующей схемы:
Смотрим график выпрямления для нее:
Двухполупериодный выпрямитель, работающий на активную нагрузку.
Осциллограмма с прямым напряжением:
С обратным напряжением:
Осциллограмма схемы с 4 диодами:
Н
аходим ее коэффициент пульсации:
Осциллограмма схемы с 4 диодами и???
Н
аходим для нее коэффициент пульсации входного напряжения:
Выходного напряжения:
О
сциллограмма и коэффициент стабилизации:
Схемы к защите:
Схемы управляемых выпрямителей:
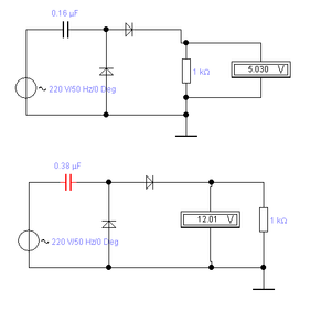
Получить выходное напряжение 5 и 12 вольт, изменяя емкость:
Моделирование цепи по схеме умножения.
Цель – получить выходное напряжение U вых = 800 В с помощью входного источника напряжения 220 В, конденсаторов на 100 мкФ и диодов.
В цепи 7 сегментов идентичной структуры. С помощью них было достигнуто увеличение напряжения на 90 В, следовательно, для достижения 800 В потребуется N = (800-220)/(90/7) = 45 сегментов, состоящих из диода и конденсатора.
Вопросы к защите:
1. Принцип работы p-n перехода.
p-n-Перехо́д (n — negative — отрицательный, электронный, p — positive — положительный, дырочный), или электронно-дырочный переход — область пространства на стыке двух полупроводников p- и n-типа, в которой происходит переход от одного типа проводимости к другому.
В полупроводнике p-типа концентрация дырок намного превышает концентрацию электронов. В полупроводнике n-типа концентрация электронов намного превышает концентрацию дырок. Если между двумя такими полупроводниками установить контакт, то возникнет диффузионный ток — носители заряда, хаотично двигаясь, перетекают из той области, где их больше, в ту область, где их меньше. При такой диффузии электроны и дырки переносят с собой заряд. Как следствие, область на границе станет заряженной, и область в полупроводнике p-типа, которая примыкает к границе раздела, получит дополнительный отрицательный заряд, приносимый электронами, а пограничная область в полупроводнике n-типа получит положительный заряд, приносимый дырками. Таким образом, граница раздела будет окружена двумя областями пространственного заряда противоположного знака.
Электрическое поле, возникающее вследствие образования областей пространственного заряда, вызывает дрейфовый ток в направлении, противоположном диффузионному току. В конце концов, между диффузионным и дрейфовым токами устанавливается динамическое равновесие и перетекание зарядов прекращается.
2. Виды пробоев. В каких деталях используются электрические пробои? Какие они бывают?
Обратное напряжение, приложенное к диоду, падает на выпрямляющем электрическом переходе (p-n переход) диода. При больших обратных напряжениях происходит пробой p-n перехода. Пробой p-n перехода (и соответственно пробой диода) – это явление резкого уменьшения дифференциального сопротивления p-n перехода, сопровождающееся резким увеличением обратного тока, при достижении обратным напряжением критического для данного прибора значения.
Пробой приводит к выходу p-n перехода из строя лишь в том случае, когда возникает чрезмерный разогрев перехода и происходят необратимые изменения его структуры. Если же мощность, выделяющаяся в p-n переходе, не превышает максимально допустимой, он сохраняет работоспособность и после пробоя. Поэтому для некоторых типов диодов пробой является основным рабочим режимом.
Напряжение, при котором наступает пробой перехода, зависит от типа p-n перехода и может иметь величину от единиц до сотен вольт.
В зависимости от физических явлений, приводящих к пробою, различают тепловой, лавинный и полевой пробои. Два последних вида пробоя p-n перехода относятся к электрическому пробою. Резкий рост обратного тока p-n перехода в режиме пробоя происходит за счет увеличения числа носителей заряда в переходе. При тепловом пробое число носителей заряда в переходе возрастает за счет термической ионизации атомов, при электрическом пробое – под действием сильного электрического поля и ударной ионизации атомов решетки.
Явление лавинного пробоя в полупроводниках используется в работе стабилитронов, ЛИЗМОП-структур, лавинно-пролётных диодов, лавинных фотодиодов.
3. Последовательное и параллельное включение диодов.
Последовательное соединение диодов используется, если максимально допустимое обратное напряжение диода меньше подаваемого напряжения, для повышения максимального обратного напряжения. Параллельное соединение диодов используется, если максимально допустимый ток через диод меньше пропускаемого тока, при необходимости получения больших токов нагрузки (прямого тока).
4. Управляемый выпрямитель
Управляемый выпрямитель – это выпрямитель, на выходе которого величина напряжения может изменяться по заданному закону (выпрямитель, который совмещает выпрямление переменного напряжения (тока) с управлением выпрямленным напряжением (током)). В таких выпрямителях вместо диодов применяются триодные тиристоры, позволяющие изменять момент их перехода в открытое состояние. Переход тиристора из закрытого состояния в открытое происходит под действием управляющего импульса.
5. Принцип работы компенсационного стабилизатора.
Принцип работы компенсационного стабилизатора напряжения основан на изменении сопротивления регулирующего элемента в зависимости от управляющего сигнала. Компенсационные стабилизаторы напряжения относятся к стабилизаторам непрерывного действия, представляющие собой устройства автоматического регулирования, которые с точностью поддерживают напряжение на нагрузке независимо от изменения входного напряжения и тока нагрузки.
Компенсационные стабилизаторы напряжения бывают последовательного и параллельного типа. Рассмотрим структурную схему стабилизатора последовательного типа. Задающее напряжение с источника опорного напряжения поступает на вход схемы управления. С делителя часть напряжения также подается на вход схемы управления. В результате чего, суммирующим напряжением управляет регулирующий элемент, сопротивление которого меняется в ту или другую сторону. В случае изменения напряжения на входе стабилизатора, коем образом отразится и на выходе источника, сигнал с делителя подается на схему управления и та, сравнивая напряжение, приходящего с источника опорного напряжения, даст команду регулятору на увеличение или уменьшение сопротивления. Параллельная схема. Действие та-кого стабилизатора основано на изменении проводимости регулирующего элемента, вызы-вающее изменение падения напряжения на балластном резисторе. Основное достоинство схемы - не меняющийся ток, потребляемый от сети, при импульсном изменении тока нагрузки. Ну а теперь о принципиальной схеме. Транзистор Т1 выполняет роль регулирующего элемента. Источник опорного напряжения, иначе, как параметрический стабилизатор - резистор R1 и стабилитрон D1. Делитель состоит из цепочки резисторов R2, R3, R4. Лицо управляющей схемы или усилителя постоянного тока - транзистор Т2. Источник опорного напряжения задает для усилителя идеальное напряжение в цепь эмиттера т2. На его же базу поступает напряжение с делителя. При изменении выходного напряжения и напряжения на базе Т2, в сравнении с напряжением на эмиттере, регулятор задает такой режим, что сопротивление его перехода изменяется, а напряжение на нагрузке остается постоянным. Резистор R3 регулирует выходное напряжение.
6. Принцип работы схемы умножения.
Выпрямители с емкостным фильтром позволяют реализовать схемы с умножением напряжения, что дает возможность получить удвоенное, утроенное и т. д. напряжение по сравнению с напряжением однополупериодного выпрямителя. Такие выпрямители применяются для питания маломощных высоковольтных устройств, потребляющих незначительный ток (несколько миллиампер); рентгеновские трубки, аноды высоковольтных электронно-лучевых трубок и др.
Принцип работы схем с умножением напряжения основан на использовании нескольких конденсаторов, каждый из которых заряжается от одной и той же обмотки трансформатора через соответствующий вентиль. По отношению к нагрузке конденсаторы оказываются включенными последовательно, и их напряжения суммируются. Схемы умножения можно использовать и с бестрансформаторным включением в сеть переменного тока.
7
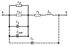
. Эквивалентная схема диода.
Полная эквивалентная схема диода, учитывающая электромагнитные поля, образующиеся при установке его в резонатор, может быть представлена в виде сложной электрической цепи с сосредоточенными L и С-элементами, которые зависят от типа и размеров резонатора и устройства крепления диода. Однако в сантиметровом диапазоне практически во всех случаях (независимо от типа резонатора) можно использовать приближенную эквивалентную схему, которая учитывает индуктивность вывода (соединительной проволочки и электродов) LnT, емкость керамической втулки между электродами Cpt и индуктивность Lp, обусловленную точками СВЧ, растекающимися по поверхности шляпки корпуса от контакта ее с резонатором.
8
. ВАХ стабилитрона. Какое максимальное входное напряжение можно подавать на параметрический стабилизатор?
Характеристики
Тип файла документ
Документы такого типа открываются такими программами, как Microsoft Office Word на компьютерах Windows, Apple Pages на компьютерах Mac, Open Office - бесплатная альтернатива на различных платформах, в том числе Linux. Наиболее простым и современным решением будут Google документы, так как открываются онлайн без скачивания прямо в браузере на любой платформе. Существуют российские качественные аналоги, например от Яндекса.
Будьте внимательны на мобильных устройствах, так как там используются упрощённый функционал даже в официальном приложении от Microsoft, поэтому для просмотра скачивайте PDF-версию. А если нужно редактировать файл, то используйте оригинальный файл.
Файлы такого типа обычно разбиты на страницы, а текст может быть форматированным (жирный, курсив, выбор шрифта, таблицы и т.п.), а также в него можно добавлять изображения. Формат идеально подходит для рефератов, докладов и РПЗ курсовых проектов, которые необходимо распечатать. Кстати перед печатью также сохраняйте файл в PDF, так как принтер может начудить со шрифтами.
















