ЛР 1 (1075825), страница 2
Текст из файла (страница 2)
Ucт — номинальное напряжение стабилизации; Iмин и Iмакс — минимальный и максимальный токи в области стабилизации напряжения.
П
ромышленность выпускает стабилитроны с напряжением стабилизации в пределах 3 – 2000 В, с током стабилизации от 1 до 2000 мА, с дифференциальным сопротивлением 0,5 – 500 Ом.
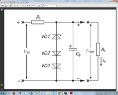
9. Последовательное включение параметрических стабилизаторов.
Для стабилитронов с низким напряжением стабилизации (< 5...6 В) температурный коэффициент напряжения стабилизации имеет отрицательный знак, а для стабилитронов с большим значением напряжения стабилизации — положительный. Для компенсации температурного ухода напряжения стабилизации в параметрические стабилизаторы могут вводиться различные дополнительные элементы. Например, в приведенной схеме последовательно со стабилитроном включены два диода в прямом смещении. Такая схема предполагает, что напряжение стабилизации стабилитрона превышает 6 В, а температурный коэффициент напряжения стабилизации составляет около 4 мВ/°C. Известно, что кремниевые диоды в прямом включении имеют отрицательный коэффициент напряжения (порядка –2 мВ/°C), поэтому последовательное включение двух диодов компенсирует температурный уход напряжения стабилитрона.
Для повышения стабильности выходного напряжения применяют каскадные (последовательные) схемы стабилизаторов. Но при каскадном соединении происходит снижение КПД.
















