Методические указания по электронике (Иванов С.Р.) (1075823), страница 2
Текст из файла (страница 2)
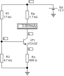
Картина распределения узловых потенциалов представлена в табл. 3. Отклонение тока коллектора от заданного значения
, что приемлемо.
Рис. 4. Моделирование работы усилителя на постоянном токе
Таблица 3. Распределение узловых потенциалов в схеме рис. 4.
Рис. 5. Передаточная характеристика участка база-коллектор для схемы рис. 4
Расположение рабочей точки усилителя в середине линейной части передаточной характеристики (рис. 5) (при этом транзистор работает в нормальной активной области) свидетельствует о том, что основная задача данной стадии проектирования – выбор резисторов, обеспечивающих положение рабочей точки усилителя в классе А – решена верно.
Кроме того, из рис. 5 можно приблизительно определить коэффициент усиления по напряжению на постоянном токе:
(знак «минус» говорит о том, что усилитель будет инвертировать входной сигнал).
-
Изучение влияния изменения параметров транзистора на работу усилителя
Из :
, поэтому ток коллектора при увеличении коэффициента усиления транзистора VT1 (рис. 4) в два раза должен составлять:
То есть, изменение коллекторного тока теоретически должно составить
или
от номинального значения.
Если же, наоборот, уменьшить коэффициент усиления транзистора VT1 в два раза:
При проверке полученных результатов с помощью моделирования в программе Electronic Workbench 5.12 есть некоторые особенности. Математическая модель биполярного транзистора в этой программе содержит параметр
(где
,
– тепловые токи соответственно эмиттерного и коллекторного переходов). Поэтому чтобы изменение параметра
не повлияло на тепловые токи переходов, нужно соответствующим образом изменять параметры
и
.
Проанализируем поведение схемы при увеличении в 10 раз неуправляемого тока коллекторного перехода
.
Ток
равен сумме двух составляющих: теплового тока коллекторного перехода
и тока утечки
, обусловленного дефектами структуры коллекторного перехода. Для простоты, пренебрегая второй составляющей, будем считать
.
Поскольку для транзистора справедливо равенство
, то увеличение в 10 раз теплового тока коллекторного перехода
приведёт к увеличению во столько же раз теплового тока эмиттерного перехода
. Это, в свою очередь, повлечёт уменьшение напряжения на участке база-эмиттер транзистора, поскольку
.
Чтобы вычислить изменение коллекторного тока, запишем:
тогда
Обозначив
, можно показать, что
В данном случае
. Кроме того,
, тогда из :
Окончательно, из :
Сопоставление данных аналитического расчёта и результатов моделирования дано в таблице 4.
Таблица 4. Данные к изучению влияния изменения параметров транзистора на работу усилителя
-
Анализ результатов моделирования работы схемы на постоянном токе
Результаты аналитического расчёта практически совпадают с результатами моделирования. Различие между ними не превышает 6%. Наличие этих расхождений объясняется следующим:
-
при аналитическом расчёте не учитывался обратный ток коллекторного перехода
; -
в процессе аналитического расчёта не учитывалось сопротивление базовой области транзистора и эффект модуляции базы (эффект Эрли);
-
отсутствуют детальные описания алгоритмов, используемых программой Electronic Workbench, что затрудняет осознанное задание многочисленных параметров и потенциально является источником ошибок.
-
Определение малосигнальных параметров схемы
При анализе переменных составляющих сигнала использование нелинейной модели Мола-Эберса для описания работы транзистора не имеет смысла, так как связь между малыми приращениями определяется не самими функциями, а их производными. Поэтому для анализа переменных составляющих пользуются специальными – малосигнальными моделями, состоящими из линейных элементов.
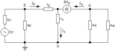
Чтобы получить малосигнальную модель (рис. 6) усилителя (рис. 1), необходимо транзистор VT1 заменить малосигнальной Т‑образной схемой и учесть, что выводы, подключённые к шине питания, всегда имеют постоянный потенциал, что эквивалентно их заземлению на переменном токе.
Рис. 6. Малосигнальная схема усилителя
Далее для простоты будем считать, что сопротивление
достаточно велико (не шунтирует генератор тока). Тогда его можно исключить из схемы.
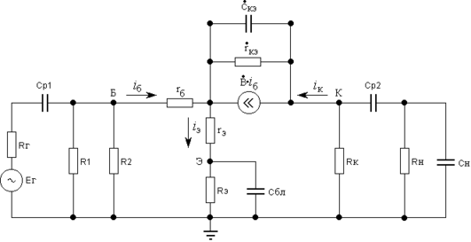
Конденсаторы
,
,
имеют большое сопротивление на низких частотах, что приводит к спаду амплитудно-частотной характеристики (АЧХ) усилителя в области низких частот. Шунтирующее действие конденсаторов
,
проявляется на высоких частотах и приводит к спаду АЧХ в этой области. Как правило, в области средних частот АЧХ усилителя идёт горизонтально – это позволяет сказать, что в данной частотной области ни один из конденсаторов не оказывает существенного влияния на прохождение сигнала. Поэтому, для различных частотных областей можно строить отдельные малосигнальные схемы, более простые, чем универсальная (рис. 6).
Построим малосигнальную схему усилителя для области средних частот. Как было сказано, в этой области частотной области не один из конденсаторов в схеме рис.6 существенно не влияет на прохождение сигнала, поэтому закоротим их. Кроме того, коэффициент усиления тока будем считать не комплексной (что необходимо для учёта ёмкостей переходов транзистора), а действительной величиной. Получим схему (рис. 7), по которой легко вычислить основные малосигнальные параметры усилителя.
Рис. 7. Малосигнальная схема усилителя для средних частот
Дифференциальное сопротивление эмиттерного перехода транзистора:
Входное сопротивление транзистора, включённого по схеме с общим эмиттером:
Как видно из рис. 7, входное сопротивление усилителя:
Выходное сопротивление усилителя:
Если обозначить
, то коэффициент усиления по напряжению:
Коэффициент усиления по току:
Коэффициент усиления мощности:
Коэффициент передачи ЭДС генератора:
Амплитуда входного напряжения, при которой начинают возникать нелинейные искажения, приблизительно можно вычислить (см. рис. 5) как
-
Расчёт емкостей конденсаторов и верхней граничной частоты усиления
Эквивалентная постоянная времени для нижней граничной частоты усилителя:
Как сказано выше, в области низких частот на прохождение сигнала влияют лишь конденсаторы
,
,
(рис. 8). Поэтому можно записать
где постоянные времени перезарядки
,
,
определяются при условии, что в схеме присутствует лишь единственный (соответствующий) конденсатор.
Рис. 8. Малосигнальная схема усилителя для низких частот
Ёмкости конденсаторов рассчитаем, полагая, что
,
,
дают одинаковый вклад в эквивалентную постоянную времени перезарядки всей схемы
, то есть:
















