RC-генератор-1 (1075527), страница 3
Текст из файла (страница 3)
Р
ис. 12. Формы выходного напряжения RC-генератора с нелинейной цепью обратной связи.
___ - коэффициент усиления для малого сигнала К1=3.51, для большого К2=2.61,
….. - коэффициент усиления для малого сигнала К1=5.01, для большого К2=2.14,
---- - коэффициент усиления для малого сигнала К1=7.01, для большого К2=1.90.
В таком генераторе выходное напряжение представляет собой искаженную синусоиду, у которой на периоде Т меняется масштабный множитель с К1 на К2. Отличие от гармонического сигнала возрастает с увеличением разницы между коэффициентами усиления К1 и К2. С ростом коэффициента усиления для малого сигнала К1 для сохранении амплитуды Um выходного напряжения необходимо уменьшать коэффициент усиления для большого сигнала К2, что приводит к возрастанию искажений. Аналогичная тенденция наблюдается при повышении порогого напряжения Upor, определяющего состояние ключа S1. Из (32) следует, что чем меньше выбирается напряжение Upor, тем меньше отличаются коэффициенты усиления К1 и К2, а это способствует генерации более чистого гармонического напряжения
Так как генерируемое напряжение является периодической функцией, то его можно разложить в ряд Фурье и по составляющим ряда оценить коэффициент гармоник Kn. Результаты данных расчетов, проведенные с помощью Mathcad, представлены на рис. 13.
Р
ис. 13. Зависимость коэффициента гармоник Kn выходного напряжения RC-генератора с нелинейной обратной связью от коэффициента усиления для малого сигнала К1.
_____ - Upor=0.8 B., …. – Upor=2 B., - - - -Upor=4 B., -.-.-. –Upor=6 B.
Амплитуда напряжения генерации Um=10 B.
Результаты расчетов показывают, что использование нелинейной обратной связи с дискретным управлением позволяет уменьшить в автогенераторе коэффициент гармоник до несколько единиц процентов. Для этого необходимо применять в генераторах управляемые ключи с малым управляющим напряжением (Upor), а в усилителе устанавливать коэффициент усиления К1, обеспечивающий небольшое превышение над порогом генерации.
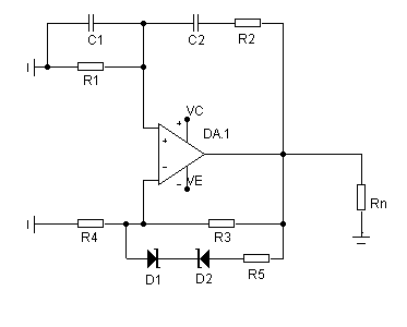
Рассмотренный принцип работы автогенератора с дискретной нелинейной обратной связи можно реализовать с помощью полупроводниковых диодов, исполняющих роль управляемого ключа. В диодах используется зависимость их сопротивления по переменному току от напряжения на диоде или протекаемого тока. Например, сопротивление по переменному току r стабилитрона при обратных напряжениях меньше напряжения стабилизации Ucт имеет большую величину (ключ S1 разомкнут), при напряжениях более Uст сопротивление r мало (ключ замкнут). Поскольку стабилитроны выполняются в основном из кремневого полупроводника, то падение напряжения в прямом направлении, как правило, не превышает 0.7 – 0.8 В. Поэтому использование двухстороннего стабилитрона или последовательное встречное включение двух стабилитронов могут выполнить функцию управляемого ключа. Такое решение использовано в RC-генераторе, принципиальная схема которого приведена на рис. 14.
Р
ис. 14. Принципиальная схема RC-генератора с мостом Вина и нелинейной отрицательной обратной связью.
В
данном автогенераторе при малых значениях мгновенного выходного напряжения один из последовательно включенных стабилитронов оказывается в запертом состоянии (ключ S1 разомкнут). Для таких напряжений неинвертирующий усилительный каскад имеет коэффициент усиления
(33)
Величина К1 выбирается из условия возбуждения автоколебаний в генераторе; например, при использовании моста Вина с R1=R2 и C1=C2 коэффициент усиления К1 должен быть больше 3-х. При достижении мгновенного выходного напряжения ОУ величины Upor, при котором падение напряжения на резисторе R3 равно сумме напряжения стабилизации Uст и прямого падения напряжения на диоде Uпр, обратно смещенный стабилитрон пробивается (ключ S1 замкнут). Связь между напряжениями Upor и Uст+Uпр легко записать, так как резисторы R3 и R4 образуют делитель выходного напряжения
Исходя из допустимого коэффициента нелинейных искажений Кн, в таких автогенераторах выбирают напряжение Upor, при котором происходит смена режима усиления. Для его реализации по (34) определяют необходимое напряжение стабилизации Uст стабилитрона.
При мгновенных выходных напряжений выше Upor один из стабилитронов переходит в режим пробоя, суммарное сопротивление стабилитронов резко падает, поэтому резисторы R3 и R5 оказываются включены параллельно. Для таких напряжений коэффициент усиления каскада уменьшается до величины
Величины коэффициентов усиления К1 и К2 между собой связаны соотношением (32). Поэтому для получения необходимого коэффициента усиления К2 из (35) определяется величина сопротивления R5. Проделав несложные преобразования, получим
(36)
Зная сопротивления R5, приближенно можно оценить минимальный ток Iст.min, проходящий через стабилитроны при наступлении пробоя
Iст.min Upor/(R4+R5) (37)
Определенные напряжение стабилизации Uст по (34) и минимальный ток стабилизации Iст.min по (37) являются основанием выбора типа стабилитронов, необходимые для работы автогенератора.
Как указывалось выше, для получения малых коэффициентов гармоник в автогенераторе необходимо проводить изменения коэффициентов усиления при малых мгновенных выходных напряжений. Но стабилитроны имеют минимальное напряжение стабилизации в пределах 3 – 4 В., а поэтому с их помощью согласно (34) удается получить минимальные управляющие напряжения на уровне 4 – 5 В. Для получения более низкого напряжения Upor можно использовать вместо стабилитронов параллельное встречное включение полупроводниковых диодов. Известно, что при прямом включении падение напряжения на кремневых диодах и диодов Шотки меняется в небольших пределах при изменении тока от минимальной Iпр.min до допустимой максимальной Iпр.max величины. (ориентировочно можно принять Iпр.min=(0.01 – 0.1) Iпр.max). Поэтому параллельное встречное соединение двух таких диодов выполняют функцию двухстороннего стабилитрона с низким напряжение (0.5 – 0.7 В.) стабилизации.
В заключении отметим, что с увеличением напряжения пробой в стабилитроне на начальном участке проходит плавно. Поэтому смена коэффициента усиления с К1 на К2 и обратно будет происходить не скачкообразно, а это способствует уменьшению коэффициента гармоник генерируемого напряжению. Основным достоинством таких схем RC-генераторов является простота реализации, но, к сожалению, получить от них гармоническое напряжение с коэффициентом гармоник Kn менее 1% крайне затруднительно.















