Усилительные каскады на ОУ (1075523), страница 2
Текст из файла (страница 2)
где Коу(0) – коэффициент усиления ОУ по постоянному току, оу – постоянная времени ОУ, связанная с частотой единичного усиления f1 соотношением
оу = Коу(0) / j2f1. (16)
Такая частотная характеристика ОУ приводит к тому, что частотная зависимость коэффициентов усиления усилительных каскадов на ОУ с резистивной цепью ООС определяется как
Ки,н(f)=Kи,н(0)/(1+ j2fв), (17)
где Kи,н(0) – коэффициенты усиления инвертирующего или неинвертирующего усилительных каскадов по постоянному току, определяемые соотношениями (5) или (6), в – эквивалентная постоянная времени усилительного каскада в области верхних частот, равная
в =оу /(1+ Коу)= Kи,н / j2f1 . (18)
Отсюда следует, что верхняя граничная частота fв полосы усиления усилительного каскада на ОУ, определяемая из условия, что на данной частоте модуль коэффициента равен Ки,н(fв)= Kи,н(0)/2, связана с частотой единичного усиления f1и коэффициентом усиления каскада по постоянному току Kи,н(0) соотношением
fв = f1/ Kи,н(0) (19)
Характерной чертой таких каскадов является постоянство площади усиления вне зависимости от коэффициента усиления
fв Kи,н(0)= f1=соnst, (20)
которая определяется исключительно параметром ОУ.
З
ависимость модуля коэффициента усиления каскада от частоты сигнала называют амплитудно-частотной характеристикой (АЧХ). Для усилительных каскадов на ОУ ее принято представлять в логарифмическом масштабе (ЛАЧХ). Данную характеристику обычно аппроксимируют двумя прямыми: в области нижних и средних частот горизонтальной линией на уровне 20lgKи,н(0) и в области верхних частот линей с наклоном 20 дБ/дек, пересекающей ось абсцисс (Kи,н=0 дБ) в точке, соответствующей частоте единичного усиления f1. Точка пересечения горизонтальной и наклонной линий (полюс АЧХ) соответствует верхней граничной частоте полосы усиления усилительного каскада на ОУ, т.е. где модуль коэффициента усиления каскада уменьшается на 3 дБ (в 1,414 раз) по сравнению с его значением в области низких и средних частот. Типичный вид ЛАЧХ усилительного каскада на ОУ при различных коэффициентах усиления показан на рис. 8.
Рис. 8. ЛАЧХ усилительного каскада на ОУ.
жирной линией показана реальная характеристика, тонкой – аппроксимированная отрезками прямых линий.
Если при заданном коэффициенте усиления каскада необходимо уменьшить верхнюю граничную частоту полосы усиления, то резистор R2 цепи ООС шунтируют конденсатором С2. В этом случае частотная характеристика усилительных каскадов на ОУ записывается следующим образом:
Ки,н(f)=Kи,н(0)/[1+ j2f(в+2)], (21)
где 2=R2C2 – постоянная времени цепи ООС. При этом верхняя граничная частота полосу усиления усилительного каскада определяется как
fв=1/2f(в+2) (22)
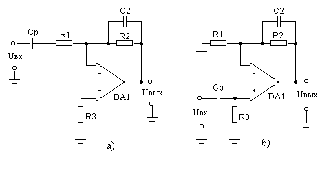
Если усилительные каскады предназначены для усиления только переменного напряжения, то во входной цепи используются разделительные конденсаторы Ср, как показано на рис. 9.
Рис. 9. Схема инвертирующего (а) и неинвертирующего (б) усилительных каскадов переменного напряжения на ОУ.
Такой конденсатор совместно с входным сопротивлением каскада образует фильтр верхних частот, а поэтому коэффициент усиления каскада на ОУ в области нижних частот уменьшается и представляется функцией
Ки,н(f)=Kи,н(0)/(1+1/ j2fн), (23)
где н – постоянная времени входной цепи усилительного каскада на ОУ. Для инвертирующего усилительного каскада (рис.9а) постоянная времени определяется как
н.и =Ср Rвх.и СрR1, (24)
а для неинвертирующего каскада (рис.9б) как
н.н =Ср Rвх.н СрR3. (25)
Если определять нижнюю граничную частоту fн полосы усиления каскада как частоту, на которой модуль коэффициента усиления уменьшается в 2 раз, то она равна
fн =1/2fн (26)
Отсюда следует, что нижняя граничная частота полосы усиления каскада определяется номиналом емкости разделительного конденсатора, так как выбор резисторов R1 и R3 из условия минимизации напряжения смещения выходного напряжения. Как следует из (23), в представленных схемах усилительных каскадов переменного напряжения модуль коэффициента усиления уменьшается в области нижних частот (f<fн) со скоростью 20 дБ/дек. Типичный вид АЧХ таких каскадов показан на рис. 10.
Р
ис. 10. ЛАЧХ инвертирующего усилительного каскада на ОУ с коэффициентом усиления Ku=10 (20 дБ).
-
ИСПОЛЬЗУЕМОЕ ОБОРУДОВАНИЕ.
При проведении лабораторной работы используются лабораторный макет, на котором можно собрать схемы инвертирующего и неинвертирующего усилительного каскада на ОУ с различными коэффициентами усиления. Макет содержит операционный усилитель марки 140УД7, магазин резисторов и конденсаторов, номиналы которых указаны на макете. Сборка схемы заданного для исследования типа усилительного каскада с заданным коэффициентом усиления про водится с помощью перемычек. Для работы усилительного каскада к макету подводится двух полярное напряжение питания Епит=15 В. от лабораторных источников к соответствующим клеммам. Во избежания выхода из строя ОУ необходимо при подсоединении источников питания строго выдерживать полярность напряжений, указанных на макете. Схема лабораторного макета приведена на рис. 10.
При проведении экспериментальных исследований используются следующие измерительные приборы:
С1-83 – двухканальный осциллограф, позволяющий одновременно регистрировать входное и выходное напряжении усилительного каскада в диапазоне частот 0…10 МГц;
В3-38 – милливольтметр переменного напряжения, регистрирующий эффективное (действующее) значение напряжения в абсолютных единицах (линейная шкала) или децибелах (логарифмическая шкала) в пределах 1 мВ…300 В в диапазоне частот 20 Гц…5 Мгц, который используется при измерении логарифмических амплитудно-частотных характеристик усилительных каскадов;
Г3-112 – низкочастотный измерительный генератор гармонических колебаний, способный генерировать как гармоническое напряжение, так и в виде меандра в диапазоне частот 10 Гц…10МГц, и используется в качестве источника входного сигнала исследуемого усилительного каскада;
источники стабилизированного напряжения, применяемые в качестве источника питания исследуемого усилительного каскада.
-
МЕТОДИКА ИЗМЕРЕНИЯ ХАРАКТЕРИСТИК УСИЛИТЕЛЬНОГО КАСКАДА НА ОУ.
До проведения экспериментальных исследований следует оценить ожидаемые пределы измеряемых величин на основе предварительного расчета.
Измерения амплитудной характеристики усилительного каскада проводится на частоте сигнала, соответствующей области средних частот его полосы усиления. Как правило, в исследуемых макетах эта частота расположена в диапазоне 1…5 кГц. Ожидаемая максимальная амплитуда выходного напряжения Um.вых.макс определяется паспортом на ОУ или принимается на 1 В меньше напряжения питания. Соответствующая данному напряжению амплитуда входного напряжения определяется коэффициентом усиления Ku каскада:
Um.вх.макс = Um.вых.макс / Ku . (27)
Для экспериментального измерения АХ усилительного каскада на его вход подается напряжение с выхода генератора Г3-112 c амплитудой несколько меньше Um.вх.макс. Частота сигнала устанавливается в диапазоне 1 – 5 кГц. Форма и амплитуда входного и выходного напряжений контролируются одновременно двухканальным осциллографом С1-83. Уровень входного напряжения устанавливается с помощью выходных аттенюаторов (плавно и грубо) измерительного генератора Г3-112. Плавно изменяя частоту генератора, определяется частота, на которой выходное напряжение усилительного каскада максимально. Данную частоту следует зафиксировать в рабочей тетради и на ней провести измерение амплитудной характеристики.
В силу высокой линейности АХ усилительного каскада достаточно подобрать амплитуду входного напряжения, при которой наступает отсечка положительной или отрицательной амплитуды выходного напряжения. Форму выходного напряжения с наблюдаемой отсечкой амплитуды необходимо зарисовать в рабочей тетради. Далее для поверки линейности АХ надо уменьшить амплитуду входного напряжения в два раза и измерить амплитуду выходного напряжений. По измеренным двум точкам строится амплитудная характеристика усилительного каскада.
При измерении АХ в высокочастотной области, где искажения выходного напряжения усилительного каскада связаны с быстродействием ОУ, следует при измерении получить не менее пяти экспериментальных точек. При этом из-за отсутствия спектра анализатора по осциллографу замеряют амплитуду выходного напряжения, а не его первую гармонику. Первой экспериментальной точкой является такая максимальная амплитуда входного напряжения, при которой визуально выходное напряжение остается гармонической формы. Затем входное напряжение увеличивают до величины, когда выходное напряжение превращается в треугольное. Между двумя этими уровнями входного напряжения проводят дополнительно два измерения. Осциллограммы выходных напряжений с указанием величин амплитуд и периода колебаний, измеренных по осциллографу, записывают в рабочей тетради.
Перед измерением амплитудно-частотных характеристик усилительного каскада предварительно оценивают граничные частоты его полосы усиления. В зависимости от схемы исследуемого усилительного каскада данные частот определяются соотношениями (19), (22) и (26).
Для получения АЧХ в логарифмическом масштабе (ЛАЧХ) выходное напряжение каскада измеряют вольтметром В3-38 со шкалой, проградуированной в децибелах. Подаваемый уровень входного напряжения от генератора Г3-112 должен соответствовать линейному режиму усиления. Как правило, при коэффициенте усиления каскада Ku =100 и 10 достаточно установить выходное напряжение 0 дБ (Uэфф=0,775 В) на частоте 1 кГц. Затем, изменяя частоту входного сигнала (как в сторону увеличения, так и в сторону уменьшения), фиксируют частоты, при которых выходное напряжение уменьшается до уровней -3, -10, -20 и -40 дБ. Результаты измерений записывают в рабочей тетради, по которым строится экспериментальный ЛАЧХ и расчетный с использованием кусочно-линейной аппроксимации.
-
ПОРЯДОК ПРОВЕДЕНИЯ РАБОТЫ.
4.1. Получив от преподавателя задание на тип усилительного каскада (инвертирующий или неинвертирующий) и ознакомившись с номиналами элементов схемы макета, рассчитать граничные частоты полосы усиления каскада с коэффициентами усиления Ku=100 (101) и 10 (11). Для определения граничных частот используйте соотношения (19), (22) и (26). Вычислите частоту fс сигнала, на которой следует проводить измерения амплитудной характеристики, как
fс =( fн * fв) 1/2
По паспортным данным на ОУ и соотношению (27), оцените максимальную амплитуду входного напряжения, начиная с которой прекращается линейный режим усиления каскада (см. рис.7).
4.2. Используя методику, изложенную в разделе 3, экспериментально измерьте амплитудную характеристику инвертирующего или неинвертирующего (согласно заданию преподавателя) усилительного каскада на ОУ для следующих вариантов:
А) R1=R1, R2=R2, R3=R3, Cp=Cp (Ku100);
Б) R1=R1, R2=R2, R3=R3, Cp=Cp (Ku10);
В) R1=R1, R2=R2, R3=R3, Cp=Cp (Ku10) на частоте входного сигнала f=20 кГц.
4.3. Используя методику, изложенную в разделе 3, экспериментально измерьте амплитудно-частотную характеристику инвертирующего или неинвертирующего (согласно заданию преподавателя) усилительного каскада на ОУ для следующих вариантов:
А) R1=R1, R2=R2, R3=R3, Cp=Cp (Ku100);
Б) R1=R1, R2=R2, R3=R3, Cp=Cp, резистор R2 зашунтировать конденсатором С2;
В) R1=R1, R2=R2, R3=R3, Cp=Cp (Ku10);















