Усилительные каскады на ОУ (1075523)
Текст из файла
Министерство образования Российской Федерации
Московский государственный технический университет
им. Н.Э. Баумана
______________________________________________________
ЛАБОРАТОРНЫЙ ПРАКТИКУМ ПО КУРСУ
”Электроника и микропроцессорная техника”
Усилительные каскады на ОУ
Бутенко Д.В.
Созинов Б.Л.
Шарандин Е.А.
Кафедра РАДИОЭЛЕКТРОННЫЕ СИСТЕМЫ И УСТРОЙСТВА
______________________________________________________
Москва 2005 год
1.Теоретические сведения.
Н
а базе операционных усилителей (ОУ) можно получить инвертирующий и неинвертируюший усилительные каскада, схемы которых представлены на рис. 1. В обеих схемах ОУ охвачен цепью (R1-R2) отрицательной обратной связи (ООС) по напряжению: на инвертирующий вход ОУ возвращается часть (падение напряжения на R1) выходного напряжения Uвых. В случае инвертирующего усилительного каскада (рис. 1а) входное напряжение Uвх и напряжение ООС суммируются на инвертирующем входе ОУ с помощью резистивного делителя R1-R2, а поэтому ООС является параллельной. В неинвертирующем усилительном каскаде (рис. 1б) используется последовательная ООС, так как дифференциальное входное напряжение Uвх.диф. ОУ образуется как разность между входным напряжением Uвх и напряжением обратной связи.
Рис. 1. Схема инвертирующего (а) и неинвертирующего (б) усилительного каскада на ОУ.
Коэффициент обратной связи , показывающий возвращаемую часть выходного напряжения Uвых на вход ОУ, для обеих схем определяется одним выражением
=R1/(R1+R2). (1)
В инвертирующем усилительном каскаде входное напряжение Uвх поступает на инвертирующий вход Uвх- ОУ с коэффициентом деления равным
=R2/(R1+R2). (2)
Согласно теории усиления с обратной связи несложно показать, что коэффициенты усиления инвертирующего Ки и неинвертирующего Кн усилительных каскадов равны
Ки = -(*Коу)/(1+* Коу)= -(R2/R1)*{1/[1+1/( Коу*)]}, (3)
Кн = Коу /(1+* Коу)= [(R2/R1)+1]*{1/[1+1/( Коу *)]}, (4)
где Коу =Uвых/Uвх.д. – коэффициент усиления ОУ относительно входного дифференциального напряжения Uвх.д, которое равно Uвх.д = Uвх+ - Uвх-. При использовании глубокой отрицательной обратной связи (* Коу >>1) коэффициенты усилительных каскадов Ки и Кн не зависят от Коу
Ки = -(R2/R1), (5)
Кн =1+(R2/R1). (6)
Частным случаем неинвертирующего усилительного каскада является повторитель напряжения, у которого коэффициент обратной связи =1 и соответственно коэффициент усиления Кн =1. Для получения повторителя напряжения выход ОУ непосредственно соединяется с инвертирующим входом ОУ (R1= , R2=0).
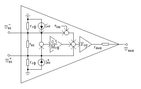
П
араметры реальных ОУ отличаются от идеальных, что отражают при составлении его эквивалентной схемы, которая представлена на рис. 2.
Рис. 2. Эквивалентная схема ОУ в интегральном исполнении.
rвх – входное сопротивление для дифференциального Uвх.д напряжения (Uвх.д=Uвх+-Uвх-), rсф –входное сопротивление для синфазного Uвх.сф напряжения [Uвх.сф =(Uвх++Uвх-)/2], rвых – выходное сопротивление ОУ, Iвх+ и Iвх- - входные токи по неинвертирующему и инвертирующему входам, есм – смещение нуля выходного напряжения ОУ, пересчитанное на его вход, Мсф – коэффициент ослабление синфазного напряжения, Коу – коэффициент усиления дифференциального напряжения.
Современные ОУ, выполненные в интегральном исполнении, обладают большим коэффициентом усиления (Коу 105), что позволяет при анализе схем усилительных каскадов принимать Uвх.д0. Тогда несложно показать, что входное сопротивление инвертирующего усилительного каскада равно
Rвх.и=R1+rвх{R2/(Коу +1) (7)
Так как на практике R2/(Коу+1)<<R1, то входное сопротивление инвертирующего каскада фактически зависит только от резистора R1 цепи ООС
Rвх.и =R1. (7а)
Входное сопротивление неинвертирующего усилительного каскада определяется тремя параллельно включенными сопротивлениями: внешним резистором R3, входным сопротивлением ОУ для синфазного сигнала rсф и эквивалентным сопротивлением Rэ
Rвх.ни=R3 rсф Rэ, (8)
где
Rэ, rвх (1+Коу)/(1- Коу / Мсф) (9)
Так как коэффициент ослабления синфазного напряжения Мсф для ОУ находится в диапазоне (103 – 105), то практически эквивалентное сопротивление Rэ равно
Rэ rвх (1+Коу) (9а)
Из сравнения (7) и (8) следует, что входное сопротивление неинвертирующего усилителя при высокоомном сопротивлении R3 существенно выше, чем инвертирующего. Такое отличие объясняется различным видом (параллельной и последовательной) ООС, используемой в усилительных каскадах.
Выходное сопротивление Rвых инвертирующего и неинвертирующего усилителей одинаково, так как в обеих схемах ООС образовано по напряжению. При такой связи согласно теории ООС выходное сопротивление усилительного каскада определяются соотношением
Rвых rвых /(1+Rоу), (10)
где rвых – выходное сопротивление ОУ, обычно равное 10…100 Ом.
Начиная с определенного уровня входного напряжения, выходное напряжение усилительного каскада на ОУ получает искажения. Уровни входных напряжений, при которых сохраняется линейный режим усиления, определяют по амплитудной характеристикой (АХ) усилительного каскада. По определению АХ любого усилительного каскада представляет зависимость амплитуды первой гармоники выходного напряжения Um1.вых от амплитуды Um.вх входного напряжения гармонической формы. Для усилительных каскадов на ОУ вид АХ зависит от частоты усиливаемого сигнала. При усилении сигналов с относительно невысокими частотами нарушение линейность АХ каскада объясняется выходом транзисторов ОУ в режим насыщения или отсечки. Уровни напряжений, при которых наступают данные эффекты, оценивают по передаточной характеристике (ПХ) используемого ОУ. Передаточная характеристика ОУ показывает изменения выходного напряжения Uвых ОУ от входного дифференциального напряжения Uвх.д по постоянному току. Типичный вид ПУ ОУ показан на рис. 3, из которого следует, что линейный режим усиления сохраняется при
Uвых меньше напряжения питания Uпит на 1 – 2 В.
Рис. 3. Передаточная характеристика ОУ.
Необходимо отметить, что ПХ реальных ОУ проходит не точно через начало координат: при Uвх.д=0 выходное напряжение смещено относительно нуля на величин Uвых.оу. Это смещение выходного напряжения ОУ пересчитывают ко входу как есм=Uвых.оу/Коу и указывают в паспорте на ОУ. Наличие смещения дифференциального входного напряжения есм и входных токов (Iвх+, Iвх-) ОУ приводит к тому, что при входном напряжении Uвх=0 усилительного каскада его выходное напряжение смещается относительно нуля на величину Uвых, которая равна
Uвых =[(R1+R2)/R1][eсм+Iвх+R3 - Iвх-R1R2/(R1+R2)] (11)
Для уменьшения Uвых, возникающего из-за входных токов ОУ, в усилительные каскады вводят резистор R3. Если Iвх+= Iвх-, то коррекция смещения Uвых достигается при сопротивлении R3 равным
R3=R1R2=R1R2/(R1+R2) (12)
Однако у реальных ОУ Iвх+Iвх-, а их отличие характеризуют разностным входным током Iвх= Iвх+- Iвх-. Поэтому в каскадах с резистором R3, величина которого равна согласно (12), смещение выходного напряжения Uвых уменьшается до величины
Uвых =[(R1+R2)/R1][eсм+Iвх R1R2/(R1+R2)] (13)
Для полного устранения смещения нуля выходного напряжения каскада используют дополнительный переменный резистор, место подключения и величину которого указывают в справочных данных на ОУ.
П
ередаточная характеристика усилительного каскада на ОУ отличается от передаточной характеристики ОУ углом наклона, определяемым коэффициентом усиления каскада (Ки,н), как показано на рис.4.
Рис. 4. Передаточные характеристики ОУ и усилительного каскада на ОУ.
Поэтому линейность амплитудных характеристик усилительного каскада сохраняется до тех пор, пока амплитуда выходного напряжения не превышает максимального допустимого выходного напряжения Uвых.макс. Когда амплитуда выходного напряжения каскада превышает данный уровень, то наступает ее отсечка, как показано на рис. 5.
Р
ис. 5. Формы выходного напряжения усилительного каскада на ОУ при относительно невысокой частоты сигнала.
Если в усилительном каскаде существует смещение выходного напряжения Uвых, то с ростом входного напряжения отсечки положительной и отрицательной выходной амплитуды происходят не одновременно.
На высоких частотах входного сигнала нарушение линейности АХ усилительного каскада связано с динамическими свойствами используемого ОУ. Специфики схемотехники интегральных ОУ накладывает ограничение на максимальную скорость изменения выходного напряжения vмакс, указываемую в паспорте на ОУ. Ограничения по скорости изменения выходного напряжения приводят к нарушению линейности режима усиления, начиная с некоторой амплитуды выходного напряжения Um.вых.макс, величина которой определяется частотой f сигнала и максимальной скоростью vмакс изменения выходного напряжения ОУ
Um.вых.макс = vмакс /2f (14)
Когда амплитуды выходного напряжения Um.вых усилительного каскада превышает Um.вых.макс, то форма выходного напряжения начинает постепенно трансформироваться из синусоидальной в треугольную. Подобные искажений выходного напряжения в зависимости от амплитуды выходного показаны на рис. 6.
Р
ис. 6. Искажения выходного напряжения усилительного каскада из-за ограниченной скорости изменения выходного напряжения ОУ.
Таким образом, амплитудная характеристика усилительного каскада на ОУ имеет линейный вид до тех пор, пока амплитуды выходного напряжения не превышает определенного максимального уровня Um.вых.макс. Этот уровень определяется эффектами насыщения ОУ, если частота усиливаемого сигнала невелика, или максимальной скоростью изменения выходного напряжения ОУ. Вид зависимости максимальной амплитуды выходного напряжения Um.вых.макс усилительного каскада на ОУ от частоты f сигнала с учетом (14) представлен на рис. 7.
Р
ис. 7. Зависимость максимальной амплитуды выходного напряжения усилительного каскада на ОУ от частоты сигнала.
Напряжение питания ОУ Uпит=15 В, максимальная скорость изменения выходного напряжения ОУ vмакс=3*105 B/c.
Выходное напряжение усилительного каскада может получить искажения и при линейном режиме усиления, если его спектр частот входного напряжения шире полосы усиления каскада. Частотная зависимость коэффициента усиления усилительного каскада на ОУ с резистивными цепями ООС определяется частотной характеристикой ОУ. Для ОУ с внутренней частотной коррекцией зависимость коэффициента усиления Коу от частоты f сигнала определяется соотношением
Коу(f)=Коу(0)/(1+j2fоу), (15)
Характеристики
Тип файла документ
Документы такого типа открываются такими программами, как Microsoft Office Word на компьютерах Windows, Apple Pages на компьютерах Mac, Open Office - бесплатная альтернатива на различных платформах, в том числе Linux. Наиболее простым и современным решением будут Google документы, так как открываются онлайн без скачивания прямо в браузере на любой платформе. Существуют российские качественные аналоги, например от Яндекса.
Будьте внимательны на мобильных устройствах, так как там используются упрощённый функционал даже в официальном приложении от Microsoft, поэтому для просмотра скачивайте PDF-версию. А если нужно редактировать файл, то используйте оригинальный файл.
Файлы такого типа обычно разбиты на страницы, а текст может быть форматированным (жирный, курсив, выбор шрифта, таблицы и т.п.), а также в него можно добавлять изображения. Формат идеально подходит для рефератов, докладов и РПЗ курсовых проектов, которые необходимо распечатать. Кстати перед печатью также сохраняйте файл в PDF, так как принтер может начудить со шрифтами.















