Лекция №6. Полимерные покрытия (1074604), страница 2
Текст из файла (страница 2)
Некоторое распространение получило покрытие толщиной около 25- 50 мкм на основе поливинил фторида или поливинилиденфторида, обладающее наилучшим сочетанием свойств, соответствующих требованиям, которые предъявляются к полимерным покрытиям, Однако высокая стоимость этих материалов ограничивает их применение. С целью снижения стоимости используют смесь поливинилфторида и акриловых смол. Такое покрытие по свойствам и стоимости занимает промежуточное место.
Листовая сталь с относительно толстым покрытием пластизолем и органозолем благодаря высоким антикоррозионным свойствам, возможности тиснения и имитации фактуры разных материалов находит применение в самых разнообразных областях: в элементах внутренней отделки помещений, для изготовления предметов быта, электроприборов и электрооборудования, мебели и торгового оборудования, в автомобилестроении и для других изделий, особенно если листовая сталь должна быть подвергнута сложным процессам переработки. В меньшей степени такую продукцию используют при изготовлении ограждающих и декоративных наружных конструкций зданий и сооружений.
В связи с небольшим количеством растворителей в пластизоле и ортнозоле потеря полимерных материалов при сушке покрытия невелика. Однако адгезия пластизоля и органозоля к подготовленной поверхности материала неудовлетворительна, поэтому требуется предварительное грунтовочное покрытие, обеспечивающее достаточное сцепление покрытия и основы. Толстые покрытия с применением органозоля и пластизоля наносят обычно после грунтовки в один слой на лицевую поверхность. Обратная сторона защищается слоем грунта или краски. Нанесение толстых покрытий на обе стороны применяют в редких случаях.
Описанные виды полимерных защитных покрытий относят к жидким материалам.
Во второй половине 70-х и 80-х годах прошлого века разработано несколько типов жидких и пастообразных материалов, предназначенных для конкретной, достаточно узкой сферы применения. В Великобритании разработана технология производства плоских и гофрированных листов с покрытием типа «Версакор», отличающихся повышенной коррозионной стойкостью в условиях различного климата и атмосферы, и применяемые в строительстве. Это покрытие имеет три слоя на лицевой стороне: эпоксидное (со стороны металлической основы), грунтовочное и наружное на основе полиэфирных смол, общей толщиной 225 мкм.
Американской фирмой «Даймонд Шамрок» разработана серия полимерных покрытий под названием «Цинкрометалл» для листовой стали, используемой в автомобильной промышленности. Эти покрытия состоят из комбинации двух типов покрытий. Первый тип «Дакромет» состоит из дисперсии цинковой пыли, хрома и других вешеств в неоршнической составляющей. После сушки на поверхности остается нерастворимое покрытие толщиной 2- 3 мкм. Второй тип «Цннкромет» представляет собой взвесь частичек чистого цинка в эпоксидной смоле и с органическими растворителями. Сухая пленка покрытия имеет толщину 10-12 мкм и содержит 25% Zn.
Применяется пять основных комбинаций покрытия «Цинкрометалл»:одностороннее покрытие в составе одного слоя «Дакромет» и одного слоя «Цинк-ромет» (80% всей продукции этого типа); двустороннее пвкрытие по одному слою каждого типа; на одной стороне полосы покрытие «Цннкромет», на другой — «Дакромет»; на одной стороне полосы «Дакромет», на двух сторонах полосы по одному слою «Дакромет».
Большинство полимерных покрытий может иметь различный цвет по требованию потребителей. Некоторые фирмы США, Японии, Франции и других стран предлагают полимерные покрытия до 15-22 различных цветов и оттенков для каждого типа покрытия. Многочисленны также варианты отделки полимерных покрытий: тиснение, нанесение рисунка, имитация различных материалов.
Уже в середине 80-х годов за рубежом к защитным полимерным покрытиям было поставлено еще одно требование — уменьшение загрязнения окружающей среды. Одним из решений этой проблемы стало применение водорастворимых материалов, в которых растворитель содержит 70-80% воды и 20- 30% органических растворителей. Преимуществом таких материалов является их негорючесть и невоспламеняемость, минимальное количество вредных выбросов. Применяют также полимерные материалы с меньшим содержанием растворителей (20-30% объема), которые могут быть использованы преимущественно для нанесения толстого слоя электростатическим или другими способами. Недостатками такого решения являются ограничение диапазона цвета и толщины покрытия, высокая температура его сушки. Основным мероприятием по защите атмосферы является дожигание паров растворителей.
Одной из актуальных задач является разработка покрытий, стойких к воздействию загрязнений при использовании листовой стали в строительстве. Для этой цели поверхность покрывают гидрофобным водоотталкивающим воском. Такое покрытие препятствует налипанию загрязняющих частиц на поверхность и допускает свободное стекание воды. При этом также происходит затягивание царапин на поверхности. Этот метод трудно применить для покрытия рулонной полосы, так как давление, возникающее между витками при сматывании рулонов, может повредить покрытие.
В отечественной и мировой практике для нанесения на полосу жидких полимеров, красок и клеевых составов применяют валковые машины. Основной задачей при нанесении на полосу жидких полимеров является нанесение их слоя равномерной толщины, без воздушных пузырьков. Для ее решения применяют дозировочные валки и обеспечивают медленное вращение валика, подающего полимер, постоянную подачу его в ванну со дна отстойника, когда полимер освобожден от пузырьков воздуха.
Простейшая схема блока нанесения покрытия валковой машины показана на рис.4. Блок состоит из двухроликового натяжного устройства (ролик 3 одновременно является и опорным) для натяжения и разглаживания полосы и трех двухвалковых головок для нанесения жидкого покрытия на верхнюю и нижнюю стороны полосы. Валковые головки обычно съемные.
Рис. 4. Схема блока нанесения жидкого покрытия на стальную полосу: 1и 2 — устройства нанесения краски на лицевую и обратную сторону; 3,4 — прижимной и натяжной валки; 5 — опорный ролик; 6 — полоса
Рис.5. Схемы подачи жидких полимеров (в том числе и краски) на стальную полосу:
I — ролики, подающие жидкий полимер на поверхность полосы; 2 — черпающие полимер ролики; 3 — ванны с жидким полимером; 4 — окрашиваемая поверхность полос; 5 — дозировочные ролики; 6 — опорные валки; 7 — натяжные валки; 8 — полоса
Применяемые на практике способы подачи жидких полимеров показаны на рис.201.
Из рисунка видно, что применяют двух- и трехроликовые устройства. Двухроликовые устройства бывают двух типов: с вращением ролика, наносящего покрытие, в том же направлении, в котором движется полоса, или в противоположном направлении. При первом способе (рис.5, г) скорость ролика, наносящего покрытие, одинакова со скоростью движения полосы, а скорость ролика, подающего жидкое покрытие из ванны, в три раза меньше. Этот способ характерен небольшим износом ролика, наносящего покрытие, и легкой очисткой его при смене покрытия. Однако не все виды полимерных материалов можно удовлетворительно наносить таким способом. Ограничивается также диапазон скорости и толщины покрытия.
Наибольшее распространение получил второй способ (см. рис. 5, а), называемый «полуреверс», при котором ролик, наносящий покрытие, вращается в направлении, противоположном движению полосы, со скоростью в 1,2 раза выше, чем скорость движения полосы. Скорость второго ролика (подающего защитное покрытие на первый ролик), который вращается в обратном направлении движения полосы, составляет 0,4 от скорости ее движения.
Наиболее равномерное и легко регулируемое нанесение покрытия достигается применением трехроликовых устройств двух типов. Первый — «полуреверс» (рис.6, б) предусматривает установку промежуточного (дозировочного) ролика в двухроликовую систему «полуреверс». Скорость наносящего ролика составляет 1,2 от скорости движения полосы; промежуточного — 1,4; подающего — 0,45. Второй тип трехроликового устройства имеет размещение роликов, как и в схеме 201, б, но с вращением ролика, наносящего покрытие, в противоположном направлении движения полосы (на рис.201 не показано). Скорости роликов относительно полосы аналогичны схеме рис.5, 6 .
Схема, показанная на рис.5, д, характерна тем, что черпающий ролик расположен между дозировочным и наносящим покрытие роликом. Схема, представленная на рис.5, е, предусматривает возможность подачи защитного покрытия между дозировочным и черпающим роликами.
Усовершенствования существующих технологий нанесения полимерных покрытий ведутся постоянно. Так, идет разработка технологий, когда защитное покрытие наносят с помощью специальных распылителей (пульверизация), а также способы нанесения полимерных покрытий в газообразном состоянии в вакууме между плоскими электродами.
Сушка полимерных покрытий
После нанесения покрытия обязательной операцией является его сушка с целью удаления растворителей или желатинизации пластизоля, а также полимеризации мономеров. Сушка покрытия является важной технологической операцией, от которой зависит не только качество покрытия, но и экономичность всего передела, так как параметры технологии и печи определяют скорость прохождения полосы в агрегате и тем самым его производительность, а также расход топлива.
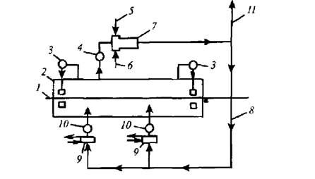
Долгое время сушку покрытия производили (да и сейчас производят) нагретым воздухом или горячими продуктами сгорания в печах, где полоса проходила с провисанием, опираясь со стороны входа на ролик устройства для нанесения покрытия, а со стороны выхода — на ролики установки его охлаждения. Недостатком такой конструкции является ограниченная длина печи (не более 60-70 м) из-за опасности разрыва полосы под действием собственной массы. Еще одной особенностью сушки полосы является то, что при этом процессе из покрытия выделяются легковоспламеняющиеся материалы, что создает взрыво- и пожароопасность на участке печей. С целью экономии топлива и снижения взрыво- и пожароопасности еще в середине 70-х годов прошлого века в США была разработана конструкция малоокислительной печи. Первая такая печь имела три зоны и три топки с горелками, вторая —• четыре зоны с четырьмя топками. Схема малоокислительной иечи показана на рис.6.
Рис. 6. Схема малоокислительной печи для сушки полимерных покрытий:
I — полоса; 2 печь; 3 — система газового уплотнения печи; 4 — эксгаустер отсоса газа из печи; J — устройство для подачи топлива; 6 — устройство для подачи воздуха для горения; 7 — отопитель (топка); 8 — трубопровод подачи продуктов сгорания в теплообменники; 9 — теплообменник; 10 — циркуляционная схема обдува (нагрева) полосы; 11 — трубопровод для выброса избытка продуктов сгорания в атмосферу
Особенностью печи является то, что воздух добавляется в систему в количестве, необходимом для горения топлива, а в печи поддерживается малоокислительная атмосфера с содержанием кислорода около 2%, причем содержание растворителей может быть в пределах от минимального до насыщения. Устройства для горения (топки) совмещены с устройством для дожигания паров растворителей.
Газы, содержащие пары растворителей и имеющие среднюю температуру около 370°С, отсасываются из печи и подаются в отопитель (топку), куда также поступает горючий газ и свежий воздух для горения. Количество воздуха регулируется, исходя из содержания кислорода в продуктах сгорания около 2%, с помощью газоанализатора, установленного на выходном трубопроводе отопителя. Продукты сгорания с температурой около 870°С из отопителя поступают в циркуляционные системы обдува полосы. Газовая среда, поступающая из печи, смешивается с продуктами сгорания от отопителя, охлаждается в теплообменнике до температуры, необходимой для обогрева полосы (в пределах 149-425°С, в среднем 370°С), и вводится в печь. Газовая среда, охлаждаясь в теплообменниках, нагревает воздух с 20 до 50°С. Это тепло может быть использовано для отопления цеха и других нужд.
Особенностью схемы малоокислительной печи является использование паров растворителей в качестве топлива для нагревания полосы. Чем больше выделяется паров растворителей в печи, тем меньше топлива расходуется на сушку. Предусматривается автоматическое управление температурным режимом отопителя. Она отличается большей безопасностью в работе по сравнению с обычными печами, так как принимаемое содержание кислорода 2-3% (что меньше предела взрывоопасного 12%) легко поддерживается автоматически с помощью газоанализатора, регулирующего подачу свежего воздуха в отопитель.
Следующим этапом развития технологии и оборудования сушки защитных покрытий стало создание печей с перемещением металла на воздушной подушке (рис.7).















