Методические указания по лабораторным работам ФОЭТ (1074337)
Текст из файла
Методические
Московский государственный технический университет
имени Н.Э. Баумана
В.П. Михайлов, Е.А. Деулин, Ю.Р. Степаньянц
получение вакуумной технологической среды, тлеющий разряд и термовакуумные процессы
Методические указания к лабораторным работам
по курсу "Физические основы электронной техники"
Под редакцией Ю.В. Панфилова
Москва
Издательство МГТУ имени Н.Э. Баумана
2010
содержание
Стр.
Лабораторная работа № 1
«Получение вакуумной технологической
среды» ……………………………………………………………………..... 4
Лабораторная работа № 2
«Измерение быстроты откачки двумя методами»…………16
Лабораторная работа № 3
«характеристики тлеющего разряда» …………………………..21
Лабораторная работа № 4
«Термовакуумные процессы
при обезгаживающем прогреве» ……………………………….. 25
Лабораторная работа № 1
Получение вакуумной технологической среды
Цель работы - изучение основных методов и средств получения и измерения вакуумной технологической среды для реализации электронных технологий и использования в электронных приборах.
Вакуум - газовая среда с давлением Р ниже атмосферного (P<Pатм), которая используется в технологии производства практически всех электронных приборов (электровакуумных, полупроводниковых, интегральных микросхем) и других изделий и которая необходима для работы некоторых из этих приборов.
Согласно ГОСТ 8.417-81 давление измеряется в следующих единицах: 1Па= 1Н/м2; 1бар = 105Па [Н/м2] = 750 мм рт. ст. = 750 торр; 1 торр = 133,3Па; 1 Па = 7,510-3 торр.
Свойства вакуума (с позиции реализации в нем технологических процессов):
-
Вакуум предохраняет нагреваемые поверхности (нити накала, катоды и др.) от окисления, перегорания;
-
Вакуум позволяет формировать потоки заряженных и нейтральных частиц;
-
Благодаря вакууму потоки заряженных частиц могут беспрепятственно преодолевать межэлектродные расстояния (при этом они могут ускоряться, фокусироваться и отклоняться по заданной траектории);
-
Вакуум позволяет сохранить чистоту обрабатываемой поверхности материала (обеспечить отсутствие сорбированных молекул газа, паров углеводородов и воды, окислов и др.) для технологических процессов диффузионной сварки, выращивания монокристаллов полупроводников, формирования элементов топологии на полупроводниковой пластине и т. д.
Получение вакуумной технологической среды осуществляется при помощи вакуумных насосов.
Вакуумные насосы можно классифицировать следующим образом:
а) по назначению: сверхвысоковакуумные, высоковакуумные и низковакуумные (форвакуумные);
б) по принципу действия: механические, сорбционные (для среднего и высокого вакуума), диффузионные, магнитные электроразрядные, геттерно-ионные, крионасосы (для высокого и сверхвысокого вакуума).
Основные параметры вакуумной системы
| Рис. 1. Основные параметры вакуумной системы |
-
Производительность насоса Q – поток газа, проходящий через его впускной патрубок
. -
Проводимость трубопровода U – количество газа, протекающего через трубопровод в единицу времени при разности давлений на концах трубопровода, равной единице
.
Для стационарного потока (Q = const) при откачке вакуумной камеры выполняется условие сплошности газовой среды:
Q = PoSo = PHSH = const. (1)
Установим взаимосвязь между основными параметрами вакуумной системы: So, SH, U.
SH = Q/PH = U(PО – PH) /PH; SО = Q/PО = U(PО – PH) /PО;
Таким образом, при увеличении проводимости трубопровода до бесконечности (U –> ) величина быстроты откачки камеры стремится к величине быстроты действия насоса (So –> SH); при закрытом трубопроводе (U –> 0) быстрота откачки камеры также равна нулю (So –> 0).
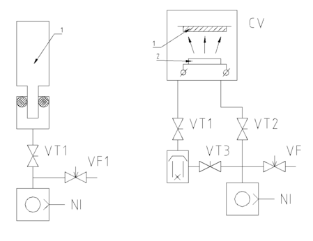
Принципиальные схемы форвакуумной и высоковакуумной системы показаны на рис. 2 и 3.
| Рис. 2. Форвакуумная откачка (P103Па): 1- откачиваемый объект; VT1 - вентиль тарельчатый; VF1 – натекатель; NI - насос механический | Рис. 3. Высоковакуумная откачка (P10-3Па) установки для нанесения тонких пленок: 1 - подложка; 2 – испаритель; VT1, 2, 3 - вентили тарельчатые; VF1 – натекатель; ND, NV – насосы диффузионный и механический; CV - камера вакуумная |
Для получения среднего вакуума используются механические вакуумные насосы с масляным уплотнением, которые относятся к насосам объемного действия. Они работают за счет периодического изменения объема рабочей камеры, в которую поступает откачиваемый газ, отсекаемый от впускного отверстия, который затем сжимается в камере и выбрасывается в атмосферу (рис.4 а, б).
Пластинчато-роторный насос (рис.4 а) содержит цилиндрический корпус 7 с впускным 4 и выпускным 3 патрубками, эксцентрично расположенный ротор 6, в пазах которого расположены пластины 5. Под действием центробежной силы и пружины 1 пластины прижимаются к корпусу, обеспечивая изменение объема рабочей камеры насоса. Такие насосы имеют малую быстроту действия (~ 1 … 5 дм3/с) и работают в масляной ванне, обеспечивающей герметизацию соединений насоса и снижение потерь на трение. Для предотвращения заполнения рабочей камеры маслом служит клапан 2. Начальное поджатие пластин к поверхности статора осуществляется пружиной 1.
Насосы с быстротой откачки до 103 дм3/с выполняются по схеме рис.4 б с большим числом пластин. В этих насосах нет масляной ванны, а для уменьшения потерь на трение используются беговые кольца 1, которые приводятся во вращение пластинами 2. Отверстия в беговых кольцах обеспечивают прохождение откачиваемого газа. В некоторых конструкциях, имеющих пластины из антифрикционного материала, можно обойтись без беговых колец.
Предельное давление таких насосов определяется кроме газовыделения материалов насоса объемом вредного пространства В на рис. 4 в и давлением насыщенных паров масла.
Рис.4. Схемы пластинчато-роторных вакуумных насосов:
а – пластинчато-роторный насос; б – многопластинчатый роторный насос; в – вредное пространство пластинчато-роторного насоса
Параметры пластинчато-роторного насоса 2НВР-5ДМ приведены в таблице 1.
Таблица 1
| Параметр | Значения параметра |
| Начальное давление, Па Предельное остаточное давление, Па Быстрота действия в диапазоне давлений Р=105…2,6102 Па, м3/с | 105 6,7 10-1 0,005 |
Диапазон давлений, используемый в вакуумных и электронных технологиях – 103…10-12 Па. Полное давление измеряют вакуумметрами, состоящими из преобразователя давления (ПД) и измерительного блока (ИБ). Вакуумметры могут быть классифицированы по методу измерения и принципу действия.
По методу измерения применяются вакуумметры прямого и косвенного измерения.
По принципу действия – жидкостные, деформационные, тепловые, электронные, магнитные и др.
Для измерения среднего вакуума используются тепловые преобразователи, принцип действия которых основан на зависимости теплопередачи через разреженный газ от давления. Тепловые преобразователи делятся на термопарные и преобразователи сопротивления.
В термопарном преобразователе давления (рис.5 а) температура нити 1 измеряется термопарой 2. Электроды расположены в стеклянном или металлическом баллоне 3, имеющем патрубок для подключения к вакуумной системе. Термо – э.д.с. термопары измеряется милливольтметром, ток накала нити регулируется реостатом и измеряется миллиамперметром. Градуировочная кривая термопарного преобразователя показана на рис. 6.
В преобразователе сопротивления для измерения температуры используется зависимость сопротивления нити от температуры. Он включается в мостовую схему (рис. 5 б). Ток накала нити Iн измеряется миллиамперметром, включенным в то же плечо моста, что и преобразователь, а температура нити – по току гальванометра в измерительной диагонали моста. Ток накала регулируется реостатом R. Параметры термопарного преобразователя давления ПМТ-2 приведены в таблице 2.
Таблица 2
| Параметр | Значения параметра |
| Ток нити накала, мА Верхний предел измерения, Па Нижний предел измерения, Па | 138 10 10-1 |
Для измерения высокого вакуума (Р=10-1…10-5 Па) используются ионизационные преобразователи давления, принцип действия которых основан на прямой пропорциональности между давлением и ионным током, образовавшимся в результате ионизации термоэлектронами остаточных газов.
Характеристики
Тип файла документ
Документы такого типа открываются такими программами, как Microsoft Office Word на компьютерах Windows, Apple Pages на компьютерах Mac, Open Office - бесплатная альтернатива на различных платформах, в том числе Linux. Наиболее простым и современным решением будут Google документы, так как открываются онлайн без скачивания прямо в браузере на любой платформе. Существуют российские качественные аналоги, например от Яндекса.
Будьте внимательны на мобильных устройствах, так как там используются упрощённый функционал даже в официальном приложении от Microsoft, поэтому для просмотра скачивайте PDF-версию. А если нужно редактировать файл, то используйте оригинальный файл.
Файлы такого типа обычно разбиты на страницы, а текст может быть форматированным (жирный, курсив, выбор шрифта, таблицы и т.п.), а также в него можно добавлять изображения. Формат идеально подходит для рефератов, докладов и РПЗ курсовых проектов, которые необходимо распечатать. Кстати перед печатью также сохраняйте файл в PDF, так как принтер может начудить со шрифтами.
















