Методические указания (1071704), страница 8
Текст из файла (страница 8)
Пусть разработчик проекта принял решение изменить имя цепи А2 на STROB и добавить параллельно резистору R2 новый резистор R4. Для того, чтобы эти изменения были выполнены синхронно и в проекте схемы (файл Test.sch) и в проекте на ПП (файл Test-R.pcb) необходимо выполнить следующие этапы:
-
запустить редактор SCH (командой Пуск > Программы > PCAD 2002 > Schematic);
-
командой File > Load загрузить проект схемы Test.sch, в который вносятся изменения;
-
запустить процесс записи изменений в «файл изменений» командой Utils > Record ECOs… > On > OK;
-
выполнить изменение имени цепи, для чего после Edit > Nets в окне «Net Names» щелкнуть LB на имени цепи A2 , и на кнопке Rename, ввести новое имя STROB и щелкнуть LB на кнопках OK и Close;
-
командой Place > Part добавить из библиотеки TEST.LIB на схему в точку 135/80 резистор R4;
-
командой Place > Wire подключить резистор R4 параллельно R2;
-
сохранить внесенные в проект изменения в «файле изменений» командой File > Save > Append ECOs To File > File > Save – будет сформирован файл Test.eco (это – текстовый файл вида:
NetRename "A2" "STROB"
CompAdd "C2-33" "R4" ""
NetNodeAdd "STROB" "R4-2"
NetNodeAdd "INP" "R4-1"
содержащий команды произведенных изменения в проекте);
-
запустить редактор PCB (командой Пуск > Программы > PCAD 2002 > PCB);
-
загрузить проект на ПП Test-R.pcb из папки проекта (командой File > Load );
-
загрузить и просмотреть «файл изменений» из папки проекта: после Utils > Import ECOs…> ECOs File Name… в окне «Utils Import ECOs» ввести имя «файла изменений» Test.eco и нажать кнопку Preview ECOs;
-
внести изменения в проект на ПП, для чего закрыть Блокнот и нажать кнопку ОК;
-
сохранить изменения в проекте на ПП на диске командой File > Save и покинуть редактор PCB.
Обратное внесение изменений (из ПП на Э3)
Пусть разработчик проекта принял решение изменить в проекте на ПП (файл Test-R.pcb) имя цепи STROB на А2 и удалить из проекта R3. Для того, чтобы изменения отразились не только в проекте на ПП, но и в проекте схемы (файл Test.sch), необходимо все изменения вносить в следующем порядке:
-
запустить редактор PCB (командой Пуск > Программы > PCAD 2002 > PCB);
-
командой File > Load загрузить проект ПП Test-R.pcb, в который вносятся изменения;
-
запустить процесс записи изменений в «файл изменений» командой Utils > Record ECOs… > On > OK;
-
выполнить изменение имени цепи, для чего после Edit > Nets в окне «Edit Nets» щелкнуть LB на имени цепи STROB, и на кнопке Rename, ввести новое имя A2 и щелкнуть LB на кнопках OK и Close;
-
щелкнуть LB и RB на элементе R2 и, щелкнв LB на строке «Delete», - удалить R2 из проекта на ПП;
-
сохранить изменения в «файле изменений» командой File > Save > Append ECOs To File > File > Save – в папке проекта будет сформирован файл Test-R.eco вида:
NetRename "STROB" "A2"
NetNodeDelete "INP" "R2-1"
NetNodeDelete "A2" "R2-2"
CompDelete "R2"
-
запустить редактор Schematic (командой Пуск > Программы > PCAD 2002 > Schematic);
-
загрузить проект на схеме Test.sch из папки проекта (командой File > Load );
-
загрузить и просмотреть «файл изменений» Test-R.eco из папки проекта: после Utils > Import ECOs…> ECOs File Name… в окне «Utils Import ECOs» ввести имя Test.eco и нажать кнопку Preview ECOs;
-
внести изменения в проект на схеме, для чего закрыть Блокнот и нажать кнопку ОК;
-
сохранить изменения в проекте схемы на диске командой File > Save и покинуть редактор Schematic.
Прямая модификация вентилей готового проекта.
Пусть произошла модификация библиотеки Test.lib и разработчик схемы (файл Test.sch) принял решение модифицировать вентили микросхемы DD2 в проекте, для которого уже выполнена ручная трассировка (файл Test-H.Pcb). Прямые изменения вносим этапами:
-
запустить редактор SCH (командой Пуск > Программы > PCAD 2002 > Schematic);
-
командой File > Load загрузить проект схемы Test.sch, в который вносятся изменения;
-
запустить процесс записи изменений в «файл изменений» командой Utils > Record ECOs… > On > OK;
-
удалить вентили DD2:1 и DD2:2 из схемы, для чего после Edit > Select, удерживая клавишу CTRL, щелкнуть LB на указанных вентилях и нажать клавишу Delete;
-
установить новые вентили DD2:1 и DD2:2 на прежние места из библиотеки Test.lib;
-
сохранить изменения в файле Test.eco командой File > Save > Append ECOs To File > File > Save;
-
запустить редактор PCB (командой Пуск > Программы > PCAD 2002 > PCB);
-
загрузить проект на ПП Test-TH.pcb из папки проекта (командой File > Load );
-
загрузить и просмотреть «файл изменений» из папки проекта: после Utils > Import ECOs…> ECOs File Name… в окне «Utils Import ECOs» ввести имя «файла изменений» Test.eco и нажать кнопку Preview ECOs;
-
внести изменения в проект на ПП, для чего закрыть Блокнот и нажать кнопку ОК – «старая» микросхема DD2 будет удалена из проекта вместе с примыкающими к ее контактам «хвостами» проводников;
-
установить режим показа связей командой Select > Edit >Nets >Set All >Show> Close и перенести микросхему DD2 на ее прежнее место в точку 115/90;
-
восстановить недостающие «хвосты» в режиме ручной разводки (раздел 25.4);
-
сохранить изменения в проекте на ПП на диске командой File > Save и покинуть редактор PCB.
Принудительная замена микросхемы на ПП.
Пусть произошла модификация микросхемы 133LA6 в библиотеке Test.lib в части изменения посадочного места. В этом случае модификации схемы не требуется и разработчик, минуя механизм ECO, может просто заменить микросхему DD2 на ПП этапами:
-
запустить редактор PCB (командой Пуск > Программы > PCAD 2002 > PCB);
-
командой File > Load загрузить проект ПП Test-TH.pcb, в который вносятся изменения;
-
щелкнуть LB на микросхеме DD2 – произойдет ее «выделение»;
-
выполнить команду: Utils > Force Update – откроется диалоговое окно «Force Update»;
-
щелкнуть LB на строке 133LA6, кнопке Update и, ответив «Да» на предупреждающее сообщение о том, что данную операцию отменить будет невозможно, – закончить модификацию.
34. Добавление, удаление и модификация атрибутов.
35. Создание металлизированных отверстий для МПП.
Элементы, созданные ранее для установки на ДПП, могут быть размещены и соединены проводниками в ручном и автоматическом режиме так же и на МПП. В ряде случаев, однако, возникает необходимость создания площадок для МПП в режиме Options >Pad Style > Modify (Complex). Сказанное имеет отношение к площадкам, имеющим различную форму и/или правила подключения в разных слоях. Создание таких КП выполняется в 2 этапа: на 1-м создается структура слоёв МПП, а на 2-м – собственно контактная площадка. Элементы, содержащие такие КП, могут устанавливаться и на ДПП обычным образом, поскольку внутренние слои программа трассировки игнорирует. Создадим (на базе проекта Test-R.PCB) металлизированное переходное отверстие (МПО) на плате, имеющей структуру слоев, представленную в табл.22.
-
Запустить редактор РСВ командой Пуск > Программы > PCAD 2002 > PCB и открыть файл Test-R.PCB;
-
Сохранить проект под именем MPP-R.PCB в папке проекта.
-
Создать далее внутренние слои с параметрами, приведенными в таблице 22.
Таблица 22
| № слоя ПП | Имя слоя (Layer Name) | Номер слоя (Layer Number) | Установки |
| 1 | Top | 1 | Signal, Auto |
| 2 | Int1 | 15 | Signal, Auto |
| 3 | Int2 | 16 | Signal, Auto |
| 4 | Int3 | 17 | Signal, Auto |
| 5 | Int4 | 18 | Signal, Auto |
| 6 | Bottom | 2 | Signal, Auto |
-
Например, слой Int1 создается так: после Options > Layers установить поля «Layer Name»=Int1, «Type»=Signal , «Routing Bias»=Auto и щелкнуть LB на кнопке ADD;
-
Создать МПО для МПП квадратное в слоях Top и Bottom и круглое в остальных слоях этапами:
-
по команде Options >Pad Style > Copy ввести в строке приглашения имя MPO_1p4_0p8R, нажать Ok и дважды щелкнуть LB на строке MPO_1p4_0p8R – отверстие станет текущим;
-
по команде Options >Pad Style > Modify (Complex) для слоев Top и Bottom, установить поля: «Shape» = Rectangle, «Width»= «Height»= 1.4, Diameter = 0.8, установить флажок в окне Plated и нажать Modify;
-
для слоя Signal: «Shape» = Ellipse, «Width»= «Height»= 1.4 и нажать Modify;
-
для слоя Plane: «Shape» = Ellipse (подключение к «заливке» задается при ее формировании), «Inner Dia»=1.4 (равен размеру КП в слое TOP) «Out Dia»=2 (равен 1.4+2*0,3=2 мм) и нажать Modify;
-
щелкнуть LB на кнопке OK – произойдет возврат в окно Options Pad Style;
-
щелкнув LB на кнопке Modify Hole Range, просмотреть структуру созданной КП;
-
Создать (в учебных целях) МПО MPO12_0p8C (между слоями 1 и 2 МПП диаметром 0,8 мм) этапами:
-
по команде Options >Via Style > Copy ввести в строке приглашения имя MPO12_0p8C, нажать Ok и дважды щелкнуть LB на строке MPO12_0p8C – отверстие станет текущим;
-
по команде Options > Via Style > Modify (Simple) установить поля: «Type» = Thru, «Shape» = Ellipse, «Width»= «Height»= 1.4, Diameter = 0.8, установить флажок в окне Plated и нажать OK;
-
щелкнув LB на кнопке Modify Hole Range в открывшемся окне выделить строку MPO12_0p8C, и в режиме Drug and Drop – строки:Int1, Int2;
-
по команде OK >Close завершить создание ПО.
-
Сохранить проект MPP-R.PCB в папке проекта командой File > Save.
36. Создание сплошных областей металлизации
Часто в печатных платах цифровых и/или аналоговых устройств возникает необходимость создания сплошных областей металлизации, играющих роль экранов, питающих цепей специальной формы и др.
Решим далее следующую задачу: зальем в проекте MPP-T.PCB все свободные участки МПП медью в слоях Top и Int1 и соединим всю заливку с цепью +5V.
-
Вначале выполним загрузку проекта MPP-T.PCB из папки проекта командой File > Load.
-
Далее создадим в слое Top область заливки и подключим ее к цепи +5V этапами:
-
после Options > Layers дважды щелкнуть LB на строке Top – слой Top станет текущим;
-
командой Place > Copper Pour задать полигон заливки, последовательно щелкая LB в точках: 11.25/61.25, 11.25/98.75, 58.75/98.75, 58.75/61.25, после чего – щелкнуть RB;
-
после Edit > Select щелкнуть LB в точке 11.25/98.75 – контур области заливки будет выделен;
-
щелкнуть RB и выбрать в контекстном меню строке Properties – откроется окно Copper Pour Properties;
-
на закладке Style установить: «Back Off» = Fixed и задать значение зазора между заливкой и проводниками схемы = 0,4 мм, «Back Off Smoothness» = High (высокая точность исполнения радиусов области заливки); в поле «State» = Poured (залить);
-
на закладке Connectivity установить: «Net»=+5V, оба поля «Stroke Width» = 0.3 мм (ширина термоперемычки) и щелкнуть LB на кнопке Ok – область заливки будет сформирована и подключена к цепи +5V.
-
Автоматически удалим «островки» площадью менее 200 мм2 этапами:
-
перейти в окно Copper Pour Properties и на закладке Island Removal: установить флажок в поле Minimum Area;
-
в соседнем окне ввести значение 200 и щелкнуть LB на кнопке Ok – часть островков исчезнет.
-
Соединим «островок», накрывающий точку 135/80, с основной цепью +5V через слой Int1 этапами:
-
после Edit > Select щелкнуть LB в точке 160/60 – выделение области заливки будет снято;
-
после Edit > Nets > Select All > Show просмотреть «изолированные» области – это области, накрывающие точки 115/75 – 1-я область, 145/80 – 2-я область и 135/80 – 3-я область (на факт изоляции этой области от цепи +5V указывает синяя линия – связь не подключенной к этим островкам цепи +5V);
-
сделать доступным только слой Int1, для чего после Options > Layers > Layers дважды щелкнуть LB на строке Int1 и выполнить команду: Options > Layers > Diabled ALL > Close;
-
командой Place > Copper Pour задать полигон заливки, последовательно щелкая LB в точках: 11.25/61.25, 11.25/98.75, 58.75/98.75, 58.75/61.25, после чего – щелкнуть RB;
-
после Edit > Select щелкнуть LB в точке 11.25/98.75 – контур области заливки будет выделен;
-
щелкнуть RB и выбрать в контекстном меню строке Properties – откроется окно Copper Pour Properties;
-
на закладке Style установить: «Back Off» = Fixed и задать значение зазора между заливкой и проводниками схемы = 0,4 мм, «Back Off Smoothness» = High (высокая точность исполнения радиусов области заливки); в поле «State» = Poured (залить);
-
на закладке Connectivity установить: «Net»=+5V, оба поля «Stroke Width» = 0.3 мм и щелкнуть LB на кнопке Ok – область заливки будет сформирована и подключена к цепи +5V.
-
сделать доступным только слой Top, для чего после Options > Layers дважды щелкнуть LB на строке Top и выполнить команду: Options > Layers > Diabled ALL > Close;
-
после Options > ViaStyle дважды щелкнуть LB на имени MPO_1p4_0p8R – отверстие станет текущим;
-
установить переходное отверстие MPO_1p4_0p8R на МПП в точку точке 131.25/81.25, для чего активизировать команду: Place > Via и щелкнуть LB в указанной точке;
-
подключить поставленное на МПП переходное отверстие к цепи +5V, для чего активизировать команду: Place > Connection нажать LB в точке 125/90 (контакт питания DD2) и, не отпуская LB, перетащить курсор мыши в точку 131.25/81.25, после чего отпустить LB;
-
последовательно выделить и повторно залить металлизированные области в слоях Int1 и Top командой Repour в окне Copper Pour Properties.
37. Текстовое описание и ввод ПЭС.
Формат описания ПЭС в текстовом виде практически совпадает с форматом обычного ALT–файла системы PCAD-4/5. Выполним подготовку и ввод ALT–файла, для схемы, приведенной на рисунке 39 в разделе 22.
-
По общим правилам подготовить текст ALT–файла TEST.ALT (рисунок 51). Есть три особенности его подготовки: во-первых, PCAD-2002 игнорирует оператор board=plata.pcb; (сам файл PLATA.PCB так же может отсутствовать, однако, наличие этого оператора является обязательным); во-вторых, обязательно наличие ЭРЭ в библиотеке проекта (в библиотеке Test); в-третьих, в конце ALT-файла отсутствует оператор EndSheets.
-
Выполнить ввод списка цепей для конструкторского проектирования этапами:
-
вызвать редактор PCB (Пуск > Программы > PCAD 2002 > PCB) и загрузить шаблон ShablonPCB;
-
подключить библиотеку TEST.LIB (Library >Setup);
-
по команде File >Save As сохранить проект в папке проекта под именем TestALT.pcb;
-
по команде Utils > Load NetList установить поле: Netlist Format = Master Designer ALT и, щелкнув LB на кнопке Netlist File Name, установить путь к файлу TEST.ALT;
-
последовательно щелкнуть LB на кнопках Открыть и OK - файл списка цепей будет загружен, и на экране появятся все элементы проекта в виде, представленном на рисунке 46, но, разумеется, без контура ПП.
| board=1.pcb; parts c2-33=r1,r2,r3; K73-15= c2; К10-43А= c1; KD403A =vd1; KT3102G =vt1; D1–1p2–1 = L1; K511PU2 = dd1; 133LA6 = dd2; ON-KS-10 = x1; nets | a1=r3/1 c1/2 L1/1 dd1/6; a2=r2/2 dd1/9 dd1/3; a3=c2/2 vt1/1 dd1/4 dd1/5 dd2/12 dd2/13; a4= dd2/8 dd2/1 dd2/2 dd1/12 dd1/13; a5 = dd2/4 dd2/5 dd1/10 x1/2; a7 = dd1/1 dd1/2 vt1/2 r3/2; +5V = dd1/14 dd2/14 L1/2 x1/1; gnd = c1/1 dd1/7 dd2/7 r1/1 vd1/1 vt1/3 x1/7; inp = c2/1 r1/2 r2/1 vd1/2 x1/4; net00002 = dd1/11 x1/6; net00003 = dd2/6 dd2/9 dd2/10 x1/5; net00005 = dd1/8 x1/3; |
| Рис.51 | |
38. Оптимизация цепей (Swap Gate).
В процессе ручного конструирования часто возникает необходимость в перестановке идентичных вентилей, входящих в состав различных корпусов. Эффект от перестановки (превышение суммарной длины связей до перестановки над СДС – после перестановки вентилей) может быть весьма значительный. То же можно сказать и в отношении перестановки эквивалентных выводов вентилей. Ниже приводится порядок действий по выполнению перестановки вентилей (Swap Gates) и выводов (Swap Pins), а также – по оценке эффективности выполненной и/или планируемой перестановки.
-
Подготовить тестовый пример схемы этапами:
-
запустить редактор схемы командой Пуск > Программы > PCAD 2002 > Schematic;
-
открыть файл ShablonSCH, и установить шаг сетки чертежа = 1,25 мм;
-
привязать движение курсора к уздам сетки командой View > Snap to Grid;
-
подключить библиотеку TEST к проекту командой Library > Setup;
-
по команде Place >Part выбрать элемент 133LA6 и установить его последовательно в точки: 90 /90 , 120 /60 , 120 /90 и 90 /60 – рисунок 49 (без резисторов)
-
по команде Place >Part выбрать элемент 133LA6 и установить его последовательно в точки: 90 /90 , 120 /60 , 120 /90 и 90 /60 – рисунок 49 (без резисторов и проводников);
-
по команде Place >Part выбрать резистор C2-33 и, развернув его клавишей R на 90 градусов, установить в точки 80 /75 и 80 /45 – рисунок 49 (без проводников);
-
по команде Place >Wire построить все проводники согласно рисунку 49;
-
сохранить созданную тестовую схему в папке проекта под именем SWAP.SCH;
-
по команде Utils >Generate NetList >Ok создать список цепей тестового примера SWAP.NET.
-
Загрузить проект схемы на ПП этапами:
-
запустить редактор PCB командой Пуск > Программы > PCAD 2002 > PCB;
-
открыть файл ShablonPCB, и установить шаг сетки чертежа = 1,25 мм;
-
привязать движение курсора к уздам сетки командой View > Snap to Grid;
-
подключить библиотеку TEST к проекту командой Library > Setup;
-
по команде Utils >Load NetList загрузить на ПП список цепей SWAP.NET;
-
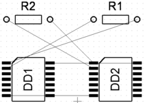
переместить R1 в точку 50 /45 – R2 в точку 30 /45 – DD1 в точку 30 /35 – DD2 в точку 50 /35 ;
-
установить текущим слой TOP, на котором размещены элементы – рисунок 50.
-
Выполнить оптимизацию цепей этапами:
-
после Utils >Optimize Nets в одноименном окне щелкнуть LB по строке Manual Gate Swap и на кнопке OK – произойдет возврат в поле проекта на ПП;
-
щелкнуть LB в точке 30 /35 – первый вентиль, подлежащий обмену, будет выделен;
-
щелкнуть LB в точке 50 /35 – второй вентиль, подлежащий обмену, будет выделен и на экране появится таблица результатов подсчета СДС в виде:
| Net Name (Имя цепи) | Manhattan Len… (длина СДС) | Percent Change (Эффект) |
| NET00001 | 20.000 mm | -50% |
| NET00002 | 11.250 mm | -64% |
| NET00003 | 20.000 mm | 0 |
| NET00004 | 11.250 mm | -64% |
Total percent change (TPC): -49%
-
из первой строки таблицы ясно, что длина цепи NET00001 после выполнения команды SWAP уменьшится на 50 процентов и станет равна 20 миллиметрам и так далее;
-
текст (TPC), размещенный под таблицей, показывает средний процент уменьшения СДС всех цепей;
-
просмотрев результаты подсчета СДС, конструктор принимает решение о выполнении обмена вентилей (если TPC<0, надо щелкнуть LB на кнопке SWAP), либо аннулирует попытку обмена (если TPC>0, надо щелкнуть LB на кнопке Cancel),
39. Работа с библиотеками (Library).
Далее создадим библиотеку Sh.lib, в которую в качестве компонентов поместим буквы шрифта Arial (TTF).
-
Командой Пуск > Программы >PCAD 2000> PCB – загрузить редактор ПП.
-
Командой Library > New > Sh.lib > Сохранить создать новую библиотеку Sh.lib.
-
Нарисовать букву «Г» этапами:
-
загрузить шаблон File > Open> ShablonPCB, установить сетку = 1 мм и сделать текущим слой Top Assy;
-
установить текущим шрифт 3p5 командой Options > Text Style >3p5>Close;
-
командой Place > Text поместить текст «Г» в точку 15/10, установив флажок поля Justification в центре;
-
установить шаг сетки = 0.05, ширину линии 0.35 и и сделать текущим слой Top;
-
командой Place > Line обвести букву Г линиями, щелкая LB в точках 14.25/8.45, 14.25/11.55 и 15.65/11.55 – щелкнуть RB и установить шаг сетки = 1 мм;
-
удалить букву «Г», для чего после Edit > Select щелкнуть LB в точке 15/10 и нажать клавишу Delete;
-
выделить нарисованную букву «Г» нажать LB в точке 15/10 и, не отпуская LB, перетащить курсор мыши в точку 10/10, после чего отпустить LB;
-
ввести необходимые атрибуты компонента – RefPoint (в точке 10/10) и RefDes=«Г» (выравнивание выбрать по центру), причем после ввода атрибут RefDes сделать невидимым;
-
Записать в библиотеку букву «Г» этапами:
-
командой Library > Setup подключить к проекту библиотеку Sh.lib;
-
выделить в режиме Edit > Select все элементы буквы «Г», заключенные в прямоугольнике 6/14; 14/6.
-
выполнить команду Library > Pattern Save As, установив в открывшемся одноименном окне флажок в поле Component и присвоив имя Pattern=Г и Component = Г.
-
Нарисовать и записать в библиотеку букву «Д», пользуясь методикой, изложенной в пунктах 3 и 4.
-
Создание новой библиотеки выполняется командой Library > New > Шрифт-3p5> Сохранить.
-
Копирование элемента из одной библиотеки в другую (созданную заранее). Например, копирование буквы «Б» из библиотеки «Sh.lib» в библиотеку «Шрифт-3p5.lib » выполняется этапами:
-
после Library > Copy щелкнуть LB по кнопке Source Library установить путь к библиотеке-источнику (в данном случае «Sh.lib») и щелкнуть LB на кнопке «Открыть»;
-
аналогично «Открыть» библиотеку-приемник «Шрифт-3p5.lib »;
-
щелкнуть LB на строке «Б» в окне «Multiply Source Names» – строка будет выделена;
-
в поле «Copy Item » установить флажок «Component » (так как буква «Б» создана как компонент);
-
в поле «Destination Preferences » установить флажки «OverWrite Items » (в этом случае копируемая буква «Б» заменит старую) и «Copy Pattern w/component » (только в этом случае будет скопировано и посадочное место копируемого компонента);
-
щелкнуть LB по кнопке «Copy » – копирование будет выполнено, о чем система проинформирует сообщением «Library Copy Completed »;
-
щелкнуть LB на кнопке «Close » для завершения работы с библиотекой.
-
Копирование нескольких элементов из одной библиотеки в другую выполняется аналогично. Например, копирование букв «1, 2 и 3» из библиотеки «Sh.lib» в библиотеку «Шрифт-3p5.lib » выполняется этапами:
-
после Library > Copy щелкнуть LB по кнопке Source Library установить путь к библиотеке-источнику (в данном случае «Sh.lib») и щелкнуть LB на кнопке «Открыть»;
-
аналогично «Открыть» библиотеку-приемник «Шрифт-3p5.lib »;
-
щелкнуть LB на строке «1» в окне «Multiply Source Names» – строка будет выделена;
-
при нажатой клавише CTRL щелкнуть LB на строках «1, 2 и 3» – строки будут выделены;
-
в поле «Copy Item » установить флажок «Component » (так как копируются компоненты);
-
в поле «Destination Preferences » установить флажки «OverWrite Items » (в этом случае копируемая буква «Б» заменит старую) и «Copy Pattern w/component » (только в этом случае будет скопировано и посадочное место копируемого компонента);
-
щелкнуть LB по кнопке «Copy » – копирование будет выполнено, о чем система проинформирует сообщением «Library Copy Completed ».
-
Командой Library > New > NL.lib > Сохранить создать новую библиотеку NL.lib.
-
Скопировать в NL все элементы из библиотеки NazaLIB этапами:
-
командой Пуск > Программы >PCAD 2000> Schematic – загрузить редактор схемы;
-
командой Library > New > NL.lib > Сохранить создать новую библиотеку NL.lib;
-
после Library > Copy щелкнуть LB по кнопке Source Library установить путь к библиотеке-источнику (в данном случае «NazaLIB.lib») и щелкнуть LB на кнопке «Открыть»;
-
аналогично «Открыть» библиотеку-приемник «NL.lib »;
-
скопировать символы из библиотеки NazaLIB, для чего щелкнуть LB по строкам «Component», «Copy Symbol w/component », «OverWrite Items» и, выделив имена символов в окне «Multiple Source Name» (при нажатой клавише CTRL и LB «протащить» курсор по именам символов), щелкнуть LB на клавише Copy;
-
скопировать посадочные места из библиотеки NazaLIB, для чего щелкнуть LB по строкам «Pattern» и «OverWrite Items» и, выделив имена посадочных мест, щелкнуть LB на клавише Copy.
-
Удалить из библиотеки NL посадочное место DIP14.
40. Разработка проекта на ПП в среде SPECCTRA
















