Методические указания (1071704), страница 7
Текст из файла (страница 7)
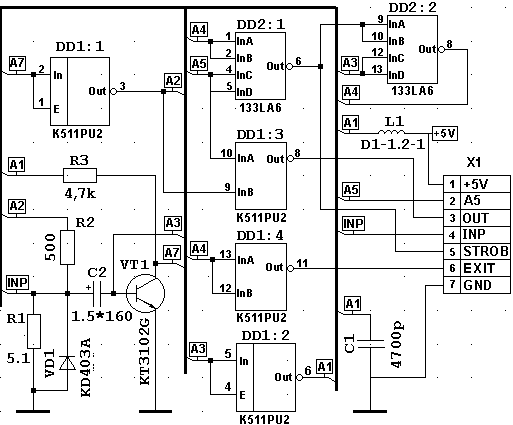
Таблица 18
ЭРЭ | RefDes | Номинал | Координаты базовой точки | ||
| Наименование | Type | на Э3 | в проекте | ||
| Конденсатор | К10 – 43А | С1 | 4700 пФ | 4700p | R 230 /155 |
| K73 –15 | С2 | 1,5 мкФ160В | 1.5*160 | 140 /175 | |
| Диод | KD403A | VD1 | 5,5 Ом | 5,5 | R 140 /150 |
| Трапзистор | KT3102G | VT1 | 5,5 Ом | 5,5 | 155 /175 |
| Резистор | C2-33 | R1 | 5,5 Ом | 5,5 | R 130 /155 |
| R2 | 500 Ом | 500 | R 140 /180 | ||
| R3 | 4,7 кОм | 4,7k | 135 /210 | ||
| Дроссель | D1–1p2–1 | L1 | 1 мкГн | 1 | 230 /222,5 |
| Микросхема | K511PU2 | DD1.1 | (И–НЕ) | (NOT–AND) | 130 /230 |
| DD1.2 | (И–НЕ) | (NOT–AND) | 185 /145 | ||
| DD1.3 | (2И–НЕ) | (2AND–NOT) | 185 /215 | ||
| DD1.4 | (2И–НЕ) | (2AND–NOT) | 185 /185 | ||
| Микросхема | 133LA6 | DD2.1 | (4И–НЕ) | (4AND–NOT) | 185 /250 |
| DD2.2 | (4И–НЕ) | (4AND–NOT) | 230 /255 | ||
| Клемма «Земля» | Gnd | PWR1 | 130 /145 | ||
| PWR2 | 167,5 /145 | ||||
| PWR3 | 230 /145 | ||||
| Разъем | ON-KS-10 | X1-1 | (+5V) | 250 /210 | |
| ON-KS-10 | X1-2 | (A5) | 250 /205 | ||
| ON-KS-10 | X1-3 | (OUT) | 250 /200 | ||
| ON-KS-10 | X1-4 | (INP) | 250 /195 | ||
| ON-KS-10 | X1-5 | (STROB) | 250 /190 | ||
| ON-KS-10 | X1-7 | (GND) | 250 /180 | ||
|
| |
| Рис.39 | |
21. Разработка форматки для ПП ??
Стандартную (ГОСТ 2.301-68) форматку А3 можно создать, используя форматку, созданную в разделе Разработка форматки A3-RUS.TTL для Э3 (стр.21), этапами:
-
Загрузить редактор схемы: Пуск > Программы > PCAD 2002 > Schematic;
-
Открыть файл A3-RUS.TTL в папке C: \Programm Files\PCAD 2002 \Titles командой File > Open,
-
Записать в папку «Шаблоны» файл со штампом в формате DXF этапами :
-
после File > DXF Out в поле «Sheets» щелкнуть LB на строке: Sheet1, в окне «DXF Units» щелкнуть LB на кнопке Мm
-
в окне «Output Mode» установить все флажки и щелкнуть LB на кнопке «DXF Filename…»
-
указать путь к папке Шаблоны и ввести имя выходного файла A3-RUS,
-
щелкнуть LB на кнопках «Сохранить» и Ok;
-
По команде File > Close >Utils > P-CAD PCB загрузить редактор проекта на печатной плате (ПП);
-
По команде File > Open открыть файл ShablonPCB.
-
Прочитать из папки «Шаблоны» файл со штампом в формате DXF этапами :
-
по команде File > Import > DXF открыть в папке Шаблоны файл A3-RUS.DXF;
-
в открывшемся окне File DXF In в поле «DXF Units» щелкнуть LB на кнопке Мm,
-
далее в окне «Locate DXF Origin» установить флажок Auto Ajust to Workspace,
-
По команде Option > Grids установить сетки чертежа: 1 мм; 1,25 мм; 2,5 мм; 5,0 мм; 0,5 мм; 10 мм.
-
Записать форматку в папку «Шаблоны и форматки» под именем A3-RUS.PCB, по команде File > Save.
22. Разработка шаблона печатной платы
-
Загрузить редактор ПП командой Пуск > Программы > PCAD 2002 > PCB.
-
Для подготовки шаблона ПП воспользуемся ранее созданной форматкой A3-RUS.PCB, созданной в пункте 21, которая содержит все предварительные настройки и подключается к проекту командой File > Open после указания в открывшемся окне «Open» пути к файлу A3-RUS.PCB.
-
Для некоторых проектов подключение форматки A3-RUS не требуется, поэтому сразу после подключения к проекту следует удалить ее рисунок с рабочего стола командой: Edit > Select All > Edit > Delete (настройки сеток, шрифтов и линий будут сохранены в создаваемом шаблоне).
-
Записать форматку в папку Шаблоны и форматки проекта под именем ShablonPCB, по команде File > Save.
-
Покинуть редактор РСВ: File > Exit
23. Вывод схемы на принтер
-
Загрузить редактор ПЭС командой Пуск > Программы > PCAD 2002 > Schematic.
-
Загрузить ПЭС, которую необходимо вывести на принтер, командой File > Open.
-
По команде View > ALL вписать все элементы изображения в поле экрана.
-
После File > Print Setup настроить формат листа принтера А4, режим печати и щелкнуть LB на кнопке Ok.
-
По команде File > Print установить границы выводимого поля чертежа и распечатать его этапами:
-
щелкнуть LB на строке Sheet1 в окне Sheets – строка будет выделена;
-
снять флажки Current Windows и Scale to Fit Page в окне «Override Setting» и щелкнуть LB на кнопке Page Setup;
-
щелкнуть LB на строке Sheet1 в окне Sheets – строка будет выделена;
-
установить флажки Rotate и Title в окне «Image Options», снять флажок Sheet Extents в окне «Print Region» и щелкнуть LB на кнопке Define Region;
-
щелкнуть LB в левом нижнем и в правом верхнем углу чертежа, заключая в окно все элементы чертежа, подлежащие выводу на печать, включая рамку чертежа и щелкнуть клавишей Esc;
-
ответить утвердительно на оба предупреждения;
-
в окне «Image Scale» щелкнуть LB на строке User Scale Factor (Масштаб пользователя) и в следующей строке ввести требуемый по ТЗ масштаб чертежа (например, 1.00);
-
щелкнуть LB на кнопках Update Sheet и Close – параметры чертежа будут приняты системой;
-
щелкнуть LB на кнопке Print PreView – откроется окно просмотра чертежа, в виде двух листов формата А4 с изображением левой части чертежа (просмотр управляется клавишами Next Page и Prev Page);
-
щелкнуть LB на кнопке Print – чертеж распечатается в масштабе 1:1 на 4-х листах формата А4.
24. Преобразование проекта Э3 в проект на ПП
-
Запустить редактор PCB (командой Пуск > Программы > PCAD 2002 > PCB).
-
Открыть файл ShablonPCB, в папке Шаблоны и Штампы и установить сетку чертежа 10 мм.
-
Командой Library > Setup > Add из каталога проекта подключить библиотеку TEST.LIB.
-
Командой Utils > Load Netlist… из каталога проекта загрузить список соединений test.net, установив поле Netlist Format = P–CAD ASCII – на экране появятся все ЭРЭ.
-
Назначить сочетание клавиш Ctrl+L (Ctrl+H) для высвечивания (гашения) связей этапами:
-
создать папку Macro в каталоге проекта и после Macro > Setup в окне «Default Macro Directory » ввести путь к этой папке и щелкнуть LB на кнопке ОК;
-
после Macro>Record в окне «Macro Recorder » ввести имя LightNets и щелкнуть LB на кнопке OK – будет показана панель создания макроса;
-
выполнить команду: Select >Edit >Nets >Set All >Show >Close и закрыть макрос, щелкнув LB на самой левой кнопке панели макроса – панель исчезнет, а макрос будет добавлен в библиотеку макросов;
-
аналогично построить макрос гашения связей HideNets;
-
назначить «горячие клавиши» для сформированных макросов по команде: Options >Preferences >Macros.
-
Командой Select >Edit >Nets >Set All >Show Only On Drag >Close по команде: установить режим показа связей, появляющихся только при перемещении элемента по плате.
-
Скрыть изображение типов и номиналов ЭРЭ этапами:
-
в режиме выбора (Select) заключить в окно все ЭРЭ, щелкнуть RB – откроется контекстное меню;
-
щелкнуть LB на строке Properties и в открывшемся окне погасить флажки в строках Type и Value.
-
Сохранить файл: по команде File >Save >Save As в окне Save As установить поля: «Тип файла »=Binary Files, «Имя файла » = TEST, затем нажать кнопку «Сохранить» – проект будет сохранен в файле TEST.PCB .
25. Формирование базовой конструкции ПП
-
По команде Options >Grids дважды щелкнуть LB по строке 5.0 – сетка станет текущей.
-
Подключить к проекту монтажное отверстие N6p0-2p7C этапами:
-
командой Library >Setup подключить к проекту библиотеку «MountHole»;
-
после Place >Component в окне Library выбрать библиотеку MountHole и дважды щелкнуть LB на имени монтажного отверстия N6p0-2p7C – отверстие будет выбрано из библиотеки;
-
щелкнуть LB и затем – RB в любой точке ПП – отверстие появится на ПП и будет подключено к проекту;
-
удалить монтажное отверстие с рабочего поля командой Edit >Select > Edit >Select All> Edit >Delete;
-
Ввести размеры ПП: 5 4 мм (рисунок 41), на которой требуется спроектировать печатный узел этапами:.
-
после Options >Layers дважды щелкнуть LB по имени слоя Board, слой станет текущим;
-
после Place >Line поочередно щелкнуть LB в точках: 110/60 , 160/60 , 160/100 , 110/100 , 110/60 после чего щелкнуть RB, – контур базовой платы построен.
-
Установить на ПП 2 монтажных отверстия N6p0-2p7C на ПП, для чего: после Options >PadStyle дважды щелкнуть LB на имени N6p0-2p7C – и после Place >Pad щелкнуть LB в точках: 115/65 , 155/65 , щелкнуть RB.
-
Сохранить проект в папке проекта: по команде File >Save >Save As в файле TEST–K.PCB
26. Ручное размещение проекта
-
По команде Options >Grids дважды щелкнуть LB по строке 1.25 – сетка станет текущей.
-
Выполнить «ручную» расстановку ЭРЭ на плате. Например, VT1 устанавливается на ПП этапами:
-
по команде Edit >Select щелкнуть LB в левом контакте элемента VT1;
-
снова нажать LB и, не отпуская LB, перетащив VT1 в точку 130/85 , отпустить LB и щелкнуть клавишей «R»;
-
аналогично перенести остальные ЭРЭ в точки, указанные в табл.19;
-
установить разъём X1 в точку 127,5/97,5 – рисунок 42
-
Сохранить файл в папке проекта под именем TEST–R.PCB.
Таблица 19
| ЭРЭ | Координаты | ЭРЭ | Координаты | ЭРЭ | Координаты | |||
| X | Y | X | Y | X | Y | |||
| VD1 | 115 | 76,25 | C1 | 125 | 63,75 | R1 | 135 | 85 (RRR) |
| DD2 | 115 | 90 | L1 | 155 | 70 {R} | C2 | 125 | 70 |
| R2 | 140 | 65 | DD1 | 140 | 90 | R3 | 151,25 | 75 {R} |
| VT1 | 130 | 85(R) | ||||||
27. Ручная трассировка проекта
-
Запустить редактор PCB (командой Пуск > Программы > PCAD 2002 > PCB).
-
По команде File>Load p загрузить проект TEST–R.PCB.
-
Объединим далее сигнальные цепи в класс SIG, а цепи питания – в класс PWR. Зададим ширину проводника для класса SIG = 0.3 мм, и для класса PWR = 0.7 мм. Итак, класс PWR создадим этапами:
-
после Option >Net Classes – в окне Net Classes установить: Class Name = PWR и щелкнуть LB на кнопке ADD;
-
в окне Unassigned Nets дважды щелкнуть LB на строках +5V и GND – класс PWR построен;
-
аналогично построить класс SIG, включив в него все остальные цепи из окна Unassigned Nets.
-
Для сформированных классов введем указанные выше значения ширины проводников этапами:
-
оставаясь в окне Net Classes, щелкнуть LB на строке PWR поля Classes – строка выделится;
-
щелкнуть LB на кнопке Edit – откроется окно Attributes;
-
щелкнуть LB на кнопке ADD – откроется окно Place Attribute;
-
в столбце Attribute Category щелкнуть LB на строке Net – строка выделится;
-
в столбце Name щелкнуть LB на строке Width – строка выделится;
-
установить поле «Value» = 0.7, щелкнуть LB на кнопке OK – атрибут будет добавлен в таблицу атрибутов цепей в окне Attribute;
-
щелкнуть LB на кнопке OK окна Attribute – произойдет возврат в окно Net Classes;
-
аналогично ввести ширину проводников сигнальных цепей и закрыть окно Net Classes кнопкой OK.
-
Выполнить другие подготовительные операции для «ручной» трассировки ПП этапами:
-
по команде Option >Grids установить шаг сетки трассировки = 1.25 мм;
-
сформировать стиль переходного отверстия V1p4_0p8C и сделать его текущим;
-
yстановить текущим набор сигнальных слоев Signal Layers командой Options >Layers >Sets >Signal Layers >Enable Layers >Close – теперь переключение (клавишей L) будет осуществляться только между слоями Top и Bottom (в строке статуса так же будут появляться только эти слои) - слой Top сделать текущим;
-
включить изображение панели инструментов трассировки командой View > Route Toolbar;
-
по команде Option >Configure >Route установить флажок в окне «-Route by Default - трасса будет приводиться к виду Т-образной по умолчанию.
-
Установить зазоры между проводниками и площадками согласно табл.20. С этой целью первоначально по команде Option >Design Rules >Design, щелкая клавишей Delete, очистить окно Place Attribute и нажать кнопку OK. Далее ввести первый зазор (LineToLineClearance – зазор между проводниками) этапами:
-
по команде Option >Design Rules >Design >ADD в окне «Place Attribute» последовательно щелкнуть LB на строках: Clearance и LineToLineClearance;
-
в окне «Value» ввести значение зазора 0.3 и щелкнуть LB на кнопке OK;
-
аналогично ввести остальные зазоры.
Таблица 20
| № п/п | Зазор | Значение | № п/п | Зазор | Значение |
| 1 | ViaToPadClearance | 0.3 | 5 | ViaToViaClearance | 0.3 |
| 2 | ViaToLineClearance | 0.3 | 6 | PadToPadClearance | 0.3 |
| 3 | PadToLineClearance | 0.3 | 7 | HoleToHoleClearance | 0.3 |
| 4 | LineToLineClearance | 0.3 |
-
Разрешить автоматический выбор всех направлений ведения ручной трассы, переключаемых клавишей «О», включая сглаживание прямых углов дугой окружности этапами:
-
по команде Option >Configure>Router… установить флажки во всех строках поля «Orthogonal Mode »;
-
По команде Option >Online DRC… установить флажки во всех полях, в результате чего: 1) все ошибки будут вывялятся, и 2) сообщения об ошибках (Report Options) будут появляться вплоть до полного их устранения;
-
Установить порядок проверки зазоров этапами:
-
по команде Utils >DRC… (Design Rule Checks) установить все флажки в поле Report Options;
-
перевести все нарушения зазоров из разряда предупреждений в разряд ошибок, для чего: а) щелкнуть LB на кнопке Severity Levels; б) в колонке Rule щелкнуть LB на строке Clearance; в) в поле Severity Levels щелкнуть LB на слове Error и на на кнопке ОК;
-
перевести нарушения «Unconnected Pins – не окрашенные контакты» из разряда ошибок в разряд предупреждений, для чего: а) щелкнуть LB на кнопке Severity Levels; б) в колонке Rule щелкнуть LB на строке Unconnected Pins; в) в поле Severity Levels щелкнуть LB на слове Warning и на на кнопке ОК;
-
в поле «Design Rule Checks» установить все флажки, кроме первого и последнего, и щелкнуть LB на кнопке ОК (стр 456 - Уваров);
-
ограничить область контроля размерами ПП, для чего после Region > Define Region нажать LB около точки 105/105 и отпустить LB около точки 170/50 , далее щелкнуть RB и щелкнуть LB на кнопках «Да» и ОК – будет выполнен контроль зазоров и сохранены все введенные правила;
-
включить (он-лайновый) контроль зазоров, щелкнув LB на кнопке DRC панели инструментов Command Toolbar.
-
Снова сохранить файл в папке проекта под именем TEST–R.
-
Построить участок трассы А1 между контактом 1 элемента С1 и контактом 6 микросхемы DD1 этапами:
-
после Select >Edit>Nets>ClearAll>Hide>A1>Show >Close - цепь А1 будет выделена на экране синим цветом;
-
после Route > Manual клавишей «О» установить режим проведения ортогональных трасс: контроль исполнения – в правом нижнем углу строки состояния (Ortho=90);
-
щелкнуть LB в точке 132,5/63,75 – курсор примет форму косого креста и цвет цепи А1 станет белым;
-
переместить курсор в точку 137,5/63,75 и щелкнуть LB – будет построен отрезок проводника в слое TOP – в дальнейшем в этом слое будем проводить преимущественно горизонтальные проводники;
-
щелкнуть клавишей «L» – слой BOTTOM станет текущим, щелкнуть LB в точке 137,5/77,5 – будет сформировано переходное отверстие и построен второй отрезок проводника в «вертикальном» слое Bottom;
-
щелкнуть «L» – текущим станет TOP, щелкнуть LB и RB в точке 140/77,5 – требуемый участок построен.
-
Построить второй участок трассы А1 от нижнего контакта R3 до 6-го контакта DD1 этапами:
-
после Route > Manual щелкнуть LB в точке 140/77,5 – цепь будет выделена белым цветом;
-
щелкнуть LB в точках 140/76,25 и 151,25/76,25 , после чего щелкнуть RB – требуемый участок будет построен, причем заключительный проводник будет доведен автоматически (если конструктор не желает, чтобы PCB автоматически завершал построение проводника, он должен после Options > Configure выбрать закладку Route и в окне Manual Route щелкнуть LB на нижней строке – Slash… ).
-
Построить последний участок трассы А1 от нижнего контакта R3 до правого контакта DD1 (рисунок 43).
-
Повторяя пункты 46, построить топологию для остальных цепей (рис.44–слой ТОР, рис.45–слой BOTTOM).
28. Введение дополнительных вершин изгиба проводников
-
Запустить редактор PCB (командой Пуск > Программы > PCAD 2002 > PCB) и загрузить проект TEST–T.PCB
-
Включить проверку зазоров в ходе ручной разводки (онлайновый контроль зазоров), для чего после Options >Configure >Online DRC установить флажок в поле «Enable Online DRC ».
-
Включить режим показа не разведенных связей командой Edit >Select >Edit >Nets >Select ALL >Show.
-
Построить последний не разведенный участок цепи +5V этапами:
-
установить набор слоев Signal Layers командой Options >Layers >Sets >Signal Layers >Enable Layers >Close – и клавишей L сделать текущим слой Top;
-
после Route >Manual щелкнуть LB в точке 147,5/90 – вся трасса +5V подсветится, курсор примет форму косого креста, а ширина проводника установится равной 0,7 мм;
-
последовательно щелкнуть LB в точках 147,5/91,25 – 127,5/91,25 – 127,5/90 – последний участок трассы будет построен, однако система выдаст предупреждение о нарушении правил соблюдения зазоров вида:
| Оригинальный текст | Перевод |
| CLEARANCE VIOLATIONS: Error 3 -- Net +5V shorted to Net GND: * Pad VT1-3 at (130.000, 90.000) mm [Top layer] * Line at (147.5, 91.25):(127.5, 91.25) mm [Top layer] Error 4 -- Clearance Violation between: * Line at (147.5, 91.25):(127.5, 91.25) mm [Top layer] * Pad DD1-1 at (140.0, 90.0) mm [Top layer] * Calculated Clearance: 0.200mm. * Rule: Layer{Top}.PadToLineClearance=0.300mm | НАРУШЕНИЕ ЗАЗОРОВ Ошибка 3 – Цепь +5V замкнута на Цепь GND: * Площадка VT1-3 в (130.000, 90.000) мм [Top слой] * Линия (147.5, 91.25):(127.5, 91.25) мм [Top слой] Ошибка 4 – Нарушение зазора между: * Линия (147.5, 91.25):(127.5, 91.25) мм [Top слой] * Площадка DD1-1 в (140.0, 90.0) мм [Top слой] * Рассчитанный зазор: 0.2 мм. * Допустимый между линией и площадкой=0.3 мм |
-
Удалить значки, предупреждающие о несоблюдении зазоров (Info Point) этапами:
-
щелкнуть LB в точке 147,5/91,25 – откроется табличка выбора вида:
-
щелкнуть LB на строке InfoPoint и нажать клавишу «Delete» - значок исчезнет с экрана;
-
аналогично удалить InfoPoint в точке 140/91,25;
-
Перенести построенный горизонтальный проводник выше на один дискрет этапами:
-
щелкнуть LB в точке 135/91,25 – проводник будет выделен;
-
нажать LB и, не отпуская LB, перетащить курсор в точку 135/92,5 и отпустить LB – появится текст сообщения о не соблюдении зазоров в точке 133,75/92,5 , сопровождаемый значком InfoPoint;
-
закрыть окно сообщения и удалить InfoPoint.
-
Устранить конфликтную ситуацию, отмеченную в предыдущем пункте этапами:
-
выключить онлайновый контроль зазоров, для чего после Options >Configure >Online DRC сбросить флажок в поле «Enable Online DRC »;
-
ввести дополнительную вершину в центр горизонтального проводника, для чего после Edit >Select: щелкнуть LB и RB в точке 132,5/92,5 и в меню выбрать строку Add Vertex – вершина будет добавлена;
-
снова щелкнуть LB и RB в точке 132,5/92,5, выбрать строку Add Vertex – добавлена еще одна вершина;
-
щелкнуть LB и RB в точке 135/92,5, выбрать строку Add Vertex – будет добавлена 3-я вершина;
-
в режиме Drag & Drop перетащить добавленную вершину из точки 132,5/92,5 в точку 131,25/92,5 ;
-
аналогично перетащить вторую вершину из точки 137,5/92,5 в точку 136,25/92,5
-
включив онлайновый контроль зазоров, перетащить 3-ю вершину из точки 135/92,5 в точку 133,75/91,25
-
Сохранить файл в папке проекта под именем TEST–R–VertexAfter.PCB.
29. Использование режима ARC и Tangent ARC
-
Выполнить пункты 1-4 предыдущего раздела.
-
Построить не разведенный участок цепи +5V, используя режим ARC, этапами:
-
установить набор слоев Signal Layers командой Options >Layers >Sets >Signal Layers >Enable Layers >Close – и клавишей L сделать текущим слой Top;
-
после Route >Manual щелкнуть LB в точке 127,5/90 – вся трасса +5V подсветится, курсор примет форму косого креста, а ширина проводника установится равной 0,7 мм;
-
переместить курсор в точку 131,25/92,5 , нажать LB, клавишей «О» выбрать режим ARC, отпустить LB, щелкнуть LB в точке 133,75/90 , и затем последовательно в точках: 137,5/90 , 137,5/92,5 , 147,5/92,5, щелкнуть RB - трасса построена.
-
Построить не разведенный участок цепи +5V, используя режим Tangent ARC, этапами:
-
установить набор слоев Signal Layers командой Options >Layers >Sets >Signal Layers >Enable Layers >Close – и клавишей L сделать текущим слой Top;
-
после Route >Manual щелкнуть LB в точке 127,5/90 , клавишей «О» выбрать режим ортогонального проведения трасс 90 (контроль в строке статуса) и щелкнуть LB в точках: 127,5/92,5 и 131,25/92,5;
-
клавишей «О» выбрать режим Tangent ARC и последовательно щелкать LB в точках: 133,75/91,25, 136,25/92,5 , 147,5/92,5, щелкнуть RB - трасса построена.
-
Перенести проводник, пересекающий точку 120/92,5 , в слой TOP этапами:
-
щелкнуть LB в точке 120/92,5 – проводник будет выделен;
-
слой TOP сделать активным, выбрав его в строке статуса;
-
выполнить команду Edit >Move To Layer – проводник будет перенесен в слой TOP, причем оба контактных перехода будут аннулированы.
-
Аналогично перенести проводники, пересекающие точки 122,5/76,25 , 122,5/66,25 , 136,25/63,75 , 152,5/70 , 142,5/70 , 122,5/76,25 , 122,5/76,25 , 145/77,5 , 138,75/77,5 , 145/82,5 в альтернативные слои.
-
Сохранить файл в папке проекта под именем TEST–R–TangentAfter.PCB.
30. Сглаживание прямоугольных изгибов проводников
-
Запустить редактор PCB (командой Пуск > Программы > PCAD 2002 > PCB).
-
По команде File>Open загрузить проект TEST–T–TangentAfter.PCB.
-
По команде Options>Configure>Route в поле «Miter Mode» установить флажок в строке Line, задающий режим сглаживания углов под 45 градусов.
-
После View>Extent установить курсор в точку 130/85 и дважды нажать «серый плюс».
-
Выполнить сглаживание прямого угла в точке 132,5/85 этапами:
-
установить шаг сетки = 0,25 мм и активизировать команду Route>Miter;
-
нажать LB в точке 132,5/85 и, перетащив курсор в точку 131,5/84, отпустить LB – фаска готова.
-
Сохранить проект в папке проекта под именем TEST–T-After.PCB
31. Полуавтоматическая трассировка проекта
-
Выполнить подготовительные этапы пункты 13 предыдущего раздела 25.4, для чего в среде редактора PCB загрузить подготовленный ранее файл Test-R.
-
Сохранить файл в папке проекта под именем TEST–THA.
-
Выполнить полуавтоматическую разводку цепи +5V из класса PWR этапами:
-
после View >Extent вписать в экран весь проект на ПП;
-
после Route >Interactive щелкнуть LB в точке 125/90 (14-я ножка DD2) – произойдет автоматическая установка ширины проводников в соответствии с классом PWR (1 мм) и контакты цепи +5V будут подсвечены;
-
щелкнуть LB в точке 147,5/90 (14-я ножка DD1) – участок цепи +5V между указанными контактами будет автоматически построен;
-
щелкнуть LB в точках 127,5/97.5 (1-я ножка разъема) и 127,5/92.5 (на проводнике), щелкнуть далее RB и в контекстном меню выбрать строку Complete – второй участок цепи будет автоматически построен;
-
щелкнуть LB в точках 155/87.5 (верхняя ножка L1) и 147,5/90 – цепь будет автоматически достроена.
32. Автоматическая трассировка (Shape Router)
-
Запустить редактор ПП PCB и загрузить файл Test-R из каталога проекта.
-
Выполнить пункты 12 раздела 25.5 – будут установлены правила топологических зазоров.
-
Вызвать программу P-CAD Shape Router этапами:
-
после Route >Autorouters в одноименном окне установить поле «Autorouters» = P-CAD Shape Router;
-
щелкнуть LB на кнопке START и ответить утвердительно на вопрос системы.
-
Выполнить трассировку командой Tools >Start Autorouter и после File >Save and Return вернуться из программы P-CAD Shape Router в программу PCB.
33. Внесение изменений в проект
| Возможны следующие виды изменений: |
|
Прямое внесение изменений (из Э3 на ПП)
















