Методические указания (1071704), страница 12
Текст из файла (страница 12)
49. Разработка схемы с иерархией
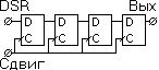
В данном разделе рассмотрим создание схемы сдвигового регистра (рисунок 1), состоящего из 4-х модулей (D–триггеров). Схема отдельного D – триггера приведена на рисунке 2. Все символы, входящие в состав схемы D – триггера еcть в библиотеке Test.lib. Создание данной иерархической схемы выполняется в следующем порядке:
-
создание символа–модуля DT, представляющего на рисунке 1 один из 4-х разрядов сдвигового регистра;
-
создание схемы сдвигового регистра (рисунок 1) из символа–модулей DT;
-
создание внутренней схемы соединений символов НЕ и 2И-НЕ, реализующей отдельный D–триггер (рисунок 2), и называемой далее подсхемой;
Создание модуля DT
-
Запустить редактор схемы командой Пуск > Программы > PCAD 2002 > Schematic и открыть файл ShablonSCH.
-
Командой Utils > Module Wisard запустить «Мастер создания модуля».
-
Командой Library > Setup подключить к проекту библиотеку TEST.
-
В первом окна Module Wisard щелкнуть LB на строке Create a new module and its link (создать новый модуль и его связи) и кнопке Next – откроется второе окно Module Wisard , в котором следует установить поля:
-
Module Name = DT (создаваемому модулю присвоили имя DT);
-
Number of input pins = 2 (число входных контактов модуля DT – это контакты D и C)
-
Number of output pins = 1 (число выходных контактов модуля DT – это контакт Q)
-
Symbol Width = 20mm (ширина символа–модуля DT – размерность вводить обязательно !)
-
Pin Length = 5mm (длина вывода символа–модуля DT – размерность вводить обязательно !)
-
Pin Spacing = 5mm (расстояние между выводами символа–модуля DT – размерность вводить обязательно !)
-
установить флажок Create Corresponding Link и установить поле Link Name = LN (имя подсхемы),
-
установить флажок Save in library (откроется диалоговое окно, в котором надо выбрать библиотеку TEST),
-
ввести имена контактов символа-модуля DT, для чего: в поле Pin Designator ввести «1» нажать клавишу «Tab», в поле Pin Name ввести «D» и нажать клавишу «Enter» - в поле Pin Designator появится номер 2-го контакта, а поле Pin Name подсветиться – можно вводить следующее имя – «С» и нажать клавишу «Enter»;
-
аналогично ввести последнее имя («Q») и нажать кнопку NEXT – откроется третье окно Module Wisard,
-
в этом окно – выделить строку Sheet1 и щелкнуть LB на кнопке NEXT – откроется 4-е окно Module Wisard;
-
здесь система предлагает принять имя RefDes = M1, с которым можно согласиться, щелкнув LB на кнопке OK – система перейдет в режим Place>Part, от которго на данном этапе можно отказаться (командой Edit > Select), поскольку достигнута цель текущего этапа – модуль DT создан и записан в библиотеку TEST.
Создание схемы сдвигового регистра
-
Установить шаг сетки чертежа (Options > Grids) = 10 мм и подключить библиотеку TEST (Library > Setup).
-
После Place > Part в открывшемся окне дважды щелкнуть LB на строке DT - модуль DT появится на схеме.
-
Установить 4 копии модуля DT на схему, щелкнув LB в точках: 80/100, 130/100, 180/100 и 230/100.
-
Установить шаг сетки чертежа = 1,250 мм и командой Place > Wire построить все цепи согласно рисунку 1.
-
После Place > Part установить на схему контакты разъема ON-KS-10 и подключить их к контактам DSR, Сдвиг (Shift) и Вых (EXIT), после чего присвить цепям имена по названию контактов – рисунок 3
Создание подсхемы
Исходными данными для создания подсхемы является схема сдвигового регистра, полученная в предыдущем пункте. Подсхема создается в следующем порядке.
1. Перейти с листа Sheet1 в рабочее поле подсхемы – на лист DT этапами:
-
щелкнуть LB и RB в центре модуля M1 и в контекстном меню щелкнуть LB на строке Descend – откроется окно Hierarchy Navigator;
-
дважды щелкнуть LB на контакте 1 – откроется новый лист DT (контроль в строке статуса или по команде Options>Current Sheet) и курсор будет позиционирован около контакта 1;
-
после View>ALL перенести контакт 1 – в точку 25/100, контакт 2 – в точку 25/50, контакт 3 –в точку 110/85 и выполнить команду View>Extent
-
Установить вход-выходные контакты подсхемы в сетку с шагом 1.25 в следующем порядке: после View>ALL перенести контакт 1 – в точку 25/100, контакт 2 – в точку 25/50, контакт 3 –в точку 110/85 и выполнить команду View>Extent. Например перенос контакта 1 в точку 25/100 выполняется этапами:
-
щелкнуть LB и RB в центре первого контакта и в открывшемся контекстном меню щелкнуть LB на строке Properties (Свойства) – откроется окно Part Properties;
-
выбрать закладку Symbol, изменить координаты в поле Location на следующие: X=25, Y=100 и нажать OK.
-
аналогично перенести другие контакты.
-
Установить символы на схему и соединить их согласно рисунку 2 этапами:
-
щелкнуть LB и RB в центре первого контакта и в открывшемся контекстном меню щелкнуть LB на строке Properties (Свойства) – откроется окно Part Properties;
-
Перейти назад – в схему сдвигового регистра и сохранить проект этапами:
-
щелкнуть LB и RB в центре контакта 1 и в контекстном меню щелкнуть LB на строке Ascend – откроется окно Hierarchy Navigator с перечнем модулей, входящих в состав сдвигового регистра;
-
дважды щелкнуть LB на модуле M1 – произойдет возврат в схему сдвигового регистра (рисунок 4)
















