R,L,C 272-308 (1066246), страница 3
Текст из файла (страница 3)
Метод дискретного счета
При методе дискретного счета используют закономерности апериодического процесса, возникающего при подключении заряженного конденсатора или катушки индуктивности с протекающим в ней током к образцовому резистору. При измерении активного сопротивления применяют процесс разряда образцового конденсатора через измеряемый резистор. При этом измеренный интервал времени функционально связан с преобразуемым параметром. Преобразователи отличают высокая точность, быстродействие, линейность функции преобразования, удобная для преобразования в цифровой код видом выходного сигнала.
Схема преобразователя сопротивлений, индуктивностей и емкостей в интервал времени (период меандрового напряжения) показана на рис. 10.8, а.
Рис. 10.8. Преобразователь параметров элементов в интервал времени:
а — схема; б — измерительные цепи; в — временные диаграммы;
ИЦ — измерительная цепь; ОУ — операционный усилитель
Измерительная цепь ИЦ интегрирующего типа с постоянной времени τх = R0Cx (или RxC0, или Lx/R0 — рис. 10.8, б) питается выходным напряжением операционного усилителя ОУ, являющегося компаратором. Порог его срабатывания задают делителем R1 и R2. Временные диаграммы работы преобразователя параметров элементов приведены на рис. 10.8, в.
При поступлении в момент времени t0 на ИЦ с выхода ОУ напряжения Uo происходит его интегрирование измерительной цепью. Очевидно, что напряжение на инвертирующем входе ОУ:
где β = R2/(R1 + R2) — коэффициент передачи цепи положительной ОС.
При достижении этой функцией порогового значения +βU0 (момент времени t1) компаратор срабатывает и изменяет на выходе знак напряжения U0 на противоположный. Можно показать, что интервал интегрирования
На следующем интервале времени T2= t2 - t1 происходит формирование развертывающей функции с противоположным знаком производной. Очевидно, что при равенстве значений положительного и отрицательного порогов срабатывания |+βU0| = |-βU0|, интервалы Т1, и Т2 равны. Период напряжения на выходе ОУ
Этот интервал измеряют цифровым измерителем интервалов (или частотомером). Результат измерения периода Тх пропорционален значению определяемого параметра Rx (или Сх или Lx).
На рис. 10.9 показана структурная схема цифрового измерителя емкости и сопротивления, реализующая метод дискретного счета, а на рис. 10.10 — временные диаграммы к схеме.
Рис. 10.9. Структурная схема цифрового измерителя емкости и сопротивления
Перед измерением ключ Кл (рис. 10.9) устанавливают в положении 1 и конденсатор Сх заряжается через ограничительный резистор Rд до значения стабилизированного источника напряжения Е. В момент начала измерения емкости t1 (рис. 10.10, а) управляющее устройство импульсом управления переключает
Рис. 10.10. Временные диаграммы к рис. 10.9:
а — импульсы управления; б — процесс разряда конденсатора;
в — сигнал на выходе УС; г — сигнал триггера; д — импульсы на входе счетчика
триггер из состояния 0 в состояние 1, очищает предыдущие показания счетчика импульсов и переводит ключ Кл в положение 2. Измеряемый конденсатор Сх начинает разряжаться через образцовый резистор Ro6p по экспоненциальному закону (рис. 10.10, б), который описывают уравнением:
где τ = Ro6pCx — постоянная времени цепи разряда конденсатора.
В момент времени t1, единичный импульс напряжения UT с выхода триггера открывает схему совпадения и счетчик начинает счет тактовых импульсов генератора, следующих с некоторой частотой f Напряжение UC подают на один из входов устройства сравнения, ко второму входу которого подводится напряжение с делителя, состоящего из резисторов R1 и R2. Это напряжение равно
Сопротивления R1 и R2 выбирают такими, чтобы при разряде конденсатора уменьшающееся напряжение UC по истечении времени τ стало равным напряжению UR. В момент t2, когда эти напряжения будут равны, на выходе устройства сравнения возникает импульс напряжения UУС, переключающий триггер в исходное состояние, при котором задним фронтом его импульса UT закрывается схема совпадения, и счетчик прекращает счет тактовых импульсов (рис. 10.10, б- д).
Поскольку при t = t2 напряжения UC = UR и τ = t2 - t1, то
Таким образом, напряжение UR, снимаемое с делителя R1, R2 имеет определенное значение (UR = 0,368E), что достигают подбором сопротивлений резисторов. За интервал времени τ = RoбрCx на счетчик поступает число импульсов
N=fτ, (10.28)
где f — частота следования счетных импульсов.
Поскольку τ = Ro6pCx, то при фиксированных значениях частоты f и сопротивления Ro6p
Cx = N/(fRo6p) = N/K1. (10.29)
Здесь коэффициент К1 = fRo6p.
Согласно (10.29), величина измеряемой емкости прямо пропорциональна числу импульсов N, поступивших на счетчик.
Наличие образцового конденсатора Собр позволяет аналогичным образом измерить сопротивление резистора:
Rx= N/(fCo6p) = N/K1, (10.30)
где коэффициент К2 = fСобр.
Цифровые измерительные приборы, построенные по методу дискретного счета, получили широкое распространение при измерении параметров электрических цепей. К достоинствам метода следует отнести достаточно высокую точность измерений. Погрешность измерений цифровым методом составляет 0,1...0,2 % и зависит в основном от нестабильности сопротивлений резисторов R1, R2, Ro6p или конденсатора Собр, нестабильности частоты f генератора счетных импульсов, а также неточности срабатывания устройства сравнения. К недостаткам таких приборов можно отнести трудность измерения параметров на рабочей частоте.
Измерение параметров элементов методом уравновешивающего преобразования
Наряду с методами прямого преобразования (дискретного счета) в практике используют также методы уравновешивающего преобразования измеряемых значений сопротивления, индуктивности и емкости, основанные на сравнении измеряемой величины с образцовой. Сравнение измеряемой величины с образцовой чаще всего осуществляют путем уравновешивания мостовой измерительной цепи, в одно из плеч которой включают исследуемый двухполюсник. В смежное плечо моста вводят образцовый элемент, представляющий собой набор квантованных образцовых мер, соответствующих весовым коэффициентам разрядов используемого цифрового кода. Изменением параметров образцового двухполюсника добиваются равенства нулю напряжения в измерительной диагонали.
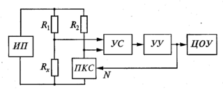
На рис. 10.11 показана структурная схема цифрового моста постоянного тока уравновешивающего типа для измерения активного сопротивления резистора или другого элемента с омическими потерями.
Рис. 10.11. Структурная схема цифрового моста постоянного тока уравновешивающего типа
Измеряемый резистор Rx, образцовые резисторы R1, и R2 и преобразователь кода в сопротивление ПКС образуют мост, который питается источником постоянного напряжения ИП. Разбаланс моста фиксируют устройством сравнения УС. Устройство управления УУ анализирует выходной сигнал УС и в зависимости от его знака увеличивает или уменьшает значение цифрового кода N, выдаваемый на ПКС. Уравновешивание производится до тех пор, пока напряжение в выходной диагонали моста не станет меньше порога чувствительности УС. При этом измеряемое сопротивление
Rx= R1RПКС/R2 = kПКСNR1/R2, (10.31)
где RПКС — сопротивление ПКС; kПКС = RПKC/N— коэффициент преобразования ПКС.
Как следует из формулы (10.31), результат измерения (он фиксируется ЦОУ) не зависит от напряжения питания. Пределы измерения подбирают путем изменения отношения сопротивлений резисторов R1 и R2 цепи положительной обратной связи. Цифровые мосты постоянного тока уравновешивающего типа обеспечивают погрешность измерения параметров около 0,01 % и поэтому их широко применяют для точного измерения активного сопротивления резисторов.
Более сложными по структуре построения являются мосты переменного тока, предназначенные для измерений комплексного сопротивления, индуктивности и емкости при определенной фиксированной частоте (обычно около 1 кГц). Эти мосты выполняют уравновешивание по двум параметрам, т.е. производят раздельное и независимое уравновешивание двух составляющих комплексного сопротивления Zx.
Цифровые автоматические приборы с микропроцессором
В цифровых автоматических приборах измерения сопротивлений, индуктивностей и емкостей широко используют методы, связанные с преобразованием измеряемого параметра в напряжение или ток, частоту или интервал времени, а также измерительные устройства, построенные на основе мостовых и компенсационных схем. Наибольшее распространение в практике измерений получили цифровые автоматические приборы с микропроцессором, выполненные по схемам с использованием уравновешенных мостов. Уравновешивание моста осуществляют автоматическим регулированием двух органов моста (для каждого из измеряемых параметров).















