Готовое домашнее задание вариант №12 (1065492)
Текст из файла
Московский Государственный технический Университет им. Н. Э. Баумана
РАСЧЕТ ВАКУУМНЫХ СИСТЕМ
ТЕХНОЛОГИЧЕСКОГО ОБОРУДОВАНИЯ
Домашнее задание по курсу
"Физика вакуума"
Вариант №12.
Выполнил:
студент
группы МТ11-51
Решетников Н.Н.
Проверил:
Моисеев К. М.
Москва
2013г.
Исходные данные:
Откачиваемый прибор: Камера (Ион. импл.)
Объем камеры:
.
Рабочий вакуум:
Суммарный поток газовыделения:
Тип откачки: безмасляная
Производство: индивид.
Задание:
-
Рассчитать эффективную(требуемую) скорость откачки.
-
Выбрать и обосновать тип насоса окончательной откачки (с учетом типа вакуума)
-
Составить вакуумную схему с учетом выбранного типа высоковакуумного насоса.
БОНУС: предложить альтернативную схему с указанием достоинств и недостатков обоих схем.
-
Выбрать и обосновать типоразмер насоса окончательной откачки (с учетом коэффициента запаса)
-
Выбрать и обосновать типоразмер предварительной откачки (с учетом согласования насосов)
-
Выбрать и обосновать тип и типоразмер запорной арматуры (клапаны, затворы)
-
Выбрать и обосновать тип и типоразмер вакуумных датчиков.
-
Выбрать и обосновать тип и типоразмер дополнительных элементов вакуумной системы (ловушки, натекатели)
-
Выбрать и обосновать тип вакуумных соединений и уплотнений.
-
Составить перечень элементов, входящих в вакуумную схему с указанием типа, типоразмера, марки, производителя и количества.
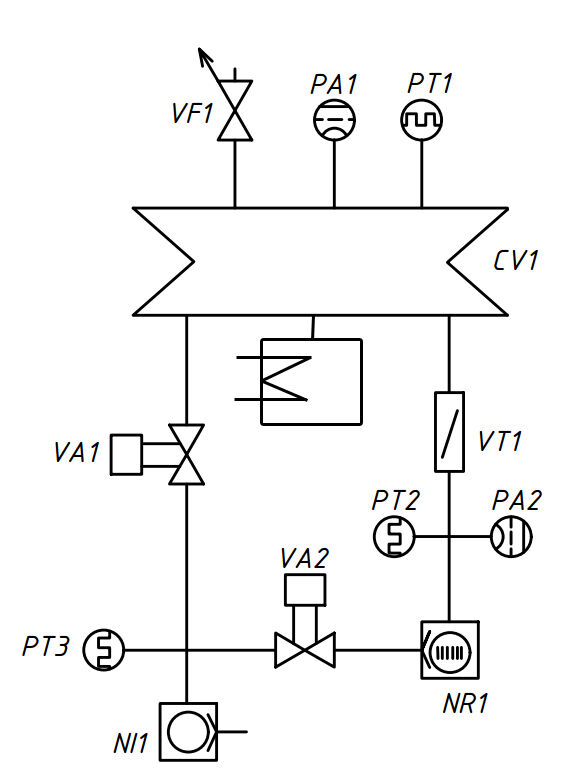
Схема вакуумной системы
Определение и обоснование типоразмер окончательной высоковакуумной откачки:
Требуемая быстрота откачки:
Требуемая быстрота откачки с учетом коэффициента запаса (определение типоразмер окончательной откачки):
Предельное давление насоса рекомендуется брать хотя бы на один порядок больше рабочего давления т.е:
По данным параметрам (
) и с учетом типа откачки (безмасляная) нам подходит только криогенный насос. Выбираем криогенный насос HSR VCP100.
Определение и обоснование типоразмер первой высоковакуумной откачки:
Требуемая быстрота откачки:
Требуемая быстрота откачки с учетом коэффициента запаса (определение типоразмер окончательной откачки):
Предельное давление насоса рекомендуется брать хотя бы на один порядок больше рабочего давления т.е:
По данным параметрам (
) и с учетом типа откачки (безмасляная) нам подходят насосы турбомолекулярные (безмасл.), магниторазрядные (нужное нам предельное давление не соответствует с быстротой откачки или откачиваемым объемом), криогенные (Слишком большие предельные давления и скорость откачки+ дорогие, большие габариты). Поэтому экономичнее и технологичнее выбрать турбомолекулярный насос. Выбираем насос турбомолекулярный EXT75DX (компании Edwards):
Определения и обоснование типоразмер форвакуумной откачки:
Рекомендуемая быстрота действия насоса при форвакуумной откачке:
Выбираем спиральный насос nXDS6i (для эффективности откачки и повышения производительность Высоковакуумного -насоса), нам требуется безмасляный вакуум (Ион. импл. требует очень высокой чистоты, т.е даже условно масляная откачка нам не подходит) + по нашим требуемым параметрам форвакуумного насоса этот вполне подходит):
Датчики (+по диапазону измерения ), клапаны, затворы, переходники, крестовины, тройники, уплотнители (материал рекомендуется: для СВВ – металлический, для ВВ- NBR) в основном выбираются по диаметру фланца.
+ Все датчики от одного производителя (Edwards), чтобы подключить их к одному контроллеру (Edwards).
Я выбрал электромагнитные (электропневматические) затворы и клапаны чтобы была возможность полностью автоматизировать процесс откачки.
Натекателей в системе не должно быть, т.к. не используется рабочий газ. Ловушек тоже нет, т.к. выбранные насосы и так обеспечивают безмасляную откачку.
В некоторых случаях выбора элементов вакуумной системы я не учитывал экономический подход, т.к. производство у меня индивидуальное.
Т.к. диаметр выходного фланца ВВ-насоса и диаметр входного фланца форвакуумного насоса в моей системе не совпали, я использовал конический переходник для их соединения.
| Обозначение | Наименование | Количество | Примечание |
| CV1 | Камера | 1 | V=100 л. |
| VA | Клапан | 2 | Электропневматический Модель PV25PK (компании Edwards), D=25 мм |
| VT1 | Затвор | 1 | Пневматический (Компания HVA) Модель 11212-015_R, D=40мм |
| VF1 | Клапан | 1 | Напускной Модель: IPVA10EK |
| NR1 | Насос турбомолекулярный | 1 | Модель EXT75DX (компании Edwards)
|
| NI1 | Насос форвакуумный спиральный | 1 | Модель nXDS6i (компании Edwards)
|
| PT | Датчик Пирани | 3 | APG-L (Edwards) Диапазон измерения: |
| PA | Датчик ионизационный | 2 | AIGX-S (Edwards) Диапазон измерения: |
| - | Уплотнители D=25 | 19 | Уплотняющий материал-FKM (компании VACOM) Материал центрирующего кольца: н/сталь 316L Модель: KF25SVCR-316 |
| - | Уплотнители D=40 | 6 | Уплотняющий материал-FKM (компании VACOM) Материал центрирующего кольца: н/сталь 316L Модель: KF40SVCR-316 |
| - | Уплотнители D=16 | 1 | Уплотняющий материал-FKM (компании VACOM) Материал центрирующего кольца: н/сталь 316L Модель: KF16SVCR-316 |
| - | KF Переходник-крестовина | 1 | Материал: н/сталь, DN=40, DN2=25 Модель: X40K25-316 (компании VACOM) |
| - | KF крестовина | 1 | Материал: н/сталь, DN=25 Модель: X25K-316 (компании VACOM) |
| - | KF-уменьшающий переходник конический | 1 | Материал: н/сталь 316L, DN=16, DN2=25 Модель: KF25R16/CO-316 (компании VACOM) |
| - | KF-соединительный элемент | 1 | Звеньевой хомут (компании VACOM) Art.-Nr.: KF16C, DN=16 |
| - | KF-соединительный элемент | 14 | Звеньевой хомут (компании VACOM) Art.-Nr.: KF25C, DN=16 |
| - | KF-соединительный элемент | 5 | Звеньевой хомут (компании VACOM) Art.-Nr.: KF40C, DN=16 |
Характеристики
Тип файла документ
Документы такого типа открываются такими программами, как Microsoft Office Word на компьютерах Windows, Apple Pages на компьютерах Mac, Open Office - бесплатная альтернатива на различных платформах, в том числе Linux. Наиболее простым и современным решением будут Google документы, так как открываются онлайн без скачивания прямо в браузере на любой платформе. Существуют российские качественные аналоги, например от Яндекса.
Будьте внимательны на мобильных устройствах, так как там используются упрощённый функционал даже в официальном приложении от Microsoft, поэтому для просмотра скачивайте PDF-версию. А если нужно редактировать файл, то используйте оригинальный файл.
Файлы такого типа обычно разбиты на страницы, а текст может быть форматированным (жирный, курсив, выбор шрифта, таблицы и т.п.), а также в него можно добавлять изображения. Формат идеально подходит для рефератов, докладов и РПЗ курсовых проектов, которые необходимо распечатать. Кстати перед печатью также сохраняйте файл в PDF, так как принтер может начудить со шрифтами.
, D=25 мм
, D=25 мм














