Готовое домашнее задание вариант №8 (1065486)
Текст из файла
Исходные данные:
-
Объем рабочей камеры – 0,03 м3;
-
Площ. непрогр. мет. дет.Fi – 0,02 м²
-
Рабочий вакуум – 10-7 Па;
-
Тип вакуума – безмасляный;
-
Исходя из объёма и формы выбрать геометрические параметры камеры и определить площадь поверхности.
-
Допустим, что камера цилиндрическая.
-
Высота = 0,2 м
-
Радиус = 0,24 м
-
Площадь поверхности = 1,5
-
Расчет эффективной быстроты откачки вакуумной камеры.
-
Рабочее давление
=10-7 [Па]; -
S0=Qв/p=
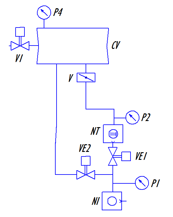
Составить вакуумную схему с учётом выбранного типа высоковакуумного насоса: схема в начале.
Выбор типа и типоразмера турбомолекулярного насоса
-
Edwards nEXT240D Turbomolecular Pump B81200200
-
Диапазон рабочих давлений, Па –
-
Диаметр впускного патрубка – 100 мм
-
Даёт безмасляный вакуум
-
http://www.edwardsvacuum.com/Products/B81200200/View.aspx
Выбор типа и типоразмера форвакуумного насоса исходя из рекомендации компании Edwards к данному турбомоллекулярному насосу.
-
Спиральный насос Edwards nXDS10i Scroll Pump A73601983
Выбрать и обосновать тип и типоразмер запорной арматуры:
-
Клапаны электромагнитные – PVEK PV40 (7,5x10-10 – 1500 Торр)
-
Затвор VAT Series 08 (08140-FA03) DN 100 (диапазон давлений - Па –
) -
Клапаны напуска: Edwards IPVA10EK C41731000
Вакууметры комбинированные: INFICON; Inverted Magnetron Pirani Gauge; MPG401 (FPM sealed metal-sealed)
Дополнительные элементы не требуются
Обычные резиновые уплотнения.
Таблица:
| Схема | Наименование | Марка | Название | Артикул | Кол-во |
| NI | Спиральный насос | Edwards | nXDS10i Scroll Pump | A73601983 | 1 |
| P | Комбинированный вакуумный датчик | INFICON | Inverted Magnetron Pirani Gauge | MPG401 | 3 |
| V1 | Клапан напуска | Edwards | IPVA10EK | C41731000 | 1 |
| V | Затвор | VAT | Series 08 DN 100 | 08140-FA03 | 1 |
| VE | Клапаны электромагнитные | PVEK | PV40 | - | 2 |
| NT | Турбомолекулярный насос | Edwards | nEXT240D | B81200200 | 1 |
Характеристики
Тип файла документ
Документы такого типа открываются такими программами, как Microsoft Office Word на компьютерах Windows, Apple Pages на компьютерах Mac, Open Office - бесплатная альтернатива на различных платформах, в том числе Linux. Наиболее простым и современным решением будут Google документы, так как открываются онлайн без скачивания прямо в браузере на любой платформе. Существуют российские качественные аналоги, например от Яндекса.
Будьте внимательны на мобильных устройствах, так как там используются упрощённый функционал даже в официальном приложении от Microsoft, поэтому для просмотра скачивайте PDF-версию. А если нужно редактировать файл, то используйте оригинальный файл.
Файлы такого типа обычно разбиты на страницы, а текст может быть форматированным (жирный, курсив, выбор шрифта, таблицы и т.п.), а также в него можно добавлять изображения. Формат идеально подходит для рефератов, докладов и РПЗ курсовых проектов, которые необходимо распечатать. Кстати перед печатью также сохраняйте файл в PDF, так как принтер может начудить со шрифтами.
=10-7 [Па];
)















