Tsvetkov_8 (1063214)
Текст из файла
8. Установки совмещения и экспонирования
В
промышленном производстве интегральных схем основными способами передачи изображения фотошаблона на заготовку является фотолитография - контактная и проекционная (рис. 1).
Рис. 1 Передача изображения контактной (а) и проекционной (б) фотолитографией
8.1. Установки совмещения и экспонирования контактного типа
В контактной фотолитографии экспонирование фотошаблона ведется при прижиме его к подложке. При этом предполагается, что остаточные микрозазоры между фотошаблоном и подложкой в зависимости от усилия прижима в разных областях рабочего поля составляют 0 - 2 мкм при жестком контакте, до 15 мкм при мягком контакте и до 25 микрометров при экспонировании с гарантированным микрозазором. Таким образом, в этом методе, несмотря на его название, экспонирование большей части подложки ведется при наличии микрозазора. Это определяет дифракционные явления, которые превращают номинальный прямоугольный профиль распределения интенсивности на объекте (шаблоне) Io в сложный, трудно прогнозируемый профиль изображения Ii на поверхности фоторезиста (рис. 1, а).
В распределении интенсивности можно выделить некоторые характерные точки, такие как наибольший максимум интенсивности в затененном участке (точка А), наименее освещенная точка светлого поля (точка В) и точка, отвечающая краю геометрической тени (точка С).
При завышенном времени экспонирования экспозиция в точке А может оказаться достаточной для полного удаления фоторезиста в этой точке при проявлении. В этом случае в области тени, там, где требуется сохранить маскирующую пленку фоторезиста, появятся сквозные полосы обнаженной подложки, так называемый "двойной край". При заниженном времени экспонирования экспозиция в точке В может оказаться недостаточной и в освещенной области изображения сохранятся валики неудаленного при проявлении фоторезиста.
На практике для оценки разрешения контактной фотолитографии используют растры с одинаковыми прозрачными и непрозрачными полосами, при этом полагают, что
z - микрозазор между фотошаблоном и поверхностью фоторезиста
h - толщина фоторезиста
В случае жесткого контакта единственным "спейсером" между фотошаблоном и заготовкой является фоторезист (считается, что на значительной части рабочей зоны z = 0) и поэтому разрешение определяется выражением
В ряде случаев экономически целесообразно проводить экспонирование при гарантированном микрозазоре, величина которого может доходить до 50 и даже 100 мкм, что значительно превышает толщину фоторезиста. В первом случае обеспечивается разрешение в 7 мкм, а во втором - 10 мкм, что хорошо согласуется с вариантом формулы
и вполне достаточно, например, для тонкопленочных приборов
В прецизионной кремниевой технологии данное выражение также применимо, но с меньшим коэффициентом
Приведенные формулы пригодны для укрупненной оценки возможностей фотолитографических систем контактного типа, в них явно угадываются параметры, определяющие дифракционные эффекты: длина волны
, зазор
, размер окна в фотошаблоне
.
По принципу действия установки совмещения и экспонирования (УСЭ) контактного типа аналогичны рассмотренным в предыдущем реферате установкам размножения рабочих фотошаблонов. Вместе с тем УСЭ должны отвечать ряду дополнительных требований.
Прежде всего, при многократном репродуцировании изображений фотошаблонов на полупроводниковую подложку необходимо точно (в пределах 0,5... 1 мкм и менее) совмещать изображение очередного фотошаблона с изображением на подложке.
Необходимо учитывать, что погрешности формы полупроводниковых подложек (разнотолщинность, клиновидность, неплоскостность) выше, чем у стеклянных заготовок фотошаблонов. Кроме того, на подложки наносятся технологические слои и пленки, они подвергаются высокотемпературным операциям—окислению, эпитаксии, диффузии. Все это ведет к короблению подложек и резкому увеличению их неплоскостности, что сильно затрудняет обеспечение равномерного контакта подложки с шаблоном при экспонировании.
В связи с этим, в установку совмещения и контактного экспонирования введены ряд дополнительных механизмов. К ним относятся:
-
узел автоматической загрузки-выгрузки и предварительной ориентации подложек;
-
механизмы подготовки совмещения (выравнивания поверхностей фотошаблона и подложки, создания микрозазора);
-
манипулятор
-
микроскоп совмещения
Механизмы подготовки совмещения предназначены для параллельного выравнивания поверхностей подложки и фотошаблона и создания микрозазора между ними. Эти операции необходимы для качественного выполнения совмещения подложки и фотошаблона, выполняемого с помощью микроскопа.
Для увеличения разрешающей способности микроскопа увеличивают апертуру его объектива, однако при этим существенно уменьшается глубина резкости, обратно пропорциональная квадрату апертуры:
, где Т- глубина резкости в мкм, А – числовая апертура.
Так, для получения разрешающей способности W = 1 мкм необходима апертура А = 0,3 , при этом глубина резкости Т=7 мкм. Соответственно для W = 0,6 мкм А=0,5 и Т2...3 мкм. В результате даже небольшие отклонения по толщине подложек или их клиновидность могут оказаться соизмеримыми с глубиной резкости микроскопа, составляющей в большинстве случаев 5...20 мкм. При увеличении микрозазора оператор нечетко видит при совмещении рисунки фотошаблона и подложки. При уменьшении микрозазора возрастает вероятность контакта в отдельных зонах, и в результате резко увеличивается износ фотошаблона и повреждение фоторезиста на подложке. В связи с этим необходимо обеспечить постоянство микрозазора независимо от разнотолщинности и клиновидности подложек.
Принципиальная схема УСЭ контактного типа
Механизмы выравнивания рабочих поверхностей подложки и фотошаблона должны обеспечить поворот подложки относительно любой из осей, проходящих через ее центр, с последующей фиксацией этого положения.
Наиболее распространенным является механизм, представленный на рис2, состоящий из полусферического подпятника, в который подается сжатый воздух для взвешивания сегмента на воздушной подушке. При достижении плотного контакта подложки с фотошаблоном сжатый воздух перекрывается, а подключение гнезда к вакууму обеспечивает фиксацию сегмента.
Для уменьшения износа фотошаблона выравнивание поверхности подложки ведут не по всей его поверхности, а лишь по периферийной части, Для этого между подложкой и фотошаблоном вводят калибратор.
В качестве калибратора может использоваться пластина с базовыми выступами или несколько отдельных прокладок.
М
еханизмы создания микрозазора должны обеспечить постоянство требуемого микрозазпра между подложкой и фотошаблоном независимо от разнотолщинности подложек. С этой целью подложкодержатели выполняются самоустанавливающимися по высоте, а величина микрозазора задается упорами или кулачковыми механизмами.
В механизмах создания микрозазора всех типов мягкий поджим подложки к фотошаблону и самоустановка подложкодержателя обеспечиваются введением в цепь передаточных звеньев пружины.
Механизмы выравнивания поверхностей и создания микрозазора между подложкой и фотошаблоном обычно компонуются в виде единого узла вертикальных перемещений. Конструкция такого узла показана на рис1. Прижим подложки через калибратор к фотошаблону происходит при включении приводного электродвигателя 1, который через пару шестерен 7 и 8 вращает кулачок 2. Косой срез кулачка набегает на ролик штока 3, а тот через пружину 4 воздействует на чашку 5. После окончания выравнивания поверхностей сферический сегмент фиксируется подключением чашки 5 к вакууму. Дальнейшее вращение кулачка 2 позволяет опустить подложкодержатель вниз для отвода калибратора, а затем снова поднять его вверх для создания между подложкой и фотошаблоном микрозазора для совмещения. На кулачке выполнено восемь разновысоких площадок, позволяющих регулировать величину микрозазора от нуля до 50 мкм. Это позволяет проводить не только контактное, но и теневое экспонирование с гарантированным микрозазором.
Манипулятор обеспечивает перемещение подложки по ортогональным осям и ее поворот при совмещении с фотошаблоном.
Блок экспонирования УСЭ контактного тина во многом аналогичен осветителю установки тиражирования фотошаблонов. В качестве источника используется ртутно-кварцевая лампа , излучение которой с помощью рефлектора направляется па зеркало и в блок линзовых растров . Следующие зеркало направляет расходящиеся пучки излучения на конденсор, преобразующий его в параллельный (в пределах угла коллимации) поток актиничного излучения. На корпусе блока экспонирования крепится микроскоп установки.
В микроскопах УСЭ расстояние между осями объективов регулируется. Возможна также замена объективов микроскопа, позволяющая применять различные увеличения.
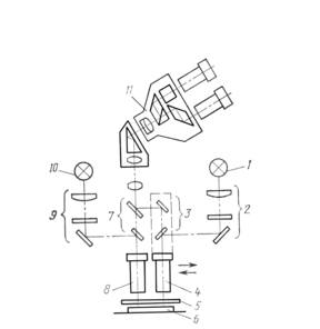
Схема и принцип действия двупольного микроскопа
Микроскоп установки выполнен по двухпольной схеме и включает две самостоятельные оптические ветви, изображении из которых поступает в одно поле зрения. Каждая ветвь содержит осветительную систему 1,2,3 и 7,9,10 а также объективы 4, 8.
Изображение от объективов передается через полупрозрачные зеркала 3 и 7 и систему линз в наклонный тубус, а затем в окуляры бинокулярной насадки 11. При последовательном включении двух источников света 1 и 10 в поле зрения окуляра четко видно изображение, поступающее от соответствующего объектива.
В микроскопах УСЭ расстояние между осями объективов регулируется. Возможна также замена объективов микроскопа.
8.2. Проекционные установки совмещения и экспонирования
Характеристики
Тип файла документ
Документы такого типа открываются такими программами, как Microsoft Office Word на компьютерах Windows, Apple Pages на компьютерах Mac, Open Office - бесплатная альтернатива на различных платформах, в том числе Linux. Наиболее простым и современным решением будут Google документы, так как открываются онлайн без скачивания прямо в браузере на любой платформе. Существуют российские качественные аналоги, например от Яндекса.
Будьте внимательны на мобильных устройствах, так как там используются упрощённый функционал даже в официальном приложении от Microsoft, поэтому для просмотра скачивайте PDF-версию. А если нужно редактировать файл, то используйте оригинальный файл.
Файлы такого типа обычно разбиты на страницы, а текст может быть форматированным (жирный, курсив, выбор шрифта, таблицы и т.п.), а также в него можно добавлять изображения. Формат идеально подходит для рефератов, докладов и РПЗ курсовых проектов, которые необходимо распечатать. Кстати перед печатью также сохраняйте файл в PDF, так как принтер может начудить со шрифтами.
















