Kursovaya1 (1060616)
Текст из файла
|
| Московский государственный технический университет каф. РЛ-6 «Технологии приборостроения» |
Курсовая работа
ИССЛЕДОВАНИЕ ЗАВИСИМОСТИ ПОГРЕШНОСТИ ФИЛЬТРАЦИИ РАДИОСИГНАЛА В НАНОЭЛЕКТРОННОЙ КЛЕТОЧНОЙ НЕЛИНЕЙНОЙ СЕТИ ОТ ЕМКОСТИ ЯЧЕЙКИ И ОТ МАКСИМАЛЬНОГО ТОКА ВАХ
Москва – 2014
-
Постановка задач исследования
Объект исследования – параллельная фильтрация радиосигнала с помощью наноэлектронных элементов. Параллельная фильтрация радиосигнала – это процесс параллельной очистки радиосигнала от шума, точки обрабатываются одновременно. Наноэлектронные элементы – это элементы, имеющие в своем составе наноструктуры, хотя бы один размер порядка 10нм.
Предмет исследования – параллельная фильтрация радиосигнала в наноэлектронной клеточной нелинейной сети. КНС – это сеть ячеек, состоящая из одинаковых элементов, соединенных между собой. Ячейка сети включает в себя конденсатор С и нелинейное сопротивление RNL, между собой ячейки связаны резисторами R. В качестве нелинейных элементов в КНС можно использовать резонансно-туннельные диоды (РТД). Характерной особенностью является возможность создания сильно различающихся форм ВАХ. Характерной особенностью КНС является параллельная обработка.
Исходное состояние проблемы – методика расчета относительной погрешности параллельной фильтрации радиосигнала, заложенная в программу CelNet_03. Ее характерные особенности состоят в том, что используется реакционно-диффузионная модель. Относительная погрешность определяется как отношение разности фильтрованного сигнала и эталонного к эталонному сигналу.
Цель работы - исследовать зависимость погрешности фильтрации радиосигнала в наноэлектронной клеточной нелинейной сети от емкости и максимально тока ячейки.
Актуальность исследования: Исследование поможет уменьшить погрешность преобразования и его характерную длительность. Именно сейчас исследование относительной погрешности обработки радиосигнала от емкости и максимального тока ячейки КНС пригодится в процессах обработки радиосигналов, подверженных шумовой составляющей.
Гипотеза исследования: Увеличение емкости ячейки сети при малых токах ВАХ нелинейного элемента приведет к увеличению погрешности, а так же увеличит характерное время фильтрации. Увеличение максимального тока увеличит погрешность.
Задачи исследования:
-
Проверить правильность процедур расчета на эталонном примере.
-
Исследовать зависимость погрешности фильтрации и характерного времени фильтрации сигнала от емкости ячейки сети.
-
Исследовать зависимость погрешности фильтрации и характерного времени фильтрации сигнала от максимальной силы тока ВАХ.
-
Введение
Исследование проводится на основе программы CELNET_03 v01.01 2013г., автор программы Малышев Константин Васильевич. Объектом исследования, является наноэлектронная клеточная нелинейная сеть (КНС). КНС состоит из узлов, каждый из которых соединен связями с другими узлами. Благодаря наноэлектронной клеточной нелинейной сети можно параллельно обрабатывать сигналы. На входе сети мы имеем зашумленный синусоидальный сигнал. Целью работы является исследование зависимости радиосигнала после фильтрации в наноэлектронной клеточной нелинейной сети от емкости ячейки сети и от максимальной силы тока в ячейки сети. Для того чтобы поставленная цель была достигнута, необходимо сначала проверить процедуры расчета сигнала после фильтрации в наноэлектронной КНС на правильность. После этого, необходимо обратить внимание на составляющие процесса. Из анализа составляющих и их компонентов сделаем вывод о влиянии емкости и максимального тока ячейки на сигнал на выходе из сети.
-
Наноэлектронная клеточная нелинейная сеть
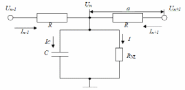
Наноэлектронная клеточная нелинейная сеть это массив элементов, в узлах которого находятся одинаковые элементы. КНС замечательна тем, что делает возможным параллельную фильтрацию зашумленного радиосигнала. Рассмотрим одномерную сеть, она представляет собой цепочку элементов, соединенных последовательно:
Каждый элемент представляет собой простую RC связь. Между элементами присутствует сопротивление. Примем направления токов как показано на рисунке:
Совокупность напряжений Un всех элементов сети, формирует сигнал.
-
Зашумленный радиосигнал
Эталонный сигнал представляет собой синусоиду, к ней добавляется ВЧ гауссов шум, имеющий постоянное добавочное напряжение Vm и переменную составляющую шума с некоторой постоянной максимальной амплитудой dV. Сигнал, подаваемый на вход КНС, описывается уравнением:
Пример графика при Vs=0,5В, V0=0,7В, Vm=0,5В, dV=0,5В (число ячеек=48):
-
Методика расчета фильтрации зашумленного радиосигнала
Радиосигнал после фильтрации можно получить, записав правило Кирхгофа для n узла:
Числитель первого выражения:
, представляет из себя разностную схему для
.
Таким образом, напряжение в точке x запишется как:
Первое слагаемое
– является диффузионным слагаемым.
Второе слагаемое
– является реакционным слагаемым.
Целью исследования является выяснение того какое влияние на конечный сигнал оказывает изменение параметра емкости ячейки С. Предполагается, что так как параметр С стоит в знаменателе, то незначительное его изменение окажет сильное влияние на
.
Разберемся, какое влияние оказывает реакционное слагаемое на изменение напряжения в формуле (1). Предположим, что диффузионное слагаемое Fдиф отсутствует, тогда уравнение (1) примет вид:
Если
> 0, то
< 0 и, следовательно, U(x,t) будет уменьшаться.
Если
<0, то
>0 и, следовательно, U(x,t) будет увеличиваться.
Если
= 0, то
= 0 и, следовательно, U(x,t) будет оставаться таким же.
Отразим это на графике:
Рис.2
Если распространить действие реакционной силы на наш сигнал, который представлен внизу на рис 2, то получим сигнал в виде меандра.
Теперь предположим, что диффузионное слагаемое Fдиф присутствует, тогда как реакционное – отсутствует, уравнение (1) примет вид:
=0 когда
=const, когда же
- искривляется, то
показывает скорость искривления, другими словами, чем больше крутизна U(x), тем быстрее она спадает со временем, если же U(x)-прямая, то с течением времени она не изменится. Fдифф сглаживает горы и заполняет долины:
Рис.3
Совместное действие двух сил определяет форму сигнала после фильтрации и изменение с течением времени во время обработки. Погрешности фильтрации показывает насколько полученный сигнал близок к эталонному. Погрешность сигнала – относительная величина, равная отношению разности фильтрованного и эталонного сигнала к значению напряжения фильтрованного сигнала. Минимальная погрешность определяет эффективность фильтрации, показывает, насколько верно выбраны параметры сети для обеспечения очистки сигнала от шума.
Другой важной характеристикой процесса фильтрации является время фильтрации, то есть насколько быстро меняется форма сигнала и погрешность относительно эталона.
-
Результаты работы
-
Проверка правильности процедур расчета на эталонном примере
-
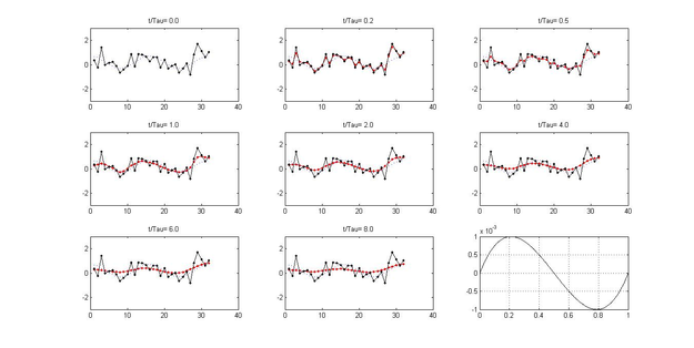
Если отключить реакционную силу с помощью уменьшения максимального тока ВАХ Imax до значения 1мА и увеличения емкости до С=100 пФ, то получаем минимальное значение погрешности Wmin = 0,5 (Рис 5) при следующих значениях остальных параметров R=1 Ом, С=100 пФ, Vs=0,5 В, V0=0,2 В, Vm=0,1 В, dV=0,5 В.
.
Рис.4.
Рис.5.
На Рис 5 представлен график зависимости относительной погрешности от времени преобразования. Из него видно, что все ВАХ нелинейных элементов, дают одну и туже относительную погрешность, что объясняется уменьшением влияния реакционной силы на фильтруемый сигнал, из-за уменьшения максимального тока Imax и увеличения емкости ячейки С. Диффузионная же сила не зависит от формы ВАХ и для всех вариантов является одинаковой. Уменьшение относительной погрешности в начальный период преобразования объясняется сглаживанием пиков диффузионной составляющей. Дальнейшее возрастание погрешности обуславливается подавлением диффузионной силой реакционной и чрезмерным сглаживанием – выпрямлением сигнала (см. Рис. 4).
Покажем преобладание диффузионной силы над реакционной в начальный момент времени (
0):
Характеристики
Тип файла документ
Документы такого типа открываются такими программами, как Microsoft Office Word на компьютерах Windows, Apple Pages на компьютерах Mac, Open Office - бесплатная альтернатива на различных платформах, в том числе Linux. Наиболее простым и современным решением будут Google документы, так как открываются онлайн без скачивания прямо в браузере на любой платформе. Существуют российские качественные аналоги, например от Яндекса.
Будьте внимательны на мобильных устройствах, так как там используются упрощённый функционал даже в официальном приложении от Microsoft, поэтому для просмотра скачивайте PDF-версию. А если нужно редактировать файл, то используйте оригинальный файл.
Файлы такого типа обычно разбиты на страницы, а текст может быть форматированным (жирный, курсив, выбор шрифта, таблицы и т.п.), а также в него можно добавлять изображения. Формат идеально подходит для рефератов, докладов и РПЗ курсовых проектов, которые необходимо распечатать. Кстати перед печатью также сохраняйте файл в PDF, так как принтер может начудить со шрифтами.
















