Конспект_ОПиЭНТО_ч2 (1060536), страница 4
Текст из файла (страница 4)
Электродвигатель – электрическая машина, в которой электрическая энергия преобразуется в механическую, побочным эффектом преобразования является выделение тепла. Электродвигатели по типу питания бывают постоянного тока, переменного тока и универсальные.
Шаговые электродвигатели (бесколлекторный двигатель постоянного тока) – это электротехнические устройства, преобразующие сигнал управления в перемещение ротора с фиксацией его в заданном положении без устройств обратной связи. Шаговые двигатели бывают трех типов:
с переменным магнитным сопротивлением (а),
с постоянными магнитами (б) и
гибридные (в).
Данные схемы могут быть изображена приближенно!
Их внешний вид может не совпадать с приведенным!
Гибридные двигатели наиболее распространены, являются более дорогими, чем другие типы, зато они обеспечивают меньшую величину шага, больший момент на валу и большую скорость вращения вала. Типичное число шагов на оборот для гибридных двигателей составляет от 100 до 400.
Зависимость между числом полюсов ротора, числом эквивалентных полюсов статора и числом фаз определяет угол шага S двигателя:
S = 360/(Nph*Ph) = 360/N,
где Nph – чило эквивалентных полюсов на фазу равно числу полюсов ротора, Ph – число фаз, N - полное количество полюсов для всех фаз вместе.
Если ротор шагового двигателя (в) имеет 100 полюсов (50 пар), двигатель имеет 2 фазы, поэтому полное количество полюсов – 200, а шаг, соответственно, 1.8 град.
Прецизионные механизмы, использующий прямой пьезоэффект. Прямой пьезоэлектрический эффект заключается в возникновении поляризации в материале при его механической деформации. Эффект применяется при изготовлении датчиков давления, силы, зажигалок, а также чувствительных элементов сонаров, звукостимателей, микрофонов.
Обратный пьезоэлектрический эффект заключается в изменении размеров некоторых материалов при воздействии на них электрическим полем. Применяется в излучателях звука, актюаторах, двигателях, а также для подачи чернил в принтерах.
К материалам, обладающим пьезоэлектрическими свойствами относятся: кварц, титанат бария, титанат свинца, а также группа титанатов цирконатов свинца (ЦТС).
Основные характеристики материалов:
Tc – температура точки Кюри.
εхуz – относительная диэлектрическая проницаемость – отношение диэлектрической проницаемости материала к диэлектрической проницаемости вакуума, где x – направление диэлектрического смещения,
y – направление электрического поля,
z – граничные условия измерений свойств.
Kxy – коэффициенты электромеханической связи – характеризуют способность материала превращать электрическую энергию в механическую и наоборот.
Dxy – пьезоэлектрический модуль – отношение механической деформации к приложенному полю.
Типы ПЭ актюаторов:
-
Стековый или столбчатый. состоят из комплекта пьезокерамических дисков, склеенных и образующих столбец, они характеризуются малым ходом (несколько микрометров) и относительно большим развиваемым усилием (до 700 кг). Характерное рабочее напряжение составляет 150; 500; 1000 В. Диапазон перемещений составляет от 0,15 до 0,20 % размеров столбца.
-
Полосные (или сдвиговые) – представляют собой изгибающуюся под действием разности потенциалов полосу, состоящую из нескольких слоев: пьезоэлектрического, электродов, защитного лака и др. Актюатор обеспечивает большую деформацию до 2,5 мм при относительно малой нагрузочной способности (до 0,1 кг). Рабочее напряжение составляет 150 В.
-
Шаговые – в его состав входят несколько пьезоэлектрических приводов. Они работают по принципу бегуна и перемещаются по штоку. Одна пара приводов захватывает шток и протаскивает его на один шаг, после чего одновременно они выходят из контакта со штоком и в контакт со штоком входит другая пара пьезоэлектрических актуаторов. Диапазон перемещений достигает 150 мм. При погрешности позиционирования до 1 нм (размер шага актуатора). Эти механизмы обладают достаточно малой нагрузочной способностью до 0,1 кг.
Направляющие в прецизионных механизмах
Направляющая – узел устройства перемещений, предназначенный для перемещения объекта по заданной траектории с требуемой точностью.
Направляющие бывают трения, качения и комбинированные.
Направляющие скольжения по типу смазки делятся на направляющие с граничным, гидродинамической, гидростатической, аэростатической и смешанным смазыванием. Режимы смазывания характеризуются диаграммой Герси-Штрибека (см. рисунок ниже).
Существуют следующие типы направляющих по форме опорных поверхностей скольжения:
-
Треугольные симметричные – обладают высокой точностью, компенсируют износ и обладают способностью саморегулировать зазор, из них хорошо удаляются загрязнения. При этом они плохо сохраняют смазку.
-
Треугольные несимметричные. Обладают всеми преимуществами и недостатками симметричных. Используются при значительной разнице в усилиях на направляющие.
-
Прямоугольные – просты в изготовлении, способны воспринимать большие нагрузки, однако, требуют регулировки, которая осуществляется при помощи специальных планок.
-
Остроугольные двухсторонние (типа «ласточкин хвост») – применяются при малых размерах и высокой точности перемещений. Плохо работают на отрыв при больших опрокидывающих моментах. Требуют регулировки при помощи клиньев или планок.
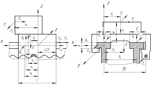
Расчет направляющих скольжения
Расчет на износостойкость по допустимым средним и максимальным давлениям на рабочие поверхности.
Данная расчетная схема может быть изображена приближенно!
Ее внешний вид может не совпадать с приведенным!
Порядок расчета:
-
Определение реакций в направляющих скольжения на основании расчетной схемы.
-
Определение средних давлений на рабочий поверхности направляющих и сравнение с допустимыми.
Построение эпюр давления на направляющие и определение максимальных давлений на них.
Направляющие качения бывают трех типов: открытые, закрытые и направляющие с циркуляцией тел качения.
Открытые направляющие не могут воспринимать опрокидывающий момент, так как отрыву каретки от станины препятствует лишь сила тяжести каретки.
Данные схемы могут быть изображена приближенно!
Их внешний вид может не совпадать с приведенным!
Направляющие качения различаются по профилю их поперечного сечения, они могут быть треугольные (а, в) и прямоугольными (б, г).
Замкнутые направляющие обладают высокой точностью и жесткостью, позволяют регулировать зазор и натяг, могут применяться в горизонтальных, вертикальных и наклонных приводах, хорошо воспринимают опрокидывающий момент. Недостатком их является высокая цена и сложность изготовления.
Различаются направляющие также по их профилю поперечного сечения.
Данные схемы могут быть изображена приближенно!
Их внешний вид может не совпадать с приведенным!
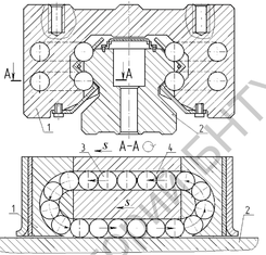
Направляющие с циркуляцией тел качения могут быть шариковыми и роликовыми, также открытыми и замкнутыми.
Данные схемы могут быть изображена приближенно!
Их внешний вид может не совпадать с приведенным!
По расположению кареток они могут быть вертикальными, горизонтальными и наклонными. Регулировка направляющих осуществляется при помощи планок и клиньев.
















