ПЗ (1058185), страница 5
Текст из файла (страница 5)
-
Для входа D4:
| X5,X4 X3 |
00 |
01 |
11 |
10 |
| 0 | 1 | 1 | 1 | |
| 1 | 1 | 1 |
Входные сигналы для информационных входов 5 мультиплексора второго уровня:
-
Для входа D5:
| X5,X4 X3 |
00 |
01 |
11 |
10 |
| 0 | 1 | 1 | ||
| 1 | 1 | 1 |
Входные сигналы для информационных входов 6 мультиплексора второго уровня:
-
Для входа D6:
| X5,X4 X3 |
00 |
01 |
11 |
10 |
| 0 | 1 | 1 | ||
| 1 | 1 |
Входные сигналы для информационных входов 7 мультиплексора второго уровня:
-
Для входа D7:
| X5,X4 X3 |
00 |
01 |
11 |
10 |
| 0 | 1 | 1 | ||
| 1 | 1 | 1 |
Входные сигналы для информационных входов 8 мультиплексора второго уровня:
4.4 Обоснование выбора серии логических элементов
Для построения устройств автоматики и вычислительной техники широкое применение находят цифровые микросхемы серии К 155, которые изготавливают по стандартной технологии биполярных микросхем транзисторно-транзисторной логики (ТТЛ). Имеется свыше 100 наименований микросхем серии К 155. При всех своих преимуществах - высоком быстродействии, обширной номенклатуре, хорошей помехоустойчивости - эти микросхемы обладают большой потребляемой мощностью. Поэтому им на смену выпускают микросхемы серии К555, принципиальное отличие которых - использование транзисторов с коллекторными переходами, зашунтированными диодами Шоттки. В результате транзисторы микросхем серии К555 не входят в насыщение, что существенно уменьшает задержку выключения транзисторов. К тому же они значительно меньших размеров, что уменьшает емкости их р-n-переходов. В результате при сохранении быстродействия микросхем серии К555 на уровне серии К155 удалось уменьшить ее потребляемую мощность примерно в 4...5 раз.
Было использовано 7 микросхем (4 К155ЛА8, 2 К555КП11 и 1 К155КП7).
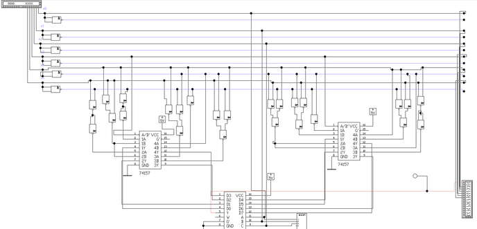
4.5 Функциональная схема цифрового управляющего устройства
Функциональная схема разработанного цифрового управляющего устройства на основе мультиплексоров с 8-мью и 2-мя информационными входами и элементов Шеффера представлена на рисунке № 4.
Моделирование предложенной схемы в Elrctronics Workbench:
Анализ с помощью анализатора:
5. Разработать функциональную схему ЦУУ, заданного логической функцией от 6-ти переменных на основе мультиплексоров с 8-ю и 2-мя информационными входами и двухвходовых логических элементов Шеффера.(2-ой вариант)
Построение схемы 8-2.
5.1 Построение таблицы на основе 1-ого уровня мультиплексирования
Управляющими сигналами мультиплексора по заданию являются сигналы X3 на первом уровне мультиплексирования и X2, X1, X0 на втором уровне мультиплексирования.
| N | X5 | X4 | X2 | X1 | X0 | X3 | -X3 |
| 2 | 0 | 0 | 0 | 1 | 0 |
| 1 |
| 3 | 0 | 0 | 0 | 1 | 1 |
| 1 |
| 6 | 0 | 0 | 1 | 1 | 0 |
| 1 |
| 8 | 0 | 0 | 0 | 0 | 0 | 1 |
|
| 9 | 0 | 0 | 0 | 0 | 1 | 1 |
|
| 11 | 0 | 0 | 0 | 1 | 1 | 1 |
|
| 12 | 0 | 0 | 1 | 0 | 0 | 1 |
|
| 16 | 0 | 1 | 0 | 0 | 0 |
| 1 |
| 20 | 0 | 1 | 1 | 0 | 0 |
| 1 |
| 21 | 0 | 1 | 1 | 0 | 1 |
| 1 |
| 23 | 0 | 1 | 1 | 1 | 1 |
| 1 |
| 24 | 0 | 1 | 0 | 0 | 0 | 1 |
|
| 25 | 0 | 1 | 0 | 0 | 1 | 1 |
|
| 26 | 0 | 1 | 0 | 1 | 0 | 1 |
|
| 29 | 0 | 1 | 1 | 0 | 1 | 1 |
|
| 31 | 0 | 1 | 1 | 1 | 1 | 1 |
|
| 35 | 1 | 0 | 0 | 1 | 1 |
| 1 |
| 36 | 1 | 0 | 1 | 0 | 0 |
| 1 |
| 37 | 1 | 0 | 1 | 0 | 1 |
| 1 |
| 38 | 1 | 0 | 1 | 1 | 0 |
| 1 |
| 42 | 1 | 0 | 0 | 1 | 0 | 1 |
|
| 43 | 1 | 0 | 0 | 1 | 1 | 1 |
|
| 45 | 1 | 0 | 1 | 0 | 1 | 1 |
|
| 47 | 1 | 0 | 1 | 1 | 1 | 1 |
|
| 50 | 1 | 1 | 0 | 1 | 0 |
| 1 |
| 52 | 1 | 1 | 1 | 0 | 0 |
| 1 |
| 55 | 1 | 1 | 1 | 1 | 1 |
| 1 |
| 56 | 1 | 1 | 0 | 0 | 0 | 1 |
|
| 57 | 1 | 1 | 0 | 0 | 1 | 1 |
|
| 59 | 1 | 1 | 0 | 1 | 1 | 1 |
|
| 60 | 1 | 1 | 1 | 0 | 0 | 1 |
|
| 62 | 1 | 1 | 1 | 1 | 0 | 1 |
|
5.2 Первый уровень мультиплексирования
После выделения управляющих переменных для мультиплексоров 1-ого уровня, были получены следующие логические функции от четырех переменных, соответствующие входам мультиплексора 1-ого уровня мультиплексирования.
















