ПЗ (1058185), страница 2
Текст из файла (страница 2)
По карте Карно видно, что чтобы покрыть оставшиеся два единицы необходимо использовать склейки К8 или К9 и К2 или К10. Возьмем склейки К8 и К2. Таким образом, полученная минимальная ДНФ представляет собой следующую функцию:
На карте Карно минимальной ДНФ соответствует следующее покрытие:
Для проверки полученной минимизации воспользуемся программой CarnoMinimizer:
1.4 Синтез ЦУУ на основе логических элементов Шеффера
Преобразование минимальной ДНФ логической функции Y1 к базису «штрих Шеффера»
Теперь реализуем на базисе двух- и трехвходовых логических элементов Шеффера логическую функцию.
Произведем группировку слагаемых, чтобы избавиться от конъюнкции 4-х переменных:
Выразим в базисе И-НЕ остальные логические функции:
Используя приведенные выше тождества, преобразуем каждое из слагаемых:
Далее необходимо сложить 4 слагаемых. Сделаем это так:
Видно, что каждое из слагаемых необходимо инвертировать, поэтому в выражениях для них можно не реализовывать последнее отрицание.
1.5 Обоснование выбора серий логических элементов
Для построения устройств автоматики и вычислительной техники широкое применение находят цифровые микросхемы серии К 155, которые изготавливают по стандартной технологии биполярных микросхем транзисторно-транзисторной логики (ТТЛ). Имеется свыше 100 наименований микросхем серии К 155. При всех своих преимуществах - высоком быстродействии, обширной номенклатуре, хорошей помехоустойчивости - эти микросхемы обладают большой потребляемой мощностью.
Двухвходовой логический элемент Шеффера
В качестве двухвходового логического элемента Шеффера оптимальным выбором будет микросхема К155ЛА8. Микросхема представляет собой четыре логических элемента 2И-НЕ.
Трехвходовой логический элемент Шеффера
В качестве трехвходового логического элемента Шеффера оптимальным выбором будет микросхема К155ЛА4. Микросхема представляет собой три логических элемента 3И-НЕ.
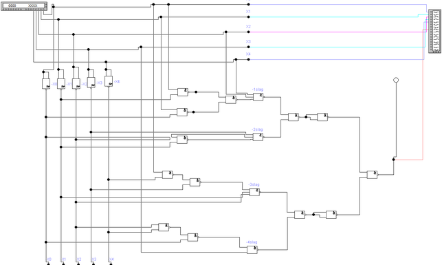
1.6 Функциональная схема цифрового управляющего устройства
Функциональная схема разработанного цифрового управляющего устройства на основе элементов Шеффера представлена на рисунке № 1.
Проведем моделирование. Для этого построим в программном пакете Electonics WorkBenсh следующую схему:
Для сравнения результатов работы схемы с таблицей истинности воспользуемся инструментом Logic Analyzer:
2. Разработать функциональную схему ЦУУ, заданного логической функцией от 5-ти переменных на основе мультиплексоров с 4-мя информационными входами и логических элементах Пирса
2.1 Табличная форма заданной логической функции
Табличная форма заданной логической функции, термы которой заданы в виде чисел в десятичной системе счисления, имеет вид:
Y=(1,2,4,6,8,9,10,11,13,15,18,2021,22,24,2527,29,30,31)
2.2 Таблица, устанавливающая соответствие информационных входов мультиплексора с заданными управляющими переменными.
В качестве управляющих переменных даны X4X3.
|
|
|
|
|
|
|
| X4,X3 |
| |
| X4 | X3 | X2 | X1 | X0 | N | 00 | 01 | 10 | 11 |
| 0 | 0 | 0 | 0 | 0 | 0 |
|
|
|
|
| 0 | 0 | 0 | 0 | 1 | 1 | 1 |
| ||
| 0 | 0 | 0 | 1 | 0 | 2 | 1 |
| ||
| 0 | 0 | 0 | 1 | 1 | 3 |
|
| ||
| 0 | 0 | 1 | 0 | 0 | 4 | 1 |
| ||
| 0 | 0 | 1 | 0 | 1 | 5 |
|
| ||
| 0 | 0 | 1 | 1 | 0 | 6 | 1 |
| ||
| 0 | 0 | 1 | 1 | 1 | 7 |
|
| ||
| 0 | 1 | 0 | 0 | 0 | 8 |
| 1 |
| |
| 0 | 1 | 0 | 0 | 1 | 9 |
| 1 |
| |
| 0 | 1 | 0 | 1 | 0 | 10 |
| 1 |
| |
| 0 | 1 | 0 | 1 | 1 | 11 |
| 1 |
| |
| 0 | 1 | 1 | 0 | 0 | 12 |
|
| ||
| 0 | 1 | 1 | 0 | 1 | 13 |
| 1 |
| |
| 0 | 1 | 1 | 1 | 0 | 14 |
|
| ||
| 0 | 1 | 1 | 1 | 1 | 15 |
| 1 |
| |
| 1 | 0 | 0 | 0 | 0 | 16 |
|
| ||
| 1 | 0 | 0 | 0 | 1 | 17 |
|
| ||
| 1 | 0 | 0 | 1 | 0 | 18 |
| 1 |
| |
| 1 | 0 | 0 | 1 | 1 | 19 |
|
| ||
| 1 | 0 | 1 | 0 | 0 | 20 |
| 1 |
| |
| 1 | 0 | 1 | 0 | 1 | 21 |
| 1 |
| |
| 1 | 0 | 1 | 1 | 0 | 22 |
| 1 |
| |
| 1 | 0 | 1 | 1 | 1 | 23 |
|
| ||
| 1 | 1 | 0 | 0 | 0 | 24 |
| 1 | ||
| 1 | 1 | 0 | 0 | 1 | 25 |
| 1 | ||
| 1 | 1 | 0 | 1 | 0 | 26 |
|
| ||
| 1 | 1 | 0 | 1 | 1 | 27 |
| 1 | ||
| 1 | 1 | 1 | 0 | 0 | 28 |
|
| ||
| 1 | 1 | 1 | 0 | 1 | 29 |
| 1 | ||
| 1 | 1 | 1 | 1 | 0 | 30 |
| 1 | ||
| 1 | 1 | 1 | 1 | 1 | 31 |
| 1 | ||
2.3 Карта Карно устанавливающая соответствие информационных входов мультиплексора с выбранными управляющими переменными.
После распределения сигналов по входам мультиплексора были получены следующие выражения:
















