Электропривод на базе асинхронных двигателей (1055410), страница 6
Текст из файла (страница 6)
3.13.1.2. Особенности регулирования.
1) Регулирование скорости идеального холостого хода (синхронной скорости) невозможно: Ω0 = 2πf1/p.
2) Регулирование однозонное. Введением Rдоб скорость вращения регулируется только в сторону ее уменьшения от номинального значения.
Заметим, что в случае двигателя с самовентиляцией при снижении частоты вращения ухудшаются условия охлаждения и регулирование не может происходить при постоянном моменте. На пониженных частотах вращения он должен снижаться [29].
3) Значение критического скольжения увеличивается: sки/sке = (R2+Rдоб)/R2
Можно принять, что и рабочие скольжения при введении Rдоб (в случае Mc=const) меняются в той же пропорции [40].
Для получения тех же значений момента необходимо иметь большую ЭДС в обмотках ротора E2, что получается при больших скольжениях s [27]. (см.формулу (1))
4) Максимальный момент не зависит от сопротивления цепи ротора R2ц (см.выражение (15)) и остается неизменным вплоть до sк=1 . Таким образом при Мс=const сохраняется постоянная перегрузочная способность.
5) Жесткость характеристик снижается.
3.13.1.3. Достоинства:
1) Простота реализации, что определило его широкое применение в ряде электроприводов [36].
2) Сохранение перегрузочной способности АД Мк/Мном (при Мс=const) [38].
3) Повышение коэффициента мощности [38].
3.13.1.4. Недостатки:
1) Малая стабильность скорости при небольших скоростях вращения. Это обусловлено малой жесткостью механических характеристик при небольших скоростях вращения.
2) Неэкономичность. Большие потери в цепи ротора, особенно при малых скоростях вращения (больших скольжениях). Если пренебречь механическими потерями и потерями в стали ротора
ΔР2эл = mI’ 22 (R’2.+ Rдоб')=МΩ0s (см формулу 11).
Например, для уменьшения частоты вращения приблизительно вдвое требуется за счет введения в роторную цепь добавочного сопротивления Rдоб увеличить скольжение s примерно от 0,02 до 0,5. При этом при М=const согласно (11) почти половина электромагнитной мощности Рэм непроизводительно будет теряться в реостате [18]. КПД уменьшается пропорционально угловой скорости [38]:
3) Первый и второй недостаток обуславливает небольшой диапазон регулирования D=макс/мин.
макс=ном, а мин ограничивается допустимой стабильностью скорости (максимально допустимым изменением скорости при изменении момента нагрузки, т.е. не приводящим к некачественному функционированию исполнительного механизма) и допустимыми потерями (максимальными при мин).
Реальный диапазон регулирования при этом способе не превышает 3-5; 1-4 [26], 2-3 [36,40].
Этот способ регулирования пригоден только для двигателей, имеющих повышенное скольжение в номинальном режиме. Диапазон регулирования скорости таким способом не превышает 1,15-1,2 [35].
Этим способом можно осуществлять плавную регулировку скорости вращения до 70% синхронной (диапазон до 1,4) [25].
С уменьшением момента нагрузки диапазон регулирования уменьшается. На холостом ходу регулирование угловой скорости невозможно [38].
4) Невозможность реверсирования путем воздействия на управляющие реостаты.
5) В случае АД большой мощности переключение ступеней сопротивления осуществляется контакторами, число которых может быть ограничено в целях снижения стоимости электрооборудования и повышения надежности ЭП. Вследствие этого соседние ступени сопротивления могут заметно отличаться друг от друга. То есть появляется ступенчатость регулирования.
6) Большие броски тока в сети в двигателях при переключении ступеней резисторов в случае релейно-контакторной системы управления [26].
3.13.1.5. Вывод
Экономичность любого способа регулирования определяется стоимостью используемых средств регулирования и расходами при эксплуатации электропривода. Затраты, связанные с созданием данной системы электропривода, невелики, так как для регулирования обычно используются простые и дешевые резисторы. В то же время при эксплуатации этой системы затраты существены, поскольку значительны электрические потери в роторной цепи ΔРэл2, пропорциональные скольжению [36].
3.13.1.6. Реализация
1) С помощью контакторов.
2) С целью устранения недостатка, связанного со ступечатостью изменения сопротивления Rдоб иногда используются схемы, в которых роторный ток выпрямляется и сглаживается реактором, а резистор, включаемый за выпрямителем, шунтируется управляемым ключом – транзистором с управляемой скважностью, благодаря чему достигается плавность регулирования, а при использовании обратных связей формируются жесткие характеристики [40].
3.13.1.6. Область применения
Регулирование скорости этим способом применяется в тех случаях, когда требуется небольшой диапазон регулирования скорости и работа на пониженных скоростях непродолжительна, при кратковременной или повторно-кратковременной работе [14]. Например, этот способ нашел широкое применение в электроприводе ряда подъемно-транспортных машин и механизмов [36] (например, лебедок, кранов).
Главным образом в различных крановых механизмах при мощностях выше 15 кВт [38].
Кроме того, даный способ регулирования применим в приводах с вентиляторным моментом. В этом случае мощность на валу с уменьшением скорости быстро снижается, и поэтому мощность скольжения и потери в цепи ротора по величине ограничены [14].
Такой способ регулирования применяется в электроприводах сравнительно малой мощности [27].
3.13.2. Регулирование угловой скорости АД путем изменения напряжения (фазовое регулирование).
В пределах рабочего участка механической характеристики АД, когда ток статора существенно не превышает номинальное значение, ЭДС в обмотках статора E1 незначительно отличается от напряжения сети U1E1= kФmf1 [32].
Из этого выражения следует, что при f1 = const изменение напряжения приводит к изменению потока машины. Отсюда вытекает первая особенность данного способа регулирования.
3.13.2.1. Особенности данного способа регулирования.
1) Регулирование однозонное – вниз от номинальной скорости. Снижение напряжения питания приводит к уменьшению магнитного потока и уменьшению скорости.
При повышении напряжения сверх номинального значения увеличивается магнитный поток АД. Так как в номинальном режиме магнитная цепь машины насыщена, то увеличение потока будет достигаться за счет значительного увеличения тока намагничивания Iμ. Ток статора (включающий в себя ток намагничивания Iμ как реактивную составляющую) будет интенсивно нарастать по нелинейному закону [30].
У двигателей нормального исполнения ток холостого хода I0= Iμ0=(0,25÷0,3)*I1ном. Повышение напряжения на 20-30% может увеличивать ток холостого хода до значений, превышающих номинальный ток I1ном, и двигатель может нагреваться этим током сверх допустимой температуры даже при отсутствии полезной нагрузки на его валу [4].
Рис. 13. Механические характеристики АД при изменении напряжения U1.
2) Скорость идеального холостого хода и критическое скольжение от напряжения не зависят.
3) Критический момент АД пропорционален квадрату напряжения: МкU12.
С уменьшением напряжения критический момент двигателя будет существенно снижаться. При Мс=const это приведет к снижению перегрузочной способности двигателя Мк/Мн.
Таким образом, допустимая нагрузка должна резко снижаться с уменьшением скорости. И не только с целью сохранения перегрузочной способности, но и из-за перегрева двигателя.
Допустимыми в продолжительном режиме потерями можно считать номинальные: ΔРэл2ном= МномΩ0sном. Допустимые потери при регулировании определятся как ΔРдоп = МдопΩ0s. Приравняв выражения для потерь, получим Мдоп=Мномsном/s, т.е. даже для специального двигателя с повышенным номинальным скольжением (очевидно невыгодного) sном = 0,06 вместо стандартного sном = 0,03 снижение скорости всего на 20% (до s=0,2) будет возможно лишь при снижении момента нагрузки в 3 раза (рис. 14б) [15].
4) При изменении напряжения скорость можно регулировать в небольших пределах (максимум от sном до sк).
Например: по расчетам типового АД (p=3, nном=960 об/мин, Мс=const) уменьшение напряжения с U1ном до 0.7U1 приведет к уменьшению скорости на 6% (диапазон 1,04) и к уменьшению критического момента вдвое. То есть АД с кратностью максимального момента Мк/Мном< 2 даже такой диапазон реализовать не сможет [38].
| Рис. 14. Механические характеристики при различном напряжении питания для АД с малым Rрц (а) и большим Rрц (б) [14]. | Диапазон регулирования зависит от степени жесткости рабочего участка механической характеристики, которая определяется сопротивлением роторной цепи Rрц. Чем больше Rрц, тем больше диапазон регулирования [18]. Для получения достаточно большого диапазона регулирования скорости необходимо, чтобы активное сопротивление цепи ротора Rрц и соответственно критическое скольжение sк были, достаточно велики (рис. 14) [14]. |
Увеличение Rрц для достижения этой цели возможно в АД с фазным ротором путем включения в цепь ротора добавочного сопротивления Rдоб (со всеми вытекающими из этого недостатками) [18].
Кроме того, большим активным сопротивлением ротора обладает АД с массивным ротором, у которого sк >1.
Более высокий диапазон регулирования может быть обеспечен в замкнутых по скорости структурах асинхронного электропривода (рис. 16): 3...4 [40].
5) С уменьшением скорости (уменьшением напряжения) будет увеличиваться скольжение.
Увеличение скольжения вызовет увеличение потерь в роторе. Если пренебречь механическими потерями и потерями в стали ротора, то
ΔРэл2 = МΩ0s
В случае применения короткозамкнутого АД потери скольжения выделяются внутри машины, в беличьей клетке. Электродвигатель при этом перегревается, что может привести к преждевременному выходу его из строя.
3.13.2.2. Реализация
Изменение напряжения может быть произведено при помощи:
- регулировочных трансформаторов;
- реактивных катушек с выдвижным сердечником;
- переменных активных сопротивлений, включенных в цепь статора;
- при помощи магнитных усилителей;
- при помощи тиристорных регуляторов (рис. 15).
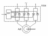
| а) б) Рис. 15. Схема и фазное напряжение АД при фазовом регулировании при помощи тиристорного регулятора напряжения [40] | Между выводами статора и фазами сети включаются тиристорные регуляторы: в каждую фазу – по два тиристора по встречно-параллельной схеме. Тиристоры проводят ток в течение соответствующего полупериода, после подачи на управляющий электрод импульса управления при положительном напряжении анод-катод. Когда тиристоры проводят ток – к фазе прикладывается напряжение сети. Блок управления (БУ) типа СИФУ (схема импульсно-фазового управления) обеспечивает сдвиг импульсов управления относительно момента естественной коммутации на угол α в функции внешнего сигнала управления. Закрывание тиристоров происходит естественно – при изменении полярности напряжения. Регулируя интервалы проводимости тиристоров в этой схеме, можно изменять действующее значение приложенного к двигателю напряжения [30]. |
| а) | б) |
| Рис. 16. Схема (а) и механические характеристики (б) асинхронного электропривода | |
Тиристорные регуляторы напряжения (рис.16а), отличающиеся предельной простотой, доступностью элементной базы (тиристоры), малыми габаритами, высокой надежностью и низкой стоимостью [40].
Преобразователь напряжения (ПН) более простое и в 3-4 более дешевое устройство, чем преобразователь частоты, и именно эта особенность системы ПН-АД приводила в ряде случаев к её неоправданному применению [40].
















