Примеры расчетов (1053019)
Текст из файла
1.11 Крюковая подвеска.
Выбираем крюк однорогий по ГОСТ 6627-74 для грузоподъемных машин и механизмов с машинным приводом исполнение 1.
№ крюка – 5
Наибольшая грузоподъемность – 800кН
Подшипник крюка шариковый упорный однорядный №8204H Cоа = 32000Н
Упорный подшипник выбирается из условий статической грузоподъемности.
5000Н 32000Н –условие выполняется, подшипник проходит с запасом.
Время затухания колебаний
3. РАСЧЕТ СОЕДИНЕНИЙ
3.1 Шпоночные соединения.
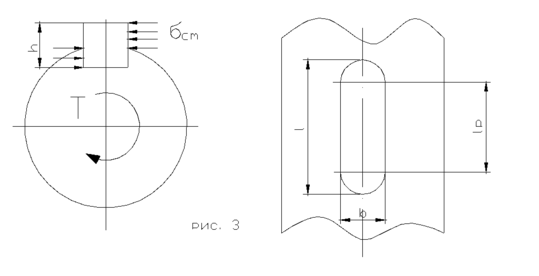
Рассчитаем шпоночное соединение при соединении тихоходного вала с барабаном. Шпонку выбираем призматическую по ГОСТ 23360-78 исходя из размеров тихоходного вала.
Для диаметра вала d=40 мм принимаем призматическую шпонку по
: bh =87 (t1 = 4).
Определяем расчетную длину призматической шпонки:
Принимаем длину шпонки
lшп = 43 мм
lст = 70 мм
“Шпонка 8743 ГОСТ 23360 –78”
Проектирование и расчет металлоконструкции.
Исходные данные к расчёту:
- грузоподъемность Q=6300 Н;
- вылет стрелы L=2500 мм;
- вес механизма подъема Gмпод=0.15Q=945 Н;
- высота подъема H=3200 мм;
Длину стрелы берем с чертежа:
Lстр=2700мм
Выбор основных размеров:
Сечение балки выбираем коробчатого типа с отношением высоты сечения к ширине как 2:1 (см. рис.). Рассчитываем параметры согласно рекомендациям источника (L=2500 мм,
Q=6300 Н).
Высота сечения:
h=356мм
Окончательно назначаем:
h=360мм
Ширина сечения:
b=0.5h
b=180мм
Толщина стенки:
δст=(1/160…1/100)*h=2.25....3.6мм
Окончательно назначаем δст=3мм
Толщины верхнего и нижнего поясов:
мм
мм
Моменты инерции сечения относительно главных осей:
Jx=5.7*107мм4
Jy=1.9*104мм4
Моменты сопротивления изгибу относительно главных осей:
Wx=3,2*105мм4
Wy=1,1*105мм4
Определение веса стрелы.
Вес стрелы определяем по эмпирической формуле(Lстр=2700 мм,
Q=6300 Н, L=2500мм)
Назначаем сечение балки постоянным, тогда координата центра тяжести стрелы:
Xстр=0,5*Lстр=1350 мм
Проверка статического прогиба.
Определяем реакции в опорах, учитывая, что верхняя опора воспринимает только радиальную нагрузку:
Из уравнения моментов относительно верхней опоры(Gмпод=945 Н)
R2=1.4*104 H
R1=5500 H
Строим эпюры моментов от внешних нагрузок:
M1=(1.03*Q+Gмпод)*0.4*L=7.4*106 H*мм
M2=R1*Xстр=8,5*106 H*мм
Строим эпюры моментов от единичной нагрузки определив радиальные реакции(L=2500мм)
R22=L/0.6*L=1.667 H
R11=R22-1=0.667 H
M22=0.6*L*R11=1000 H*мм
Допускаемый прогиб: (fст)=L/400=6.25мм
Фактический прогиб (E=2*105 МПа, Jx=5.7*107 мм4, M2=7.3*106 H*мм):
fст=0,21мм
Условие выполняется: Прогиб меньше допустимого.
Проверка прочности:
Допускаемые напряжения:
σизг=140 Н/мм2
Напряжения изгиба в стреле(сжатием и кручением пренебрегаем):
M2=7.3*106 H*мм
Wx=3,2*105мм4
Wy=1,1*105мм4
По оси X:
σизгx=M2/Wx=22.8 МПа
По оси Y:
σизгy=0,1*M2/Wy=6.63 МПа
σизг= σизгx+σизгy=22.8+6.63=29.43 МПа
29.43 МПа<140 МПа
Характеристики
Тип файла документ
Документы такого типа открываются такими программами, как Microsoft Office Word на компьютерах Windows, Apple Pages на компьютерах Mac, Open Office - бесплатная альтернатива на различных платформах, в том числе Linux. Наиболее простым и современным решением будут Google документы, так как открываются онлайн без скачивания прямо в браузере на любой платформе. Существуют российские качественные аналоги, например от Яндекса.
Будьте внимательны на мобильных устройствах, так как там используются упрощённый функционал даже в официальном приложении от Microsoft, поэтому для просмотра скачивайте PDF-версию. А если нужно редактировать файл, то используйте оригинальный файл.
Файлы такого типа обычно разбиты на страницы, а текст может быть форматированным (жирный, курсив, выбор шрифта, таблицы и т.п.), а также в него можно добавлять изображения. Формат идеально подходит для рефератов, докладов и РПЗ курсовых проектов, которые необходимо распечатать. Кстати перед печатью также сохраняйте файл в PDF, так как принтер может начудить со шрифтами.
















