BOOKA_RPZ (1053007), страница 2
Текст из файла (страница 2)
z – число зубьев колеса (z=109)
n=4...10 – число пружин (n=6);
а – коэффициент, зависящий от пружин, а=1.42;
где F – расчетная нагрузка, D и d – диаметры,
Расчетная нагрузка
условие выполняется.
-
Расчет тормоза.
4.13.1. Основные характеристики.
В качестве тормоза будет использоваться дисковый тормоз с пружинным замыканием и электромагнитным приводом. Тормоз устанавливается на быстроходный вал.
КПД при подъеме:
Грузовой момент на валу тормоза:
Требуемый минимальный момент тормоза
,
где
- коэффициент запаса торможения.
Примем число пар поверхностей трения i=2, сухую работу тормоза, коэффициент трения f=0.42,
внешний радиус дисков трения (из конструктивных соображений)
,
внутренний радиус дисков трения (из конструктивных соображений)
,
средний радиус поверхности трения
Допускаемое давление на рабочих поверхностях фрикционных обкладок:
Начальный отход колодок от барабана.
Наибольший отход колодок от барабана.
4.13.2. Расчёт пружины сжатия тормоза.
Напряжение кручения в пружине.
Dпр = 45мм – диаметр пружины;
d – диаметр проволоки;
Принимаем [] = 750 МПа. Тогда при С = 6 и k = 1.25 получим
Осадка одного витка пружины в основном под действием силы.
где G = 8104 Mпа – модуль упругости второго рода для стали.
Шаг витков пружины.
Принимаем t = 11.25 мм.
Свободная длина пружины по условию устойчивости.
Тогда число рабочих витков.
Принимаем z = 23.
Свободная длина пружины.
Рабочая длина пружины при обеспечении номинального момента тормоза.
-
Расчет электромагнита постоянного тока для дискового тормоза.
Потребная осевая сила электромагнита
Основные параметры:
Площадь воздушного зазора между корпусом электромагнита и якорем:
Индукция электромагнитного поля в воздушном зазоре:
Напряженность магнитного поля в воздушном зазоре:
Необходимое количество ампер-витков для создания магнитного потока:
Площадь поперечного сечения катушки электромагнита:
-
Расчет подшипников тихоходного вала тельфера.
В качестве опор используем подшипники шариковые радиальные однорядные с уплотнением серии 180314 по
ГОСТ 8338-75.
Их основные параметры:
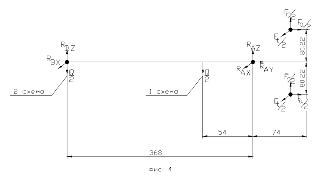
Определение реакций в опорах.
Угол зацепления тихоходной ступени
;
делительный диаметр тихоходной шестерни
;
делительный диаметр тихоходного колеса
;
Расчетная схема:
1 схема.
2 схема.
Рассмотрим приложение нагрузки от груза к крайней правой точке барабана.
Рассчитаем опору А, для которой:
Максимально длительно действующая на подшипник радиальная сила:
Максимально длительно действующая на подшипник осевая сила:
Частота вращения вала
;
; требуемая долговечность подшипников
.
Предварительно принимаем подшипники шариковые радиальные однорядные с уплотнением серии 180314.,
Эквивалентная динамическая нагрузка:
поэтому намеченный подшипник подходит.
Рассчитывать опору В, для которой:
Максимально длительно действующая на подшипник радиальная сила:
Максимально длительно действующая на подшипник осевая сила:
Частота вращения вала
;
; требуемая долговечность подшипников
.
Предварительно принимаем подшипники шариковые радиальные однорядные с уплотнением серии 180314.,
Эквивалентная динамическая нагрузка:
поэтому намеченный подшипник подходит.
Рассмотрим приложение нагрузки от груза к крайней левой точке барабана.
Рассчитаем опору А, для которой:
Максимально длительно действующая на подшипник радиальная сила:
Максимально длительно действующая на подшипник осевая сила:
Частота вращения вала
;
; требуемая долговечность подшипников
.
Предварительно принимаем подшипники шариковые радиальные однорядные с уплотнением серии 180314.,
Эквивалентная динамическая нагрузка:
поэтому намеченный подшипник подходит.
Рассчитывать опору В не будем, т.к. из схемы видно, что она как и в первом случае имеет меньшие эквивалентные нагрузки.
5. Расчет механизма передвижения груза.
5.1. Расчет ходовых колес.
5.1.1. Вес механизма:
-
Колеса одноребордные, 2 колеса ведущие, контакт точечный, материал колес – сталь 75.
-
Наибольшая нагрузка на колесо:
Контакт колеса с рельсом: точечный.
-
Предварительный диаметр колеса. Для стальных колес при точечном контакте:
-
Контактное напряжение для стального колеса при точечном контакте:
r2 – радиус головки рельса,
DK – диаметр колеса;
DK=160 мм, r2/DK=1;
- коэффициент, зависящий от отношения радиусов.
FHE – эквивалентная сила
- коэффициент эквивалентности
-
Допускаемое контактное напряжение.
коэффициент, учитывающий уменьшение средней частоты вращения в периоды неустановившегося движения (среднестатистическое значение).
5.2. Выбор электродвигателя.
-
Мощность при установившемся движении.
, где nс – синхронная частота вращения электродвигателя. nс=1000 об/мин.
Нам подходит электродвигатель 4А56А4Е2У1,2 со встроенным тормозом.
Характеристики :
Рн=0.12; nH=1360;
-
Частота вращения колеса.
-
Передаточное отношение привода.
-
КПД редуктора.
-
Время пуска.
, если с целью достижения максимальной производительности принять [a]=0,3.
-
КПД механизма передвижения.
-
Приведенный момент инерции при пуске.
-
Ускорение при пуске.
-
Выбор редуктора.
-
Максимальный крутящий момент на тихоходном валу.
Номинальный крутящий момент:
Модуль зацепления:
КПД редуктора:
Передаточное число редуктора:
Выбираем редуктор одноступенчатый цилиндрический. Расчет основных параметров ведем на ЭВМ (см. рис. 5).
-
Расчет открытой зубчатой передачи.
-
Предварительное значение межосевого расстояния.
-
Уточненное значение межосевого расстояния.
-
Ширина зубчатого венца.
-
Нормальный модуль зубчатых колес.
5.4.5. Суммарное число зубьев.
-
Числа зубьев колеса и шестерни.
-
Определение геометрических параметров передачи.
Делительные диаметры:
Диаметры вершин:
Диаметры впадин:
-
Расчет подшипников тихоходного вала.
На тихоходном валу редуктора устанавливаем шариковые радиальные однорядные подшипники серии 208 и 220 по ГОСТ 8338-75.
Рассчитаем подшипник серии 208, как самый нагруженный.
Основные параметры:
Определение реакций в опорах.
Угол зацепления тихоходной ступени
;
делительный диаметр тихоходной шестерни
;
делительный диаметр тихоходного колеса
;
Максимально длительно действующая на подшипник сила:
Радиальная нагрузка:
Осевая нагрузка пренебрежительно мала, поэтому
Эквивалентная динамическая нагрузка:
поэтому намеченный подшипник подходит, а, значит, походит и подшипник серии 220.
-
Расчет металлоконструкции.
-
Основные параметры.
Главную балку выполняют из двутавра.
Высота h ≥ L/20.
Для облегчения балки можно увеличить высоту на 75%
Балка двутавровая стальная горячекатанная (по ГОСТ 8239-72).
№ балки – 20.
Для расчета необходимо найти параметры эквивалентного сечения.
Высота эквивалентного сечения:
Подвижная нагрузка от колеса:
Высота колонны:
Диаметр колонны:
Толщина стенки колонны:
Момент инерции колонны:
6.2. Проверка статического прогиба:
Расчетная длина стрелы:
Расстояние между подшипниками:
Прогиб:
6.3. Определение веса:
Вес стрелы:
Координаты центра тяжести стрелы:
Вес подвижной колонны:
-
Проверка времени затухания колебаний:
Приведенная масса:
Жесткость:
Период собственных колебаний:
Логарифмический декремент затухания:
Начальная амплитуда:
Время затухания колебаний:
















