РПЗ (1052976), страница 3
Текст из файла (страница 3)
Контактная площадь
;
;
Расчет на несдвигаемость
Для дальнейшего расчета берем большую силу затяжки из условия несдвигаемости стыка
Расчетная сила для верхней опоры
Положение 1
Положение 2
Расчитываем во 2 положении
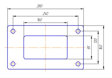
3.2.2. Расчет нижней опоры
Вид на опорную поверхность:
Расчет сводится к расчету группового резьбового соединения, нагруженного в плоскости стыка и в плоскости, перпендикулярной стыку.
1) Условие несдвигаемости.
Где
= 0,15 – коэффициент трения для стыка металл – металл,
= 1,5 – коэффициент по несдвигаемости.
2) Нераскрытие стыка
Где hн = 200мм – расстояние от стены до оси приложения сил.
Где
= 1,3 – коэффициент запаса по нераскрытию стыка;
= 0,75 – коэффициент основной отрывающей нагрузки для стыка металл - металл.
Выбираем силу затяжки из условия:
3.2.3. Выбор болтов.
Для расчета болтов, выбираем максимальную силу затяжки из условий для обоих опор с целью унификации применяемых стандартных изделий:
Расчет болтов на прочность:
где
- допускаемое напряжение растяжения болта.
;
; класс прочности 8.8
Возьмем болт М18, тогда Sт=3
Принимаем М18 с расчетной площадью:
4. Механизм поворота.
4.1 Выбор электродвигателя.
4.1.1 Предварительный расчет.
Синхронная частота вращения электродвигателя:
Передаточное отношение привода:
Ориентируемся на волновой редуктор, тогда КПД редуктора
, КПД ОЗП
, следовательно КПД привода
.
Приведенный момент инерции поворотной части:
Момент инерции стрелы относительно оси поворота:
Момент инерции механизма поворота:
Момент инерции груза и грузозахватного устройства:
Момент инерции осевого короба:
Приведенный момент инерции при пуске:
Окружная скорость груза:
Время пуска:
где:
- допускаемое ускорение;
Номинальный момент электродвигателя, требуемый по условию разгона:
Относительное время пуска:
где:
в предварительном расчёте берём
для двигателей с повышенным скольжением.
Номинальная мощность электродвигателя, требуемая для разгона с заданным ускорением:
Где:
- номинальная частота вращения.
Момент сопротивления повороту относительно оси колонны:
где f=0.01-приведенный коэффициент трения в подшипнике.
Мощность электродвигателя при установившемся движении
ПВ=25%
Выбираем двигатель 4А56А4Е2У2
4.1.2 Корректировка предварительного расчета.
Передаточное отношение привода:
Приведенный момент инерции поворотной части:
Относительное время пуска:
Номинальный вращающий момент электродвигателя:
Время пуска:
Ускорение при пуске:
Двигатель пригоден.
Проверим двигатель 4А56В4Е2У1.2
При выборе соседнего по мощности электродвигателя ускорение увеличивается примерно в 1.45 раза для механизма поворота.
Двигатель выбран правильно.
4.2 Выбор редуктора
Наибольший момент на тихоходном валу редуктора:
Номинальный момент двигателя
- кратность максимального момента двигателя
Примем передаточное отношение открытой передачи
Данные для ввода в ЭВМ:
1. Tmax=363,2 H·м;
2. n =1360 мин-1
3. ресурс часов 4000
4. режим нагружения 3М (4)
5. передаточное отношение 272
6. предел выносливости материала гибкого колеса при изгибе 420
7. коэффициент безопасности по усталостной прочности гибкого колеса 1,65
Производим расчёт волнового редуктора с кулачковым генератором волн.
Расчет на нагрев.
Так как двигатель выбираем с учетом ПВ, то специальных расчетов их на нагрев проводить не требуется.
Тормоз.
Т.к. выбран двигатель со встроенным тормозом, дополнительный тормоз не нужен.
4.3 Расчет открытой зубчатой передачи
4.3.1 Кинематический расчет ОЗП
Общее передаточное отношение привода:
Примем межосевое расстояние
, делительный диаметр шестерни
и модуль зубчатой передачи m=5.
Число зубьев шестерни:
Радиус шестерни r1=65 мм => радиус колеса
Делительный диаметр колеса d2=350мм
Число зубьев колеса:
Тогда передаточное отношение открытой зубчатой передачи:
Передаточное отношение редуктора:
Межосевое расстояние:
Суммарное число зубьев:
Число зубьев шестерни:
Число зубьев колеса:
Фактическое передаточное отношение ОЗП:
Делительный диаметр шестерни:
Делительный диаметр колеса:
Диаметр вершин зубьев:
Диаметр впадин зубьев:
х - коэффициент смещения (x=0)
Ширину зубчатого венца колеса найдем, выризив ее из формулы для межосевого рассояния :
- для прямозубой передачи.
;
МПа
-коэффициент ширины зубчатого венца.
Примем bw = 40мм.
Ширину шестерни принимают
4.3.2. Проверочный расчет ОЗП по контактным напряжениям.
Выбор материала шестерни и колеса:
| Шестерня | Колесо |
| Сталь 40Х, HRCЭ=4558, b=900 МПа, т=750 МПа | Сталь 40Х, HRCЭ=4558, b=900 МПа, т=750 МПа |
1)Контактное напряжение:
для прямозубых передач
— коэффициент нагрузки
Выберем 8-ую степень точности
и
Тогда
— коэффициент динамической нагрузки.
— коэффициент, учитывающий неравномерность распределения нагрузки по линии контакта.
Схема №1,
Принимаем
— коэффициент, учитывающий неравномерность распределения нагрузки по линии контакта.
2)Допускаемое контактное напряжение:
При этом должно выполняться условие:
;
Для открытой зубчатой передачи:
-коэффициент запаса прочности
Для шестерни
(поверхностная закалка)
Для колес
( поверхностная закалка)
- предел контактной выносливости для поверхностно закаленной шестерни
предел контактной выносливости для поверхностно закаленного колеса
МПа
МПа
МПа
- условие выполняется
4.3.3 Проверочный расчет на изгиб.
Напряжение изгиба на переходной поверхности зуба:
где
- окружная сила
- коэффициент нагрузки
-коэффициент, учитывающий внутреннюю динамическую нагрузку.
— коэффициент, учитывающий неравномерность распределения нагрузки по линии контакта.
Схема №1,
Принимаем
Тогда
- коэффициент, учитывающий форму зуба.
Для шестерни с
-коэффициент, учитывающий форму зуба и концентрацию напряжений
Для колеса с
-коэффициент, учитывающий форму зуба и концентрацию напряжений
Определение допускаемых напряжений при изгибе:
Для шестерни из стали 40Х:
Примем
МПа
Для колеса из стали 40Х:
Примем
МПа
-коэффициент запаса прочности
(обычный выход из строя)
Тогда
МПа
МПа
МПа
МПа
4.4.Расчет предохранительной муфты.
Применим фрикционую предохранительную муфту расположенную на тихоходном валу редуктора. Чтобы муфта срабатывала точно при заданном моменте предусматривают регулирование силы нажатия пружины. Пружина винтовая.
При этом моменте муфта должна срабатывать.
Задаемся размерами фрикционных дисков из конструктивных соображений
D1=160мм
D2=70мм
Средний диаметр
Допускаемое давление на фрикционный материал диска (фрикционную металлокерамику)
Коэффициент трения фрикционной металлокерамики по стали
Минимально необходимое число пар трения
Принимаем число дисков муфты 4, число поверхностей трения 4.
Необходимое усилие сжатия дисков
Необходимое усилие пружины
Принимаем стандартную винтовую пружину пружину Fпр=1250Н №509 по ГОСТ 13770-86
D1 = 28мм; d = 5 мм;
Число рабочих витков принимаем в диапазоне от 2.5… 4 для удобной регулировки. Принимаем 3.
4.5 Расчет подшипников тихоходного вала редуктора
Определение реакций в опорах от силы зацепления.
Реакция в верхней опоре
Реакция в нижней опоре
Максимальная расчетная нагрузка на подшипник:
Выберем подшипник шариковый радиальный однорядный с двумя защитными шайбами по ГОСТ 7242 – 81, № 80209.
| Размеры | Грузоподъемность Н | |||||
| d | D | b | r | Cr | C0r | |
| 309 | 45 | 100 | 25 | 2.5 | 52700 | 31500 |
- эквивалентная динамическая радиальная нагрузка
Проверка условия
что меньше
- расчётный скорректированный ресурс подшипника
- что больше заданного ресурса 8000ч
4.6 Расчет посадки с натягом колеса редуктора в корпус
1) Давление
необходимое для передачи вращающего момента:
















