Ray Browell - The Power of Nonlinear Materials Capabilities (перевод Рубцова ) p.2 (1050596)
Текст из файла
ANSYS Solutions 2000, Volume 2, Number 2
Ray Browell, ANSYS Product Line Manager
Dr. Guoyo Lin, Senior Member, Technical Staff
The Power of Nonlinear Materials Capabilities
Part 2 of 2 on modeling materials with
nonlinear characteristics
Перевод выполнен О. А. Сергейкиным
Мощь нелинейных возможностей
Вторая часть статьи о моделировании материалов
с нелинейными свойствами
В прошлом выпуске мы узнали, что ANSYS имеет обширные возможности для моделирования линейных и нелинейных материалов. Рассматривались следующие категории материалов: упругие нечувствительные к скорости деформации, упругие чувствительные к скорости деформации, неупругие нечувствительные к скорости деформации. Это обширный набор возможностей, однако ANSYS имеет их еще больше. Теперь пришло время рассмотреть возможности ANSYS для нелинейного, неупругого моделирования с чувствительностью к скорости деформации. Так же, как и в первой части статьи, мы всегда будем ссылаться на истинные напряжение и деформацию, когда мы упоминаем напряжение и деформацию.
Нелинейные, неупругие, чувствительные к скорости деформации материалы – краткий обзор
Поведение материалов классифицируется на упругое и неупругое. У неупругих материалов после снятия нагрузки остаются некоторые деформации. Наиболее простым видом анализа, включающим неупругое поведение, является пластичность.
Как правило, все материалы показывают эффект чувствительности к скорости деформации. Однако, в определенных случаях этот эффект может быть очень незначительным, как в стали при обычной температуре и низкой скорости нагружения. Поэтому, часто бывает удобно разделить материалы на две категории: нечувствительные к скорости деформации и чувствительные к скорости деформации. Для материалов, нечувствительных к скорости деформации, отклик материала не зависит от скорости деформации и нагружения. Многие металлы относятся к этой категории при температурах, низких по сравнению с их температурой плавления. И наоборот, при чувствительности материала к скорости деформации отклик материала зависит от скорости нагружения. Пример такого явления – вязкопластичность. Для многих металлов эффект чувствительности к скорости деформации становится значительным при высоких температурах (около половины температуры плавления металла) и при высоких скоростях деформации. Для некоторых материалов, чувствительных к скорости деформации, величина деформации значительно меняется в зависимости от скорости, с которой материал нагружается. Это особенно верно для уравнений состояния материалов, используемых при явном (explicit) динамическом анализе. Эти уравнения состояния материалов, чувствительные к скорости деформации при очень больших ее скоростях, не охвачены в этой статье. В ней мы касаемся только тех деформаций, которые продолжаются длительное время после того, как была приложена начальная нагрузка. Обобщая вышесказанное, в этой статье будут описываться случаи, в которых имеет место постоянная деформация или величина деформации зависит от того, как быстро и на какой промежуток времени был нагружен материал.
Вязкопластичность
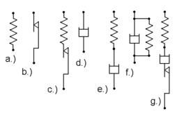
Вязкопластичность является одним из видов нелинейного неупругого чувствительного к скорости деформации поведения материалов. Для рассмотрения вязкопластичного поведения полезно провести сравнение со стандартными механическими элементами, такими как пружины, ползуны и демпферы. Упругое поведение может рассматриваться как пружина (рис. 14a). Очевидно, что пружина может быть как линейной, так и нелинейной. Пластичное поведение может рассматриваться как ползун с трением (рис. 14b). Нагрузка, при которой происходит пластичность, эквивалентна силе, требуемой для того, чтобы сдвинуть ползун. После снятия нагрузки ползун остается в своем последнем положении до тех пор, пока не подвергнется действию новой нагрузки с величиной, достаточной для того, чтобы сдвинуть ползун снова. Вся работа, потраченная на перемещение ползуна, является неконсервативной. Нечувствительное к скорости деформации упругопластичное поведение, описанное в первой части статьи, может рассматриваться как последовательное соединение пружины и ползуна – упругая составляющая описывается пружиной, а пластичное поведение - ползуном (рис. 14c). Эффекты вязкости могут считаться эквивалентными демпферу (рис. 14d). Величина деформации
Рис. 14 Механические аналогии поведения материалов
a.) упругое
b.) идеально пластичное
c.) упругопластичное
d.) идеальное вязкопластичное
e.) идеальноупругое вязкопластичное
f.) вязкоупругое
g.) идеально упругое вязкопластичное-пластичное
меняется в зависимости от величины приложенной нагрузки и от времени, на которое нагрузка прикладывается. Вязкопластичность сочетает в себе как упругое поведение, так и чувствительное к скорости деформации неупругое поведение и может рассматриваться как последовательное соединение пружины и демпфера (рис. 14e).
В
связи с тем, что вязкоупругим материалам в конце концов нужно восстановить все деформации при разгрузке, вязкоупругие уравнения состояния имеют несколько более сложный механический аналог. Вязкоупругое поведение может рассматриваться как параллельное соединение пружины и демпфера (рис. 14f). Для вязкопластичности и пластичности поведение может рассматриваться как последовательное соединение пружины, демпфера и ползуна (рис. 14g).
Вязкопластичность и ползучесть с точки зрения материала – одно и тоже. Все уравнения состояния ползучих материалов также являются уравнениями состояния вязкопластичных материалов и наоборот. Однако, в инженерной практике ползучесть имеет несколько иное значение. Классическая кривая ползучести, используемая в учебниках и составленная на основе испытаний материалов, показывает изменение деформации как функцию времени в материале, подверженном одноосной нагрузке при постоянной температуре. Поэтому в инженерной практике ползучесть может отображать наблюдаемое поведение контрольного образца под действием растягивающей нагрузки по мере того, как он растягивается и продолжает растягиваться с течением времени. Заметьте, пожалуйста, что рассматриваемое явление есть результат комбинации вязкопластичного поведения и приложения растягивающей нагрузки. Если этот образец сжать и удерживать в одном положении, то значения реактивных сил с течением времени будут уменьшаться, так как он показывает вязкопластичное поведение. Как правило, можно избежать приложения нагрузки и поведения, описанного во втором сценарии ползучести, хотя несомненно, что это - вязкопластичное поведение.
С целью решения этой задачи в программе ANSYS некоторое подмножество уравнений состояния вязкопластичных материалов называется законами ползучести, они доступны при использовании команды TB,CREEP. Поэтому в этой статье мы рассматриваем ползучесть как подмножество уравнений состояния вязкопластичных материалов, что более близко к «инженерной практике», чем к точке зрения чистых законов поведения материалов.
П
первичная
вторичная
олзучесть будет первой вязкопластичной моделью программы ANSYS, которую мы рассмотрим. Ползучесть – это деформация, накапливающаяся с течением времени. В зависимости от величины приложенной нагрузки и от продолжительности ее действия, деформация может стать настолько большой, что деталь не сможет выполнять свои функции. Пластичные и легкоплавкие материалы могут проявлять ползучесть при комнатной температуре. Практически любой материал будет проявлять ползучесть при приближении к температуре плавления. Таким образом, ползучесть является инженерной проблемой там, где встречаются высокие температуры. Газотурбинные авиадвигатели, ракетные двигатели, высокотемпературные трубопроводные системы – все это случаи, в которых ползучесть может играть значительную роль. Из-за деформаций ползучести с течением времени может происходить коробление. В отличие от нечувствительной к скорости деформации пластичности, при ползучести нет поверхностей текучести и таким образом нет пластического упрочнения или разупрочнения. Считается, что ползучесть может происходить при любых ненулевых значениях нагрузок.Многие материалы деформируются в условиях ползучести, результатом чего является отмеченное зависимое от времени поведение. При постоянной нагрузке деформации изменяются с течением времени (рис. 15). Существует первоначальная упругая деформация, после чего деформация медленно увеличивается даже при постоянном напряжении. При снятии нагрузки упругая деформация быстро восстанавливается,
Рис. 15 Деформация ползучести. Накопление деформации ползучести с течением времени при постоянной нагрузке и ее частичное восстановление после снятия нагрузки
а деформации ползучести восстанавливаются медленно, с течением времени.
Ползучесть обычно рассматривают как сочетание трех фаз, или периодов. Эти три фазы называются «первичная», «вторичная» и «третичная» (рис. 16). В течение первичной фазы ползучести (0 1) упрочнение материала приводит к уменьшению скорости течения, которая первоначально очень высока. В течение вторичной фазы (1 2) скорость течения почти постоянна. В течение третичной фазы (2 r), где «r» означает rupture (разрыв), скорость деформации увеличивается благодаря двум факторам: (1) уменьшению площади сечения образца в испытаниях, проводимых при постоянной нагрузке, и (2) появлению дефектов, которые постепенно снижают сопротивление материала.
Рис. 16 Фазы ползучести. Первичная фаза ползучести (0 1) ,в течение которой упрочнение приводит к уменьшению скорости течения, которая первоначально очень высока. В течение вторичной фазы (1 2) скорость течения почти постоянна. В течение третичной фазы (2 r), где «r » означает rupture (разрыв), скорость деформации увеличивается благодаря двум факторам
третичная
Вычисление деформаций может производиться путем мультипликативной декомпозиции градиента перемещений или путем аддитивной декомпозиции деформаций. Как правило, мультипликативная декомпозиция используется при наличии больших упругих деформаций, а аддитивную декомпозицию удобно применять при малых упругих деформациях. Так как при пластичности и ползучести металла упругие деформации обычно малы, ANSYS использует для неупругих моделей материалов аддитивную декомпозицию деформаций. При ползучести тип обработки деформаций, используемый в ANSYS – это аддитивная декомпозиция деформаций, иллюстрируемая следующим уравнением:
Total = Elastic + Creep
где:
Total – полная деформация;
Elastic– упругая деформация;
Creep– деформация ползучести.
Здесь упругие деформации и деформации ползучести вычисляются независимо. И те, и другие определяются на основе текущего напряженного состояния, но не на основе друг друга. Деформация ползучести являются неупругой, однако это не «пластическая» деформация, рассматривавшаяся выше. Деформации ползучести не определяются напряжениями текучести, не требуют больших напряжений для того чтобы происходили большие деформации и не вызывают пластического упрочнения материала. Деформации ползучести могут вызвать упрочнение ползучести, но они не вызывают пластического упрочнения материала (рис. 16). Поэтому ползучесть не вызывает движения или искажения поверхностей текучести и в любом случае ее не нужно считать эффектом Баушингера.
ANSYS 5.6 включает в себя два способа решения задач ползучести: явный и неявный. Явный способ решения доступен в ANSYS в течение многих лет. Неявный способ решения – это новая особенность версии 5.6.
При использовании явного решения решаемые уравнения выглядят следующим образом:
Характеристики
Тип файла документ
Документы такого типа открываются такими программами, как Microsoft Office Word на компьютерах Windows, Apple Pages на компьютерах Mac, Open Office - бесплатная альтернатива на различных платформах, в том числе Linux. Наиболее простым и современным решением будут Google документы, так как открываются онлайн без скачивания прямо в браузере на любой платформе. Существуют российские качественные аналоги, например от Яндекса.
Будьте внимательны на мобильных устройствах, так как там используются упрощённый функционал даже в официальном приложении от Microsoft, поэтому для просмотра скачивайте PDF-версию. А если нужно редактировать файл, то используйте оригинальный файл.
Файлы такого типа обычно разбиты на страницы, а текст может быть форматированным (жирный, курсив, выбор шрифта, таблицы и т.п.), а также в него можно добавлять изображения. Формат идеально подходит для рефератов, докладов и РПЗ курсовых проектов, которые необходимо распечатать. Кстати перед печатью также сохраняйте файл в PDF, так как принтер может начудить со шрифтами.
















