my (1050205), страница 3
Текст из файла (страница 3)
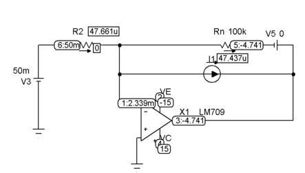
Рис. 4. Принципиальная схема для расчета выходного дифференциального сопротивления усилителя.
При расчете с помощью режима расчёта по постоянному току (Передаточные характеристики оп постоянному току) будем задавать диапазон изменения напряжения V5
с шагом, обеспечивающим получение гладких характеристик со множеством известных точек.
Метод определения выходного дифференциального сопротивления источника тока, управляемого напряжением, основан на том, что если в цепь с
включить источник напряжения
, то согласно II закону Кирхгофа:
Вычитая первое равенство из второго, получаем:
.
Поскольку выходное сопротивление источника тока, управляемого напряжением велико (как правило, порядка
), то в последнем равенстве величиной сопротивления нагрузки Rn=100кОм можно пренебречь.
Тогда
- выходное дифференциальное сопротивление.
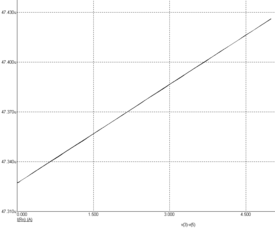
Построим зависимость I(Rn)=f(t)
Рис. 5. Зависимость I(Rn)=f(t). Ток не изменяется во времени
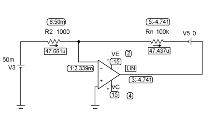
3.1 Усилитель 153УД301
3
.1.1. Дифференциальное сопротивление
Рис. 6 Расчет по постоянному току для усилителя 153УД301.
3
.1.2 Расчет дифференциального сопротивления при изменении параметров усилителя (Uсм. ±20%)
3
.1.3 Расчет дифференциального сопротивления при изменении параметров усилителя (Iвх ±100%)
3.1.4 Расчет дифференциального сопротивления при изменении параметров усилителя (A±1000%)
3
.1.5 Расчет дифференциального сопротивления при изменении параметров усилителя (RoutDC±100%)
3.1.6 Расчет дифференциального сопротивления при изменении параметров усилителя (T=10,25,35ºC)
3
.1.7 Оценка влияния напряжения источника V4 = 15мкВ F = 50Гц на выходной ток IRn=f(t).
Из расчета по постоянному току видно, что влияние напряжения источника
не сказывается на режиме работы схемы по постоянному току (данные, приведённые на схеме, получены в результате расчета в режиме «Переходные характеристики по постоянному току»).
Ниже представлена зависимость
(получена в результате расчёта в режиме временных характеристик).
3.1.8 Оценка влияния напряжения источника I1 = 1мкA F = 50Гц на выходной ток IRn=f(t).
Из расчета по постоянному току видно, что влияние тока источника I1 = 1мкA F = 50Гц не сказывается на режиме работы схемы по постоянному току (данные, приведённые на схеме, получены в результате расчета в режиме «Переходные характеристики по постоянному току»).
Ниже представлена зависимость
(получена в результате расчёта в режиме временных характеристик).
3.1.9 Оценка влияния напряжения источника I1 = 1мкA F = 50Гц и источника V4 = 15мкВ F = 50Гц на выходной ток IRn=f(t).
Из расчета по постоянному току видно, что влияние тока источника I1 = 1мкA F = 50Гц и напряжения источника V4 = 15мкВ F = 50Гц не сказывается на режиме работы схемы по постоянному току (данные, приведённые на схеме, получены в результате расчета в режиме «Переходные характеристики по постоянному току»).
Ниже представлена зависимость
(получена в результате расчёта в режиме временных характеристик).
3.2 Усилитель К553УД6
3
.2.1. Дифференциальное сопротивление
3
.2.2 Расчет дифференциального сопротивления при изменении параметров усилителя (Uсм. ±20%)
3
.2.3 Расчет дифференциального сопротивления при изменении параметров усилителя (Iвх ±100%)
3
.2.4 Расчет дифференциального сопротивления при изменении параметров усилителя (A±1000%)
3
.2.5 Расчет дифференциального сопротивления при изменении параметров усилителя (RoutDC±100%)
3
.2.6 Расчет дифференциального сопротивления при изменении параметров усилителя (T=10,25,35ºC)
3.2.7 Оценка влияния напряжения источника V4 = 15мкВ F = 50Гц на выходной ток IRn=f(t).
Из расчета по постоянному току видно, что влияние напряжения источника
не сказывается на режиме работы схемы по постоянному току (данные, приведённые на схеме, получены в результате расчета в режиме «Переходные характеристики по постоянному току»).
Ниже представлена зависимость
(получена в результате расчёта в режиме временных характеристик).
3
.2.8 Оценка влияния напряжения источника I1 = 1мкA F = 50Гц на выходной ток IRn=f(t).
Из расчета по постоянному току видно, что влияние тока источника I1 = 1мкA F = 50Гц не сказывается на режиме работы схемы по постоянному току (данные, приведённые на схеме, получены в результате расчета в режиме «Переходные характеристики по постоянному току»).
Ниже представлена зависимость
(получена в результате расчёта в режиме временных характеристик).















