my (1050205), страница 2
Текст из файла (страница 2)
В практических схемах сопротивление находится в пределах [103Ом ; 106Ом ]. [4]
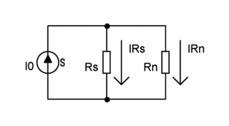
Исходная схема может быть упрощенно представлена в виде источника тока с внутренним сопротивлением и сопротивлением нагрузки:
Рис. 2. Упрощенная схема КГР.
Для корректной работы системы измерения большая часть тока источника должна протекать через сопротивление нагрузки:
IRn>> IRs,
а следовательно
Rn<<Rs.
Поэтому необходимо рассчитать внутреннее сопротивление источника тока, который замещает собой усилитель:
где Ku – коэффициент усиления по напряжению ОУ.
Для корректной работы схемы необходимо выполнение условия:
Минимальное значение коэффициента усиления по напряжению KyU для заданных ОУ составляет 10000.
Следовательно,
Максимальное сопротивление R2 найдем, представив исходную схему в следующем виде (виртуально замкнутые входы, характеристики усилителя представлены в виде источников тока и напряжения):
Рис. 3. Схема для нахождения максимального значения R2.
Где Uсм – напряжение смещения нуля – потенциал на выходе усилителя при нулевом входном сигнале, который поделён на коэффициент усиления усилителя; показывает, какой источник напряжения необходимо подключить к входу ОУ для того, чтобы на выходе получить
;
Iвх – входной ток ОУ.
В силу линейности схемы для определения выходного напряжения Uвых пользуемся принципом суперпозиции:
Для уменьшения влияния входных токов ОУ на выходное напряжение ОУ положим
Рассчитаем значения
для всех усилителей:
R2 = 1кОм (из ряда E6)
2.3 Расчет напряжения батареи V3
Применив принцип виртуального замыкания входов усилителя получим:
Часть 3. Моделирование схемы с среде Microcap8
Для схемотехнического моделирования с помощью программы Micro-Сap 7 будем использовать линейную модель LEVEL3. При отсутствии тех или иных параметров ОУ в справочнике при схемотехническом моделировании с помощью Micro-Cap 7 используем значения этих параметров, принятые по умолчанию.
| Обозначение | Уровень | Параметр | Раз- | Значе- | 153УД301 | К553УД6 | К1407УД3 |
| LEVEL | 1-3 | Уровень модели (1,2,3) | - | 1 | 2 | 2 | 2 |
| TYPE | 3 | Тип входного 1 – NPN, 3 - JFET | - | 1 | 1 | 3 | 2 |
| C | 3 | Ёмкость коррекции | Ф | 30∙10-12 | 30p | 30p | 30p |
| A | 1-3 | Коэффициент усиления на постоянном токе | - | 2∙105 | 25k | 50k | 10k |
| ROUTAC | 1-3 | Выходное сопротивление по переменному току | Ом | 75 | 50 | 50 | 50 |
| ROUTDC | 1-3 | Выходное сопротивление по постоянному току | Ом | 125 | 75 | 75 | 75 |
| VOFF | 3 | Напряжение смещения нуля | В | 0.001 | 2m | 2m | 5m |
| IOFF | 3 | Разность входных токов смещения | А | 10-9 | 0.05u | 10u | 1u |
| SRP | 2,3 | Максимальная скорость нарастания выходного напряжения | В/с | 5∙105 | 5∙105 | 5∙105 | 5∙105 |
| SRN | 2,3 | Максимальная скорость спада выходного напряжения | В/с | 5∙105 | 5∙105 | 5∙105 | 5∙105 |
| IBIAS | 3 | Входной ток смещения | нА | 10-7 | 200 | 75 | 5000 |
| VCC | 3 | Напряжение положительного питания | В | 15 | 15 | 15 | 6 |
| VEE | 3 | Напряжение отрицательного питания | В | -15 | -15 | -15 | -6 |
| VPS | 3 | Максимальное выходное положительное напряжение | В | 13 | 13 | 13 | 4 |
| VNS | 3 | Максимальное выходное отрицательное напряжение | В | -13 | -13 | -13 | -4 |
| CMRR | 3 | Коэффициент подавления синфазного сигнала | - | 105 | 104 | 104 | 103.8 |
| GBW | 2,3 | Площадь усиления (равна произведению коэффициента усиления A на частоту первого полюса) | - | 106 | 106 | 106 | 106 |
| PM | 2,3 | Запас по фазе на частоте единичного усиления | град. | 60 | 60 | 60 | 60 |
| PD | 3 | Потребляемая мощность | Вт | 0.025 | |||
| IOSC | 3 | Выходной ток короткого замыкания | А | 0.02 | 0.02 | 0.02 | 0.02 |
| T_MEASURED | 3 | Температура измерений | ° C | - | - | - | - |
| T_ABC | 3 | Абсолютная температура | ° C | - | - | - | - |
| T_REL_GLOBAL | 3 | Относительная температура | ° C | - | - | - | - |
| T_REL_LOCAL | 3 | Разность между температурой устройства и модели-прототипа | ° C | - | - | - | - |
Для вычисления выходного дифференциального сопротивления проведём схемотехническое моделирование в среде Micro-Cap 8.
Для корректного моделирования в выходной цепи источника тока должно присутствовать сопротивление нагрузки. Поскольку выходное сопротивление источника велико, оно будет шунтироваться сопротивлением нагрузки.
П
оэтому для расчета выходного дифференциального сопротивления включим в цепь нагрузки источник постоянного напряжения (V5) рис.4:















