Экзаменационные задачи с решениями по ДМС (1048830), страница 2
Текст из файла (страница 2)
Принимая в начале четвертого этапа время t=0, получим:
В результате:
Четвертый этап закончится, когда система остановится. Время остановки системы на четвертом этапе легко определяется:
При этом отклонение системы от положения равновесия составит:
Отсюда делаем вывод, что за один период амплитуда колебаний рассматриваемой системы уменьшится на величину
Очевидно, легко можно найти и период колебаний такой системы. Для этого просуммируем все времена прохождения системы каждого из четырех этапов:
В заключение решения задачи изобразим движение системы на фазовой плоскости. Для этого у нас все есть:
Н
ачало I-го этапа движения:
.
Начало II-го этапа движения:
.
Начало III-го этапа движения:
.
Начало IV-го этапа движения:
.
Задача
Д
ля заданной системы найти методом припасовывания связь между амплитудой колебаний и частотой свободной колебаний.
Решение
Отклоним систему в положительную сторону на величину
и отпустим ее без начальной скорости, то есть в момент времени
.
Тогда уравнение движения системы по первому участку жесткостной характеристики имеет вид:
и его общим решением служит следующее выражение:
где
, а постоянные интегрирования С1 и С2 определяются из начальных условий:
Таким образом:
Время прохождения первого участка жесткостной характеристики
найдем из условия, что при
, то есть:
при этом скорость системы:
На втором участке жесткостной характеристики движение системы описывается уравнением
, которое имеет решение
.
Постоянные интегрирования определяем из начальных условий движения системы на этом участке:
Таким образом:
Теперь легко можно определить время
попадания системы в положение равновесия (
).
Поскольку характеристика восстанавливающей силы симметрична, то на этом процесс поэтапного интегрирования можно прекратить и определить частоту свободных колебаний:
Если построить скелетную кривую, то она будет иметь вид:
Задача 1.
Р
ассмотрим тонкую пластинку в потоке газа или жидкости, скорость которого V направлена вдоль срединной плоскости пластинки в невозмущенном состоянии равновесия. В этом случае аэродинамические силы равны нулю, а трением потока о пластинку можно пренебречь. Определить критическую скорость потока, при которой произойдет потеря устойчивого положения равновесия пластинки.
Решение
При отклонении пластинки возникают аэродинамические давления, зависящие от угла отклонения φ от положения равновесия. Используя зависимость из аэродинамики, равнодействующую давления можно разложить на две составляющие:
где kx и ky – постоянные аэродинамические коэффициенты;
ρ – плотность потока.
Момент сил, возникающий при отклонении пластинки относительно шарнирной опоры, равен:
при этом отклонения пластинки от положения равновесия будем считать малыми, то есть
.
Пусть пластинка имеет момент инерции J относительно шарнирной опоры. Тогда можно определить дифференциальное уравнение малых колебаний такой системы:
Третьим слагаемым можно пренебречь, так как эта величина имеет второй порядок малости. Таким образом, дифференциальное уравнение упрощается:
Используя теорему Лагранжа–Дирихле, определим условие устойчивого состояния системы:
откуда определяется значение скорости потока:
Явление потери устойчивости системой положения равновесного состояния называется в механических системах дивергенцией.
До сих пор мы рассматривали механические системы с силами трения, способствующими демпфированию колебаний. Причем эти силы мы всегда принимали зависящими от скорости. Однако, в некоторых системах могут возникать силы, так же зависящие от скорости, но совпадающие с ней по направлению. Такие силы, очевидно, будут оказывать дестабилизирующее влияние и способствовать раскачке колебаний, а не их демпфированию. Силы такого типа называют силами «отрицательного трения» .
В общем виде движение такой системы будет иметь вид:
Анализ коэффициентов такого уравнения показывает, что движение системы в этом случае будет неустойчивым, так как в соответствии с критерием Ляпунова
. Это также хорошо видно и из непосредственного решения дифференциального уравнения, которое будет иметь вид:
Из приведенной зависимости видно, что при сколь угодно малых начальных условий движения системы
и
возникают колебания, амплитуда которых возрастает по показательному закону.
Примером механической системы, в которой возникает «отрицательное трение», может служить следующая система, состоящая из тела 1, упругого элемента 2 и барабана 3, которым прижат к телу и вращается с постоянной угловой скоростью. Между барабаном и телом действует сила «сухого» трения R, характеристика которой имеет вид:
В отличие от ранее принятой, эта характеристика «сухого» трения более близко отражает реальные процессы, происходящие при взаимодействии двух трущихся друг о друга тел. Она имеет два участка: падающий
и возрастающий
.
Пусть скорость скольжения при равновесном состоянии равна V0, и ей соответствует сила R0. В этом случае равновесие будет выражаться уравнением:
откуда:
Теперь рассмотрим движение тела около положения равновесия. В этом случае скорость скольжения перестает быть постоянной величиной и определяется выражением:
которая в соответствии с приведенной графической зависимостью определяет силу трения R. При малых колебаниях скорость
мала по сравнению с
, что позволяет считать зависимость
линейной:
В этом случае дифференциальное уравнение движения системы можно записать в следующем виде:
Из полученного уравнения видно, что при
и в соответствии с критерием Ляпунова колебания будут затухающими. Если же
, то
и амплитуда колебаний будет со временем увеличиваться.
Таким образом, если
, то состояние равновесия устойчиво, если же
, то после любого сколь угодно малого возмущения в системе происходит самовозбуждение колебаний. Следует отметить, что с увеличением амплитуды колебаний линеаризованное представление силы трения будет все менее точным, и для анализа необходимо будет учитывать действительную характеристику
.
Задача 1
Стальной цилиндр радиусом r и массой M может кататься без проскальзывания по горизонтальной плоскости. К оси цилиндра подвешен маятник массой m и длиной l. Считая стержень невесомым, составить систему дифференциальных уравнений свободных колебаний и определить собственные частоты.
Решение.
Для составления дифференциальных уравнений воспользуемся основным способом, а именно уравнением Лагранжа II-го рода. За обобщенные координаты примем угол поворота цилиндра
и угол отклонения маятника от положения равновесия
.
Кинетическая энергия системы складывается из кинетической энергии движения цилиндра T1 и колебаний маятника T2. Кинетическая энергия цилиндра определяется как:
С
корость массы маятника m складывается из скорости качения
и скорости перемещения оси цилиндра
. В соответствии с рисунком, абсолютная скорость маятника определяется на основании теоремы косинусов:
Таким образом, кинетическая энергия маятника:
Изменение потенциальной энергии системы происходит только за счет изменения положения маятника:
Таким образом, имеем:
и
После подстановки полученных зависимостей в уравнение Лагранжа II-го рода имеем:
Так как мы рассматриваем малые колебания системы, то в первом приближении можно считать, что
и
. Тогда:
Поскольку система совершает малые колебания, то, очевидно, произведение
представляет собой величину третьего порядка малости, и ею можно пренебречь. Поэтому окончательно запишем:
Для определения собственных частот колебаний системы положим
и подставим эти частные решения в исходные дифференциальные уравнения:
Для получения нетривиального решения система должна иметь определитель, составленный из коэффициентов при неизвестных, равный нулю:
или, после раскрытия определителя:
Таким образом, получаем:
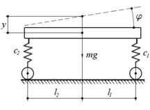
Задача 2.
Л
юбой автомобиль можно представить в виде некоторой балки, обладающей массой m и моментом инерции J относительно центра масс, соединенной с колесами рессорами жесткости
и
. Пренебрегая упругостью шин, составить дифференциальное уравнение движения системы и определить собственные частоты.
Решение
Опять для решения воспользуемся уравнением Лагранжа II-го рода. В качестве обобщенных координат принимаем вертикальное перемещение центра масс y и угол поворота корпуса
. В этом случае сравнительно легко находятся выражения кинетической и потенциальной энергий системы:














