описание МК (1044796)
Текст из файла
Отличительные особенности:
-8-разрядный высокопроизводительный AVR микроконтроллер с малым потреблением
- Прогрессивная RISC архитектура
133 высокопроизводительные команды, большинство команд выполняется за один тактовый цикл
32 8-разрядных рабочих регистра общего назначения + регистры управления периферией
Полностью статическая работа
Производительность приближающаяся к 16 MIPS (при тактовой частоте 16 МГц)
Встроенный 2-цикловый перемножитель
- Энергонезависимая память программ и данных
128 Кбайт внутрисистемно перепрограммируемой Flash памяти
Обеспечивает 1000 циклов стирания/записи
Дополнительный сектор загрузочных кодов с независимыми битами блокировки
Внутрисистемное программирование встроенной программой загрузки
Обеспечен режим одновременного чтения/записи (Read-While-Write)
4 Кбайта EEPROM
Обеспечивает 100000 циклов стирания/записи
4 Кбайта встроенной SRAM
До 64 Кбайтов пространства дополнительной внешней памяти
Программируемая блокировка, обеспечивающая защиту программных средств пользователя
SPI интерфейс для внутрисистемного программирования
- Интерфейс JTAG (совместимый с IEEE 1149.1)
Возможность сканирования периферии, соответствующая стандарту JTAG
Расширенная поддержка встроенной отладки
Программирование через JTAG интерфейс: Flash, EEPROM памяти, перемычек и битов блокировки
- Встроенная периферия
Два 8-разрядных таймера/счетчика с отдельным предварительным делителем, один с режимом сравнения
Два 16-разрядных таймера/счетчика, с расширенными возможностями, с отдельным предварительным делителем и режимами захвата и сравнения
Счетчик реального времени с отдельным генератором
Два 8-разрядных канала PWM
Шесть каналов PWM с возможностью программирования разрешения от 1 до 16 разрядов
8-канальный 10-разрядный аналого-цифровой преобразователь
8 несимметричных каналов
7 дифференциальных каналов
2 дифференциальных канала с программируемым усилением в 1, 10 или 200 крат
Байт-ориентированный 2-проводный последовательный интерфейс
Сдвоенный программируемый последовательный USART
Последовательный интерфейс SPI (ведущий/ведомый)
Программируемый сторожевой таймер с отдельным встроенным генератором
Встроенный аналоговый компаратор
- Специальные микроконтроллерные функции
Сброс по подаче питания и программируемый детектор кратковременного снижения напряжения питания
Встроенный калиброванный RC-генератор
Внутренние и внешние источники прерываний
Шесть режимов пониженного потребления: Idle, Power-save, Power-down, Standby, Extended Standby и снижения шумов ADC
Программная установка тактовой частоты
Глобальный запрет подтягивающих резисторов
- Выводы I/O и корпуса
53 программируемые линии ввода/вывода
64-выводной корпус TQFP
- Рабочие напряжения
2,7 - 5,5 В (ATmega128L)
4,5 - 5,5 В (ATmega128)
- Рабочая частота
0 - 8 МГц (ATmega128L)
0 - 16 МГц (ATmega128)
Краткий обзор
ATmega128 – маломощный 8-разр. КМОП микроконтроллер, основанный на расширенной AVR RISC-архитектуре. За счет выполнения большинства инструкций за один машинный цикл ATmega128 достигает производительности 1 млн. операций в секунду/МГц, что позволяет проектировщикам систем оптимизировать соотношение энергопотребления и быстродействия.
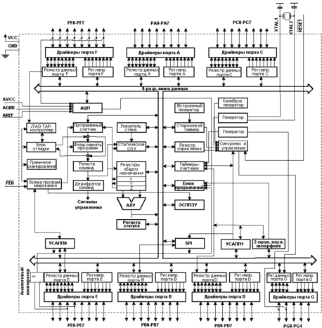
Функциональная схема
Ядро AVR сочетает богатый набор инструкций с 32 универсальными рабочими регистрами. Все 32 регистра непосредственно подключены к арифметико-логическому устройству (АЛУ), который позволяет указать два различных регистра в одной инструкции и выполнить ее за один цикл. Данная архитектура обладает большей эффективностью кода за счет достижения производительности в 10 раз выше по сравнению с обычными CISC-микроконтроллерами.
ATmega128 содержит следующие элементы: 128 кбайт внутрисистемно программируемой флэш-памяти с поддержкой чтения во время записи, 4 кбайт ЭСППЗУ, 4 кбайт статического ОЗУ, 53 линии универсального ввода-вывода, 32 универсальных рабочих регистра, счетчик реального времени (RTC), четыре гибких таймера-счетчика с режимами сравнения и ШИМ, 2 УСАПП, двухпроводной последовательный интерфейс ориентированный на передачу байт, 8-канальный 10-разр. АЦП с опциональным дифференциальным входом с программируемым коэффициентом усиления, программируемый сторожевой таймер с внутренним генератором, последовательный порт SPI, испытательный интерфейс JTAG совместимый со стандартом IEEE 1149.1, который также используется для доступа к встроенной системе отладке и для программирования, а также шесть программно выбираемых режимов уменьшения мощности. Режим холостого хода (Idle) останавливает ЦПУ, но при этом поддерживая работу статического ОЗУ, таймеров-счетчиков, SPI-порта и системы прерываний. Режим выключения (Powerdown) позволяет сохранить содержимое регистров, при остановленном генераторе и выключении встроенных функций до следующего прерывания или аппаратного сброса. В экономичном режиме (Power-save) асинхронный таймер продолжает работу, позволяя пользователю сохранить функцию счета времени в то время, когда остальная часть контроллера находится в состоянии сна. Режим снижения шумов АЦП (ADC Noise Reduction) останавливает ЦПУ и все модули ввода-вывода, кроме асинхронного таймера и АЦП для минимизации импульсных шумов в процессе преобразования АЦП. В дежурном режиме (Standby) кварцевый/резонаторный генератор продолжают работу, а остальная часть микроконтроллера находится в режиме сна. Данный режим характеризуется малой потребляемой мощностью, но при этом позволяет достичь самого быстрого возврата в рабочий режим. В расширенном дежурном режиме (Extended Standby) основной генератор и асинхронный таймер продолжают работать.
Микроконтроллер производится по технологии высокоплотной энергонезависимой памяти компании Atmel. Встроенная внутрисистемно программируемая флэш-память позволяет перепрограммировать память программ непосредственно внутри системы через последовательный интерфейс SPI с помощью простого программатора или с помощью автономной программы в загрузочном секторе. Загрузочная программа может использовать любой интерфейс для загрузки прикладной программы во флэш-память. Программа в загрузочном секторе продолжает работу в процессе обновления прикладной секции флэш-памяти, тем самым поддерживая двухоперационность: чтение во время записи. За счет сочетания 8-разр. RISC ЦПУ с внутрисистемно самопрограммируемой флэш-памятью в одной микросхеме ATmega128 является мощным микроконтроллером, позволяющим достичь высокой степени гибкости и эффективной стоимости при проектировании большинства приложений встроенного управления.
ATmega128 поддерживается полным набором программных и аппаратных средств для проектирования, в т.ч.: Си-компиляторы, макроассемблеры, программные отладчики/симуляторы, внутрисистемные эмуляторы и оценочные наборы.
Аналогово-цифровой преобразователь
Отличительные особенности:
-
10-разрядное разрешение
-
Интегральная нелинейность 0.5 мл. разр.
-
Абсолютная погрешность ±2 мл. разр.
-
Время преобразования 65 - 260 мкс.
-
Частота преобразования до 15 тыс. преобр. в сек. при максимальном разрешении
-
8 мультиплексированных однополярных входов
-
7 дифференциальных входных каналов
-
2 дифференциальных входных канала с опциональным усилением на 10 и 200
-
Представление результата с левосторонним или правосторонним выравниванием в 16-разр. слове
-
Диапазон входного напряжения АЦП 0…VCC
-
Выборочный внутренний ИОН на 2.56 В
-
Режимы одиночного преобразования и автоматического перезапуска
-
Прерывание по завершении преобразования АЦП
-
Механизм подавления шумов в режиме сна
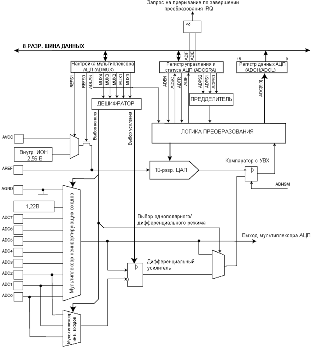
ATmega128 содержит 10-разр. АЦП последовательного приближения. АЦП связан с 8-канальным аналоговым мультиплексором, 8 однополярных входов которого связаны с линиями порта F. Общий входных сигналов должен иметь потенциал 0В (т.е. связан с GND). АЦП также поддерживает ввод 16 дифференциальных напряжений. Два дифференциальных входа (ADC1, ADC0 и ADC3, ADC2) содержат каскад со ступенчатым программируемым усилением: 0 дБ (1x), 20 дБ (10x), или 46 дБ (200x). Семь дифференциальных аналоговых каналов используют общий инвертирующий вход (ADC1), а все остальные входы АЦП выполняют функцию неинвертирующих входов. Если выбрано усиление 1x или 10x, то можно ожидать 8-разр. разрешение, а если 200x, то 7-разрядное.
АЦП содержит УВХ (устройство выборки-хранения), которое поддерживает на постоянном уровне напряжение на входе АЦП во время преобразования. Функциональная схема АЦП показана на рисунке 108.
АЦП имеет отдельный вывод питания AVCC (аналоговое питание). AVCC не должен отличаться более чем на ± 0.3В от VCC. См. параграф “Подавитель шумов АЦП”, где приведены рекомендации по подключению этого вывода.
В качестве внутреннего опорного напряжения может выступать напряжение от внутреннего ИОНа на 2.56В или напряжение AVCC. Если требуется использование внешнего ИОН, то он должен быть подключен к выводу AREF с подключением к этому выводу блокировочного конденсатора для улучшения шумовых характеристик.
Рисунок 108- Функциональная схема аналогово-цифрового преобразователя
Принцип действия
АЦП преобразовывает входное аналоговое напряжение в 10-разр. код методом последовательных приближений. Минимальное значение соответствует уровню GND, а максимальное уровню AREF минус 1 мл. разр. К выводу AREF опционально может быть подключено напряжение AVCC или внутренний ИОН на 1.22В путем записи соответствующих значений в биты REFSn в регистр ADMUX. Несмотря на то, что ИОН на 2.56В находится внутри микроконтроллера, к его выходу может быть подключен блокировочный конденсатор для снижения чувствительности к шумам, т.к. он связан с выводом AREF.
Канал аналогового ввода и каскад дифференциального усиления выбираются путем записи бит MUX в регистр ADMUX. В качестве однополярного аналогового входа АЦП может быть выбран один из входов ADC0…ADC7, а также GND и выход фиксированного источника опорного напряжения 1,22 В. В режиме дифференциального ввода предусмотрена возможность выбора инвертирующих и неинвертирующих входов к дифференциальному усилителю.
Если выбран дифференциальный режим аналогового ввода, то дифференциальный усилитель будет усиливать разность напряжений между выбранной парой входов на заданный коэффициент усиления. Усиленное таким образом значение поступает на аналоговый вход АЦП. Если выбирается однополярный режим аналогового ввода, то каскад усиления пропускается
Работа АЦП разрешается путем установки бита ADEN в ADCSRA. Выбор опорного источника и канала преобразования не возможно выполнить до установки ADEN. Если ADEN = 0, то АЦП не потребляет ток, поэтому, при переводе в экономичные режимы сна рекомендуется предварительно отключить АЦП.
АЦП генерирует 10-разрядный результат, который помещается в пару регистров данных АЦП ADCH и ADCL. По умолчанию результат преобразования размещается в младших 10-ти разрядах 16-разр. слова (выравнивание справа), но может быть опционально размещен в старших 10-ти разрядах (выравнивание слева) путем установки бита ADLAR в регистре ADMUX.
Практическая полезность представления результата с выравниванием слева существует, когда достаточно 8-разрядное разрешение, т.к. в этом случае необходимо считать только регистр ADCH. В другом же случае необходимо первым считать содержимое регистра ADCL, а затем ADCH, чем гарантируется, что оба байта являются результатом одного и того же преобразования. Как только выполнено чтение ADCL блокируется доступ к регистрам данных со стороны АЦП. Это означает, что если считан ADCL и преобразование завершается перед чтением регистра ADCH, то ни один из регистров не может модифицироваться и результат преобразования теряется. После чтения ADCH доступ к регистрам ADCH и ADCL со стороны АЦП снова разрешается.
Характеристики
Тип файла документ
Документы такого типа открываются такими программами, как Microsoft Office Word на компьютерах Windows, Apple Pages на компьютерах Mac, Open Office - бесплатная альтернатива на различных платформах, в том числе Linux. Наиболее простым и современным решением будут Google документы, так как открываются онлайн без скачивания прямо в браузере на любой платформе. Существуют российские качественные аналоги, например от Яндекса.
Будьте внимательны на мобильных устройствах, так как там используются упрощённый функционал даже в официальном приложении от Microsoft, поэтому для просмотра скачивайте PDF-версию. А если нужно редактировать файл, то используйте оригинальный файл.
Файлы такого типа обычно разбиты на страницы, а текст может быть форматированным (жирный, курсив, выбор шрифта, таблицы и т.п.), а также в него можно добавлять изображения. Формат идеально подходит для рефератов, докладов и РПЗ курсовых проектов, которые необходимо распечатать. Кстати перед печатью также сохраняйте файл в PDF, так как принтер может начудить со шрифтами.
















