раздел II (1043226)
Текст из файла
12
Для специальности МТ7 – 4й курс
§ Установка заготовок для обработки на станках.
Погрешность установки появляется в статике, еще до обработки заготовки на станке, т.е. обработки еще нет, а погрешность уже имеется.
При обработке заготовки на станке ее необходимо определенным образом ориентировать относительно инструмента, которым производится обработка.
Процесс ориентации детали относительно настроенного на размер инструмента называется процессом базирования.
Однако для обработки заготовки на станке одного процесса базирования мало. Для того чтобы в процессе обработки силы резания не могли сдвинуть деталь её надо закрепить. Процессы базирования и закрепления детали называются установкой детали.
При установке деталей на станке следует различать следующие поверхности:
-
Обрабатываемые поверхности - это поверхности, подвергающиеся воздействию инструмента.
-
Поверхности, посредством которых ориентируют заготовку относительно настроенного на размер инструмента при методе автоматического получения размеров или относительно рабочих элементов станка при способе индивидуального получения размеров. Эти поверхности называются базовыми или установочными.
-
Поверхности, воспринимающие зажимные усилия.
-
Поверхности, линии и точки, от которых задаются выдерживаемые размеры, называются измерительными.
-
Свободные, т.е. не использованные при данной установке поверхности детали.
При установке заготовок для обработки на станке следует различать два принципиально различных случая: \
-
П
МАПР
роизводится установка для обработки методом автоматического получения размеров. В этом случае положение измерительной базы относительно настроенного на размер инструмента оказывает непосредственное влияние на выдерживаемый размер. -
У
МИПР
становку для обработки методом индивидуального получения размеров, когда размер получается методом пробных проходов и промеров непосредственно от измерительной базы.
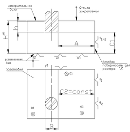
В начале рассмотрим появление погрешности установки (εу) для МАПР'а (с использованием приспособлений):
для ''h''
еобходимо обрабатывать паз «В» в размеры «А» и «h» - по чертежу детали.З
аготовку устанавливаем на плоскость О1О2О3 - лишаем 3-х степеней свободы; направляющая плоскость Н1Н2 лишает 2-х степеней свободы и упор У1-1-й степени свободы. Инструмент перед обработкой устанавливается на два размера: вертикальный C1=const и горизонтальный С2=const.
Рассмотрим выполнение размера «А»: при установке заготовки базовой поверхностью будет поверхность Н1Н2, а после обработки этаже поверхность будет измерительной базой, таким образом, измерительная и установочные базы для обработки размера «А» совпадают (или измерительная база = установочной), а когда они совпадают εбА всегда равна0, т.е. εбА=0. Значит, погрешность базирования возникает тогда, когда установочная и измерительная базы не совпадают.
Теперь рассмотрим выполнение размера «h» (вертикальный размер): установочной базой будет в этом случае поверхность О1О2О3 (см. схему), а измерительной базой будет другая поверхность, расположенная на расстоянии Н∆Н (см. схему), т.е. установочная и измерительная базы при обработке размера «h» не совпадают. В этом случае возникает погрешность базирования, т.е. εбh ≠0 . И эта измерительная база (верхняя поверхность детали) будет колебаться в пределах допуска на размер, соединяющий эти две базы, т.е. ∆Н. Иными словами:
h
1=Hmax-C1 ∆h=Hmax-Hmin=∆H,
h2=Hmin-C1 т.е. εбh =∆H
Из этого примера следует, что при выбранной схеме установки, получается погрешность обработки даже без учета таких динамических факторов, как износ инструмента, упругие отжатия технологической системы и т.д., т.е. в самой схеме установки уже заложена погрешность. Эта погрешность равна допуска на размер «Н». Размер «Н» характерен тем, что он связывает между собой установочную и измерительную базы. Т.о. можно сделать весьма важный для теории точности обработки вывод: при несовмещении установочной и измерительной баз возникает дополнительная погрешность равная колебанию расстояния между установочной и измерительной базами. Эту погрешность, возникающую в результате несовмещения измерительной и установочной баз, называют погрешностью базирования.
Отсюда вытекает один из основных принципов базирования, что в качестве установочных баз следует брать те поверхности, от которых в последующем будет производиться измерение размеров.
Рассмотрим в качестве примера установку заготовок в призму:
,
О
Какой из них лучший?
Определим погрешность базирования в призму для размеров h1, h2 и h3. Dmax/min –предельные размеры заготовки.
-
для размера h1:
т. О- пост. точка (линия) призмы, относительно её настраивают инструмент (с=const)
C1/2-положение центров заготовки, К1/2- линии контакта заготовок с призмой (т.е. установочная база).
Д
ля размера «h1 » измерительной базой будет положение т. А1/2; следовательно, здесь измерительная и установочные базы не совпадают, что означает εбh1 ≠0. Найдем значение ;
Окончательно имеем:
;
,
-угол призмы
-
для размера h2: (по аналогии)
-
для размера h3(вывести формулу самим ):
Из 3-х вариантов простановки размеров минимальное значение
будет для размера «h2 ».
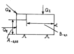
| § Погрешность закрепления (εз) заготовки |
Каждая заготовка должна быть закреплена после того как ее забазировали. Но силы закрепления, воздействуя на заготовку, вызывают ее деформацию. При этом смещается измерительная база, которая и влияет на εз.
Погрешность закрепления εз – это разность предельных положений измерительной базы от действия сил закрепления (Q).
Т
огда: εз = ymax - ymin ; Причиной появления деформаций (y)является: состояние поверхностного слоя материала детали и опоры, шероховатость, колебание силы закрепления от Qmin до Qmax .
Для определения y = f(Q) подбирают кривую: y = С Qn; где С и n – хар-т условия контактирования (фор-
ма опоры, твердость, шероховатость и т.п.). Тогда: εз = Сmax Qnmin -Сmin Qnmin; Рассмотрим
т
ри варианта приложения силы Q для обработки размеров А и ВПри QI → оказывает влияние только р-р А–0,05;
_"_ QII → оказывает влияние только р-р В–0,1;
_"_ QIII → оказывает влияние только р-р А и на р-р В;
QII – более предпочтителен, т.к. QII будет более точному размеру А.
Поэтому: при α = 00 → ε3 = max, при α =900 → ε3 = 0, т.к. Q будет более точному р-ру.
| Тогда ф-ла д/опред. | εз = (Сmax Qnmax -Сmin Qnmin) соs α; |
| § Погрешность положения заготовки в приспособлении (εп) |
Возникновение этой погрешности связано с точностью изготовления приспособления (εизг), с его износом (εизн) и с точностью положения приспособления на столе станка (εуст/ст),
т.е. εп = (ε2изг + ε2изн + ε2уст/ст) 1/2 ;
εизг – погрешность изготовления и сборки приспособления (обычно εизг= 0,005-0,01мм)
ε
изн – погрешность от износа базовых элементов приспособления: εизн = β(N) 1/2;
здесь: β- коэф-т, зависящий от вида опор:
→ для опор из стали 20Х; 45.
N – число контактов с опорами (число обр. деталей) в тысячах.
εуст/ст –погрешность установки приспособления на столе станка (направл. шпонки, фиксаторы или путем выверки); обычно εуст/ст= 0,005 ÷ 0,015 мм.
Тогда общая погрешность установки (εу) заготовки в приспособлении будет равна:
| εу = √ε2б + ε2з+ ε2п = √ε2б + ε2з+ ε2изг + ε2изн+ ε2уст/ст | -эта ф-ла для МАПР`а | |||
| § Погрешность положения заготовки при МИПР`е | - только для единичного пр-ва, |
где нет приспособлений. В этом случае применяется выверка заготовки на станке рабочим с помощью измерительного инструмента.
Ц
ентр заготовки не совпадает с центром патрона (с центром вращения шпинделя) на какую-то величину. Для совмещения центров → производят выверку с помощью индикатора и путем перемещения кулачков. Тогда погрешность выверки (εв) будет| равна | εв =Δмерит | при закреплении и послед. измерении | или: | εв =Δизм+ εз | В начале измерение, затем закрепление |
§ Принцип выбора баз. Рассмотрим основные положения выбора баз.
Любая заготовка, как свободное тело имеет 6 степеней свободы (3-перемещения и 3-вращения).
-
Для полной ориентации заготовки количество установочных элементов д.б. таким, чтобы соблюдался принцип неотрывности заготовки от установочных элементов, т.е. заготовка должна занимать устойчивое положение относительно инструмента и станка (правило 6и точек).
-
Применение точечных опор характерно для заготовок, имеющих черновые базовые поверхности. Для базирования по обработанным поверхностям применяют опорные пластины с развитой поверхностью.
-
Базовые поверхности д.б. обработаны на первом этапе Т.П. с увязкой размеров с необрабатываемыми поверхностями, т.е. использовать так называемые черновые базы они д.б. гладкими, не иметь уклонов и т.п.
-
Следует применять принцип совмещения баз, т.е. установочная база должна быть измерительной (тогда
). Для этого конструктор должен представлять размеры с учетом этого принципа совмещения баз. -
Следует соблюдать принцип постоянства баз по всему Т.П. (т.е. одни и те же базы по всему Т.П.). В целях соблюдения принципа постоянства баз очень часто создают искусственные базы, не имеющие конструктивного назначения (центровые гнезда, 2а – отверстия, перпендикулярные им плоскости и т.п.). В этом случае обязательно производят пересчет конструкторских размеров на новые, технологические размеры от этой искусственной базы.
-
Установочная база должна обеспечивать достаточную устойчивость и жесткость установки заготовки.
§ Погрешности, вносимые процессом обработки.
Р
анее было установлено, что точность обработки зависит от погрешностей, связанных с установкой заготовки (εу) и с процессом резания, т.е. Δ =Δр+Δф = f(εб;εз;εn; Δy;Δu;ΔH;Δст;Δt0) статика
Характеристики
Тип файла документ
Документы такого типа открываются такими программами, как Microsoft Office Word на компьютерах Windows, Apple Pages на компьютерах Mac, Open Office - бесплатная альтернатива на различных платформах, в том числе Linux. Наиболее простым и современным решением будут Google документы, так как открываются онлайн без скачивания прямо в браузере на любой платформе. Существуют российские качественные аналоги, например от Яндекса.
Будьте внимательны на мобильных устройствах, так как там используются упрощённый функционал даже в официальном приложении от Microsoft, поэтому для просмотра скачивайте PDF-версию. А если нужно редактировать файл, то используйте оригинальный файл.
Файлы такого типа обычно разбиты на страницы, а текст может быть форматированным (жирный, курсив, выбор шрифта, таблицы и т.п.), а также в него можно добавлять изображения. Формат идеально подходит для рефератов, докладов и РПЗ курсовых проектов, которые необходимо распечатать. Кстати перед печатью также сохраняйте файл в PDF, так как принтер может начудить со шрифтами.
роизводится установка для обработки методом автоматического получения размеров. В этом случае положение измерительной базы относительно настроенного на размер инструмента оказывает непосредственное влияние на выдерживаемый размер.
становку для обработки методом индивидуального получения размеров, когда размер получается методом пробных проходов и промеров непосредственно от измерительной базы.
















